Запчасти Komatsu D375A-2 ГИДРАВЛ PUNP (РАБОЧЕЕ ОБОРУДОВАНИЕ) (/) (КРОМЕ ЯПОН.) УПРАВЛ-Е РАБОЧИМ ОБОРУДОВАНИЕМ

Схема запчастей Komatsu D375A-2 - ГИДРАВЛ PUNP (РАБОЧЕЕ ОБОРУДОВАНИЕ) (/) (КРОМЕ ЯПОН.) УПРАВЛ-Е РАБОЧИМ ОБОРУДОВАНИЕМ
FIT
1:1
100%

Артикул

Название

Примечание

Количество

|$0

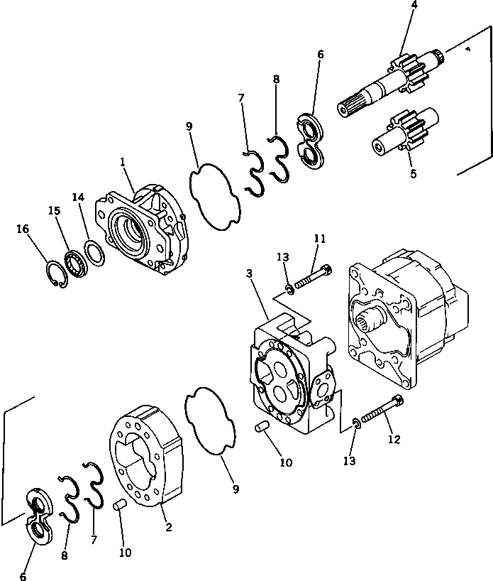
705-52-40100

PUMP ASS'Y

SN: 16001-UP

1шт.

|$$2

THIS ASSEMBLY CONSISTS OF ALL PARTS SHOWN IN FIGS.6111 AND 6112.

-1шт.

|$2

705-32-43240

PUMP ASS'Y (SAR 140)

SN: 16001-UP

1шт.

1

0

BRACKET

SN: 16001-UP

1шт.

1

0

BUSHING

SN: 16001-UP

2шт.

2

0

CASE

SN: 16001-UP

1шт.

3

0

CARRIER

SN: 16001-UP

1шт.

3

0

BUSHING

SN: 16001-UP

2шт.

4

0

GEAR,DRIVE

SN: 16001-UP

1шт.

5

0

GEAR,DRIVEN

SN: 16001-UP

1шт.

6

705-17-04611

PLATE,SIDE

SN: 16001-UP

2шт.

7

705-17-04471

SEAL,RING

SN: 16001-UP

2шт.

8

705-17-04441

RING,BACK-UP

SN: 16001-UP

2шт.

9

705-17-04382

O-RING

SN: 16001-UP

2шт.

10

04020-01842

PIN,DOWEL

SN: 16001-UP

4шт.

11

705-17-04660

BOLT

SN: 16001-UP

4шт.

12

705-17-04730

BOLT

SN: 16001-UP

4шт.

13

705-17-04980

WASHER

SN: 16001-UP

8шт.

14

705-17-04870

PLATE

SN: 16001-UP

1шт.

15

704-17-05811

SEAL,OIL

SN: 16001-UP

1шт.

16

04065-06220

RING,SNAP

SN: 16001-UP

1шт.

Выбрано товаров: 21