Запчасти Komatsu D375A-2 МАРКИРОВКА (АРАБСК.)(№-8) МАРКИРОВКА¤ ИНСТРУМЕНТ И РЕМКОМПЛЕКТЫ

Схема запчастей Komatsu D375A-2 - МАРКИРОВКА (АРАБСК.)(№-8) МАРКИРОВКА¤ ИНСТРУМЕНТ И РЕМКОМПЛЕКТЫ
FIT
1:1
100%

Артикул

Название

Примечание

Количество

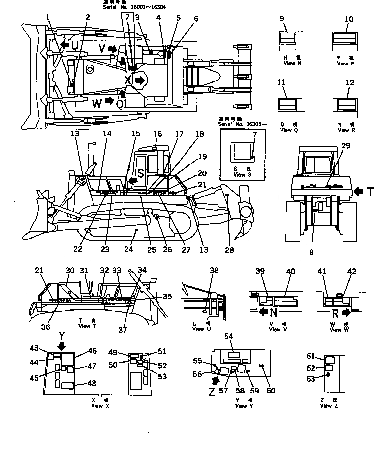
1

09650-02101

PLATE, INSTRUCTION,RADIATOR

SN: 16001-@

1шт.

2

09668-00200

PLATE, SAFETY,RADIATOR CAP

SN: 16001-@

1шт.

3

09653-00200

PLATE, SAFETY,HYDRAULIC OIL TANK

SN: 16001-@

1шт.

4

09655-02120

PLATE, INSTRUCTION,OIL FILTER

SN: 16001-@

1шт.

5

09656-02080

PLATE, INSTRUCTION,STRAINER

SN: 16001-@

1шт.

6

09652-00201

PLATE, CAUTION,FUEL TANK

SN: 16001-@

1шт.

7

195-98-25310

PLATE, CAUTION,DAMPER

SN: 16305-@

1шт.

7

195-98-25290

PLATE, CAUTION,DAMPER

SN: 16001-16304

1шт.

8

154-98-14630

PLATE, MARK

SN: 16001-@

1шт.

9

195-98-24250

STRIPE

SN: 16001-@

1шт.

10

195-98-24280

STRIPE

SN: 16001-@

1шт.

11

195-98-24240

STRIPE

SN: 16001-@

1шт.

12

195-98-24250

STRIPE

SN: 16001-@

1шт.

13

09960-11084

PLATE, MARK

SN: 16001-@

4шт.

14

195-98-25320

STRIPE,L.H.

SN: 16001-@

1шт.

15

195-98-24110

STRIPE,L.H.

SN: 16001-@

1шт.

16

09620-02200

PLATE, NAME,(EXCEPT USA AND CANADA)

SN: 16001-@

1шт.

16

04418-13060

SCREW

SN: 16001-@

4шт.

17

195-98-24150

STRIPE,L.H.

SN: 16001-@

1шт.

18

195-98-24160

STRIPE,L.H.

SN: 16001-@

1шт.

19

195-98-24170

STRIPE,L.H.

SN: 16001-@

1шт.

20

195-98-24140

STRIPE,L.H.

SN: 16001-@

1шт.

21

205-00-71240

PLATE, MARK,FUEL TANK, SIDE FACE

SN: 16001-16385

2шт.

22

195-98-24380

STRIPE,L.H.

SN: 16001-@

1шт.

23

195-98-24310

STRIPE,L.H.

SN: 16001-@

1шт.

24

09960-61012

PLATE, MARK

SN: 16001-@

2шт.

25

195-98-24120

STRIPE,L.H.

SN: 16001-@

1шт.

26

195-98-22170

PLATE,TRACK ADJUSTING

SN: 16001-@

2шт.

26

01220-60408

SCREW

SN: 16001-@

6шт.

27

195-98-24130

STRIPE,L.H.

SN: 16001-16385

1шт.

28

195-98-25410

PLATE, NAME,(FOR MULTI RIPPER)

SN: 16001-@

1шт.

28

195-98-25420

PLATE, NAME,(FOR GIANT RIPPER)

SN: 16001-@

1шт.

28

04418-13060

SCREW

SN: 16001-@

4шт.

29

205-00-76210

PLATE, MARK,FUEL TANK, REAR FACE

SN: 16001-@

1шт.

30

195-98-24210

STRIPE,R.H.

SN: 16001-@

1шт.

31

195-98-24180

STRIPE,R.H.

SN: 16001-@

1шт.

32

195-98-24110

STRIPE,R.H.

SN: 16001-@

1шт.

33

195-98-25330

STRIPE,R.H.

SN: 16001-@

1шт.

34

195-98-25240

STRIPE,R.H.

SN: 16001-@

1шт.

35

195-98-24390

STRIPE,R.H.

SN: 16001-@

1шт.

36

195-98-24190

STRIPE,R.H.

SN: 16001-16385

1шт.

37

195-98-24380

STRIPE,R.H.

SN: 16001-@

1шт.

38

195-98-25350

PLATE, NAME,BLADE (ANGLE DOZER)

SN: 16001-@

1шт.

38

195-98-25360

PLATE, NAME,BLADE (SEMI-U DOZER)

SN: 16001-@

1шт.

38

195-98-25370

PLATE, NAME,BLADE (U DOZER)

SN: 16001-@

1шт.

38

195-98-25380

PLATE, NAME,BLADE (DUAL TILT DOZER)

SN: 16001-@

1шт.

38

195-98-25390

PLATE, NAME,BLADE (CUSHION DOZER)

SN: 16001-@

1шт.

38

04418-13060

SCREW

SN: 16001-@

4шт.

39

195-98-24260

STRIPE,R.H.

SN: 16001-@

1шт.

40

195-98-24270

STRIPE,R.H.

SN: 16001-@

1шт.

41

195-98-24220

STRIPE,L.H.

SN: 16001-@

1шт.

42

195-98-24230

STRIPE,L.H.

SN: 16001-@

1шт.

43

09666-00200

PLATE, SAFETY,FIRE PREVENTION

SN: 16001-@

1шт.

44

09649-00201

PLATE, INSTRUCTION,ENGINE STOP

SN: 16001-@

1шт.

45

09173-00200

PLATE, SAFETY,CHECK

SN: 16001-@

1шт.

46

195-98-25271

PLATE,LUBRICATION

SN: 16305-@

1шт.

46

195-98-25270

PLATE,LUBRICATION

SN: 16001-16304

1шт.

47

195-98-13410

PLATE, CAUTION,SEAT BELT

SN: 16001-@

1шт.

48

195-98-25280

PLATE, NAME,MACHINE

SN: 16001-@

1шт.

48

04418-13060

SCREW

SN: 16001-@

4шт.

49

175-900-3560

PLATE, CAUTION,TRAVELING ON SLOPE

SN: 16001-@

1шт.

50

09654-00200

PLATE, SAFETY,SAFETY

SN: 16001-@

1шт.

51

09685-00002

PLATE, OPERATING,LOCK LEVER

SN: 16001-@

1шт.

52

09667-00200

PLATE, SAFETY,ENGINE COVER

SN: 16001-@

1шт.

53

09651-00200

PLATE, SAFETY,BEFORE OPERATING

SN: 16001-@

1шт.

54

198-98-41430

PLATE, MARK,SYMBOL

SN: 16001-@

1шт.

55

17M-98-21520

PLATE, OPERATING,LOCK LEVER, BLADE

SN: 16331-@

1шт.

55

0

PLATE, OPERATING,LOCK LEVER, BLADE

SN: 16001-16330

1шт.

56

195-98-21140

PLATE, OPERATING,BLADE TILT

SN: 16001-@

1шт.

56

195-98-23390

PLATE, OPERATING,BLADE DUAL TILT

SN: 16001-@

1шт.

57

195-98-21190

PLATE, OPERATING,HORN SWITCH

SN: 16001-@

1шт.

58

195-98-21150

PLATE, OPERATING,RIPPER CONTROL LEVER

SN: 16001-@

1шт.

59

17M-98-21520

PLATE, OPERATING,LOCK LEVER

SN: 16331-@

1шт.

59

0

PLATE, OPERATING,LOCK LEVER

SN: 16001-16330

1шт.

60

17M-98-21510

PLATE, OPERATING,PIN PULLER

SN: 16331-@

1шт.

60

0

PLATE, OPERATING,PIN PULLER

SN: 16001-16330

1шт.

61

6128-81-4371

PLATE, OPERATING,A.P.S. OPERATING

SN: 16001-@

1шт.

62

6128-82-4370

PLATE, CAUTION,A.P.S.

SN: 16001-@

1шт.

63

09685-00001

PLATE, OPERATING,LOCK LEVER

SN: 16001-@

1шт.

Выбрано товаров: 79