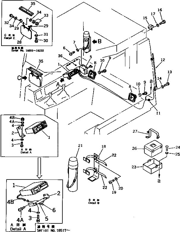
Запчасти Komatsu D375A-2 АКСЕССУАРЫ (ДЛЯ СТАЛЬНАЯ КАБИНА) ЧАСТИ КОРПУСА

Схема запчастей Komatsu D375A-2 - АКСЕССУАРЫ (ДЛЯ СТАЛЬНАЯ КАБИНА) ЧАСТИ КОРПУСА
FIT
1:1
100%

Артикул

Название

Примечание

Количество

G-1

0

RADIO CASSETTE GROUP,(FOR JAPAN)

SN: 16001-UP

1шт.

G-1

0

RADIO CASSETTE GROUP,(EXCEPT JAPAN)

SN: 16001-UP

1шт.

|$$3

====================

-1шт.

1

175-911-6151

STEREO CASSETTE A.,(FOR JAPAN)

SN: 16517-UP

1шт.

|1

175-911-6150

STEREO CASSETTE A.,(FOR JAPAN)

SN: 16001-16516

1шт.

|1

175-911-6111

STEREO CASSETTE A.,(EXCEPT JAPAN)

SN: 16517-UP

1шт.

|1

175-911-6110

STEREO CASSETTE A.,(EXCEPT JAPAN)

SN: 16001-16516

1шт.

2

195-Z11-2720

BRACKET

SN: 16517-UP

1шт.

|2

195-Z11-2260

PLATE

SN: 16001-16516

1шт.

3

01010-50616

BOLT

SN: 16517-UP

4шт.

|3

01220-40412

SCREW

SN: 16001-16516

2шт.

4

01643-30623

WASHER

SN: 16517-UP

4шт.

|4

01642-20405

WASHER

SN: 16001-16516

4шт.

4A

01023-10510

SCREW

SN: 16517-UP

6шт.

|4A

01601-20410

WASHER,SPRING

SN: 16001-16516

2шт.

4B

08017-30705

CONDUIT

SN: 16517-UP

1шт.

|4B

01580-10403

NUT

SN: 16001-16516

2шт.

5

195-Z11-3940

BATTERY

SN: 16517-UP

1шт.

|5

175-911-6120

CONVERTER

SN: 16001-16516

1шт.

6

08034-00519

BAND

SN: 16517-UP

4шт.

|6

195-979-7720

SCREW

SN: 16001-16516

6шт.

7

01601-20410

WASHER,SPRING

SN: 16001-UP

6шт.

8

175-911-6131

SPEAKER

SN: 16517-UP

2шт.

|8

175-911-6130

SPEAKER

SN: 16001-16516

2шт.

9

195-979-7720

SCREW

SN: 16001-UP

8шт.

10

01601-20410

WASHER,SPRING

SN: 16001-UP

8шт.

11

08037-01008

GROMMET

SN: 16001-UP

1шт.

12

175-911-6140

ANTENNA ASS'Y

SN: 16001-UP

1шт.

13

195-979-7720

SCREW

SN: 16001-UP

2шт.

14

01601-20410

WASHER,SPRING

SN: 16001-UP

2шт.

15

195-Z11-3110

PLATE

SN: 16001-UP

1шт.

16

01010-50620

BOLT

SN: 16001-UP

2шт.

17

01643-30623

WASHER

SN: 16001-UP

2шт.

|$$34

====================

-1шт.

G-2

0

VACUUM FLASK GROUP

SN: 16001-UP

1шт.

|$$36

====================

-1шт.

18

195-Z11-3170

BRACKET

SN: 16001-UP

1шт.

19

195-979-7710

SCREW

SN: 16001-UP

4шт.

20

01642-20508

WASHER

SN: 16001-UP

4шт.

21

195-911-1722

FLASK,VACUUM

SN: 16001-UP

1шт.

22

195-911-1330

BAND

SN: 16001-UP

2шт.

|$$42

====================

-1шт.

23

195-Z11-2990

COVER

SN: 16001-UP

1шт.

24

195-979-7720

SCREW

SN: 16001-UP

3шт.

25

01642-20405

WASHER

SN: 16001-UP

3шт.

26

195-911-6531

BOX

SN: 16001-UP

1шт.

27

195-911-6562

BAND

SN: 16001-UP

1шт.

28

195-Z11-3950

SUN VISOR

SN: 16001-16232

1шт.

29

195-Z11-3960

BRACKET

SN: 16001-16232

2шт.

30

01220-40625

SCREW

SN: 16001-16232

4шт.

31

01602-20619

WASHER

SN: 16001-16232

4шт.

32

01220-40830

SCREW

SN: 16001-16232

2шт.

33

01580-10806

NUT

SN: 16001-16232

4шт.

34

01643-30823

WASHER

SN: 16001-16232

4шт.

35

195-Z11-3980

COVER

SN: 16001-16232

1шт.

36

198-911-8230

WIRING HARNESS

SN: 16001-UP

1шт.

Выбрано товаров: 0