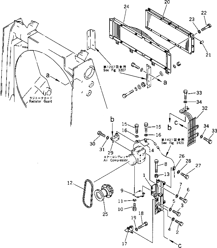
Запчасти Komatsu D375A-2 КОМПРЕССОР И КОНДЕНСАТОР КОМПОНЕНТЫ(№-9) ЧАСТИ КОРПУСА

Схема запчастей Komatsu D375A-2 - КОМПРЕССОР И КОНДЕНСАТОР КОМПОНЕНТЫ(№-9) ЧАСТИ КОРПУСА
FIT
1:1
100%

Артикул

Название

Примечание

Количество

1

195-Z11-5143

BRACKET

SN: 16001-16490

1шт.

2

01010-51030

BOLT

SN: 16001-@

2шт.

3

01010-51235

BOLT

SN: 16001-@

2шт.

4

01643-31032

WASHER

SN: 16001-@

2шт.

5

01643-31232

WASHER

SN: 16001-@

2шт.

6

01010-50825

BOLT

SN: 16001-@

4шт.

7

154-61-16570

WASHER

SN: 16001-@

4шт.

8

01016-31290

BOLT

SN: 16001-16490

1шт.

9

195-Z11-5150

PLATE

SN: 16001-16490

1шт.

10

01010-50835

BOLT

SN: 16001-16490

4шт.

11

01602-20825

WASHER,SPRING

SN: 16001-16490

4шт.

12

04120-21748

V-BELT

SN: 16001-@

1шт.

13

01580-11210

NUT

SN: 16001-16490

1шт.

14

08036-10810

CLIP

SN: 16001-16490

2шт.

15

01010-51020

BOLT

SN: 16001-16490

2шт.

16

01643-31032

WASHER

SN: 16001-16490

2шт.

17

195-Z11-7651

BRACKET

SN: 16001-@

1шт.

18

01010-51285

BOLT

SN: 16001-@

2шт.

19

01643-31232

WASHER

SN: 16001-@

2шт.

|20

195-Z11-6400

CONDENSER ASS'Y

SN: 16001-16490

1шт.

20

195-Z11-5200

CONDENSER ASS'Y

SN: 16001-16490

1шт.

21

195-Z11-6320

SPACER

SN: 16001-@

4шт.

22

01010-51070

BOLT

SN: 16001-@

8шт.

23

01643-31032

WASHER

SN: 16001-@

8шт.

24

195-Z11-5111

BRACKET

SN: 16001-@

1шт.

25

6162-23-3200

DRIVE ASS'Y

SN: 16001-@

1шт.

26

21T-38-12270

CLIP

SN: 16001-@

1шт.

27

01010-51020

BOLT

SN: 16001-@

1шт.

28

01643-31032

WASHER

SN: 16001-@

1шт.

29

195-Z11-7780

BRACKET

SN: 16001-16490

1шт.

30

01010-50820

BOLT

SN: 16001-16490

2шт.

31

01643-30823

WASHER

SN: 16001-16490

2шт.

32

195-Z11-7770

NET

SN: 16001-16490

1шт.

33

01010-51025

BOLT

SN: 16001-16490

4шт.

34

01643-31032

WASHER

SN: 16001-16490

4шт.

Выбрано товаров: 35