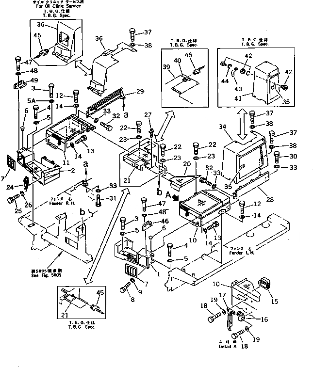
Запчасти Komatsu D375A-2 ПОЛ КАБИНЫ (EC СПЕЦ-Я.) ЧАСТИ КОРПУСА

Схема запчастей Komatsu D375A-2 - ПОЛ КАБИНЫ (EC СПЕЦ-Я.) ЧАСТИ КОРПУСА
FIT
1:1
100%

Артикул

Название

Примечание

Количество

1

195-54-61220

COVER,L.H.

SN: 16551-UP

1шт.

2

195-54-61230

COVER,R.H.

SN: 16551-UP

1шт.

3

01010-51225

BOLT

SN: 16001-UP

8шт.

4

01010-51245

BOLT

SN: 16001-UP

2шт.

5

01643-31232

WASHER

SN: 16019-UP

6шт.

5A

175-54-34170

WASHER

SN: 16019-UP

4шт.

6

195-54-42981

CAP

SN: 16001-UP

2шт.

7

195-54-53180

COVER

SN: 16001-UP

2шт.

8

01010-51225

BOLT

SN: 16019-UP

8шт.

9

01643-31232

WASHER

SN: 16019-UP

8шт.

10

195-54-53130

COVER,L.H.

SN: 16001-UP

1шт.

11

195-54-53140

COVER,R.H.

SN: 16001-UP

1шт.

12

01010-51225

BOLT

SN: 16001-UP

10шт.

13

01010-51220

BOLT

SN: 16001-UP

2шт.

14

01643-31232

WASHER

SN: 16001-UP

12шт.

15

209-54-12280

HANDLE

SN: 16001-UP

2шт.

16

205-54-67660

SUPPORT

SN: 16001-UP

2шт.

17

205-54-76530

CATCHER

SN: 16001-UP

2шт.

|17

205-54-76260

CATCHER,(T.B.G. SPEC.)

SN: 16001-UP

2шт.

18

01010-50820

BOLT

SN: 16001-UP

8шт.

19

01643-30823

WASHER

SN: 16001-UP

8шт.

20

195-54-53150

COVER,L.H.

SN: 16001-UP

1шт.

21

195-54-53660

COVER,R.H.

SN: 16283-UP

1шт.

22

01010-51225

BOLT

SN: 16001-UP

9шт.

23

01643-31232

WASHER

SN: 16001-UP

9шт.

24

195-57-11530

CATCHER

SN: 16001-UP

1шт.

25

01220-40512

SCREW

SN: 16001-UP

3шт.

26

01601-20513

WASHER,SPRING

SN: 16001-UP

3шт.

27

09459-20000

LOCK

SN: .-UP

2шт.

|27

09459-00000

LOCK

SN: 16283-.

2шт.

28

195-54-42270

COVER,L.H.

SN: 16001-UP

1шт.

29

195-54-42281

COVER,R.H.

SN: 16001-UP

1шт.

30

01010-51225

BOLT

SN: 16001-UP

2шт.

31

01010-51230

BOLT

SN: 16001-UP

2шт.

32

01010-51220

BOLT

SN: 16001-UP

4шт.

33

01643-31232

WASHER

SN: 16001-UP

8шт.

34

195-54-42151

COVER,L.H.

SN: 16001-UP

1шт.

|34

195-54-42250

COVER,L.H.(W/O ROPS¤ W/EXTINGUISHER)

SN: 16001-UP

1шт.

35

195-54-42200

LOCK ASS'Y (WELDED)

SN: 16001-UP

1шт.

36

195-54-42161

COVER,R.H.

SN: 16001-UP

1шт.

|36

195-54-53670

COVER,R.H. (T.B.G. SPEC.)

SN: 16357-UP

1шт.

|36

195-54-53670

COVER,R.H. (FOR OIL CLINIC SERVICE)

SN: 16357-UP

1шт.

37

01010-51225

BOLT

SN: 16001-UP

13шт.

38

01643-31232

WASHER

SN: 16001-UP

13шт.

39

195-54-53260

COVER,(T.B.G. SPEC.)

SN: 16001-UP

1шт.

40

09463-00004

PLATE,(T.B.G. SPEC.) (WELDED)

SN: 16001-UP

2шт.

41

195-54-53270

COVER,(T.B.G. SPEC.)

SN: 16001-UP

1шт.

42

421-54-11381

LOCK,(T.B.G. SPEC.)

SN: 16001-UP

1шт.

43

195-54-52780

PLATE,(T.B.G. SPEC.)

SN: 16001-UP

1шт.

44

113-40-31160

RING,(T.B.G. SPEC.)

SN: 16001-UP

1шт.

45

09460-00000

LOCK,(T.B.G. SPEC.)

SN: 16001-UP

3шт.

46

198-54-47250

HANDLE,L.H.

SN: 16551-UP

1шт.

47

01010-51225

BOLT

SN: 16551-UP

8шт.

48

01643-31232

WASHER

SN: 16551-UP

8шт.

49

198-54-47260

HANDLE,R.H.

SN: 16551-UP

1шт.

Выбрано товаров: 0