Запчасти Komatsu SA6D170-B-1J-R МАСЛ. ФИЛЬТР СИСТЕМА СМАЗКИ МАСЛ. СИСТЕМА

Схема запчастей Komatsu SA6D170-B-1J-R - МАСЛ. ФИЛЬТР СИСТЕМА СМАЗКИ МАСЛ. СИСТЕМА
1
2
3
4
5
6
7
7
8
9
10
11
12
13
14
15
16
17
17
18
19
20
20
20
20
21
21
21
21
22
23
24
25
26
26
26
27
27
27
28
1
2
3
4
5
6
7
7
8
9
10
11
12
13
14
15
16
17
17
18
19
20
20
20
20
21
21
21
21
22
23
24
25
26
26
26
27
27
27
28
FIT
1:1
100%

Артикул

Название

Примечание

Количество

|$0

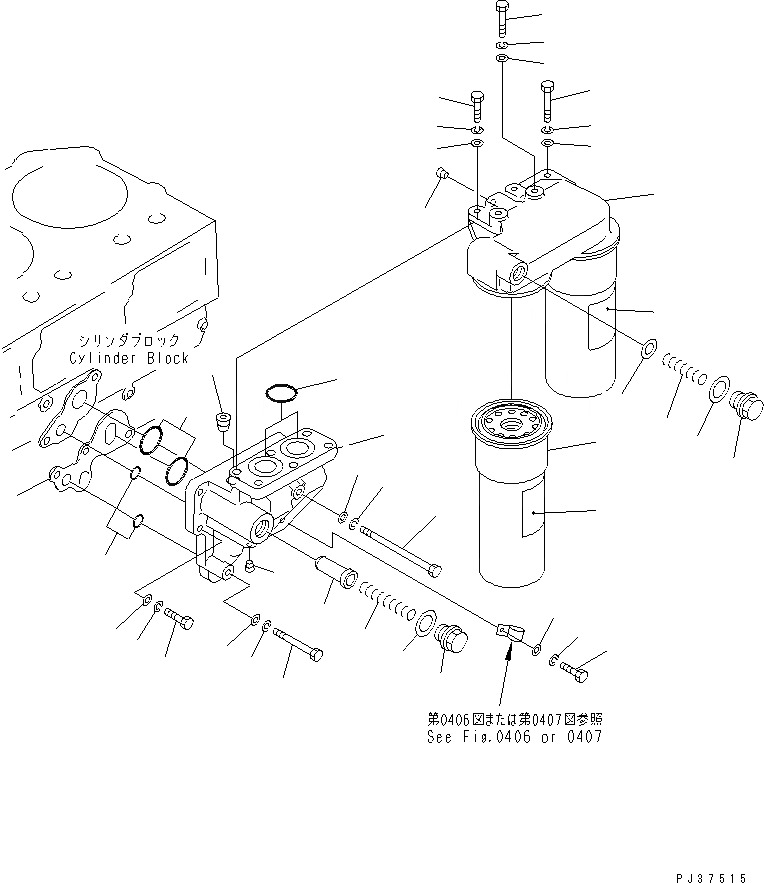
6162-53-5800

OIL FILTER ASS'Y

SN: 13551-UP

1шт.

|$1

6162-53-5200

OIL FILTER ASS'Y,(B)

SN: 13551-UP

1шт.

1

6162-53-5310

BRACKET

SN: 13551-UP

1шт.

2

07043-00312

PLUG

SN: 13551-UP

1шт.

3

6162-53-5450

PACKING

SN: 13551-UP

1шт.

4

600-211-1870

SPRING

SN: 13551-UP

1шт.

5

6162-53-5420

CAP

SN: 13551-UP

1шт.

6

6162-53-5430

PACKING

SN: 13551-UP

1шт.

7

600-211-1230

CARTRIDGE

SN: 13551-UP

2шт.

7

600-211-1290

CARTRIDGE,(B)

SN: 13551-UP

2шт.

|$10

6162-53-5500

ADAPTER ASS'Y

SN: 13551-UP

1шт.

8

0

ADAPTER

SN: 13551-UP

1шт.

9

07043-00415

PLUG

SN: 13551-UP

1шт.

10

07043-00108

PLUG

SN: 13551-UP

1шт.

11

6162-53-6770

PLUNGER

SN: 13551-UP

1шт.

12

6162-53-5540

SPRING

SN: 13551-UP

1шт.

13

6162-53-5520

CAP

SN: 13551-UP

1шт.

14

6162-53-5530

PACKING

SN: 13551-UP

1шт.

15

07000-63050

O-RING (K2)

SN: 13551-UP

2шт.

16

07000-63028

O-RING (K2)

SN: 13551-UP

2шт.

17

01010-31245

BOLT

SN: 13551-UP

6шт.

18

01010-31285

BOLT

SN: 13551-UP

1шт.

19

01011-31260

BOLT

SN: 13551-UP

1шт.

20

01602-01236

WASHER,SPRING

SN: 13551-UP

8шт.

21

01641-21223

WASHER

SN: 13551-UP

8шт.

22

07000-63050

O-RING (K2)

SN: 13551-UP

2шт.

23

01010-31240

BOLT

SN: 13551-UP

2шт.

24

01010-31250

BOLT

SN: 13551-UP

2шт.

25

01010-31270

BOLT

SN: 13551-UP

2шт.

26

01602-01236

WASHER,SPRING

SN: 13551-UP

6шт.

27

01640-01223

WASHER

SN: 13551-UP

6шт.

28

600-211-1771

PLATE, INSTRUCTION,(RUSSIAN)

SN: 13551-UP

1шт.

|$0

6162-53-5800

OIL FILTER ASS'Y

SN: 13551-UP

1шт.

|$1

6162-53-5200

OIL FILTER ASS'Y,(B)

SN: 13551-UP

1шт.

1

6162-53-5310

BRACKET

SN: 13551-UP

1шт.

2

07043-00312

PLUG

SN: 13551-UP

1шт.

3

6162-53-5450

PACKING

SN: 13551-UP

1шт.

4

600-211-1870

SPRING

SN: 13551-UP

1шт.

5

6162-53-5420

CAP

SN: 13551-UP

1шт.

6

6162-53-5430

PACKING

SN: 13551-UP

1шт.

7

600-211-1230

CARTRIDGE

SN: 13551-UP

2шт.

7

600-211-1290

CARTRIDGE,(B)

SN: 13551-UP

2шт.

|$10

6162-53-5500

ADAPTER ASS'Y

SN: 13551-UP

1шт.

8

0

ADAPTER

SN: 13551-UP

1шт.

9

07043-00415

PLUG

SN: 13551-UP

1шт.

10

07043-00108

PLUG

SN: 13551-UP

1шт.

11

6162-53-6770

PLUNGER

SN: 13551-UP

1шт.

12

6162-53-5540

SPRING

SN: 13551-UP

1шт.

13

6162-53-5520

CAP

SN: 13551-UP

1шт.

14

6162-53-5530

PACKING

SN: 13551-UP

1шт.

15

07000-63050

O-RING (K2)

SN: 13551-UP

2шт.

16

07000-63028

O-RING (K2)

SN: 13551-UP

2шт.

17

01010-31245

BOLT

SN: 13551-UP

6шт.

18

01010-31285

BOLT

SN: 13551-UP

1шт.

19

01011-31260

BOLT

SN: 13551-UP

1шт.

20

01602-01236

WASHER,SPRING

SN: 13551-UP

8шт.

21

01641-21223

WASHER

SN: 13551-UP

8шт.

22

07000-63050

O-RING (K2)

SN: 13551-UP

2шт.

23

01010-31240

BOLT

SN: 13551-UP

2шт.

24

01010-31250

BOLT

SN: 13551-UP

2шт.

25

01010-31270

BOLT

SN: 13551-UP

2шт.

26

01602-01236

WASHER,SPRING

SN: 13551-UP

6шт.

27

01640-01223

WASHER

SN: 13551-UP

6шт.

28

600-211-1771

PLATE, INSTRUCTION,(RUSSIAN)

SN: 13551-UP

1шт.

Выбрано товаров: 64