Запчасти Komatsu SA6D170-B-1J ГЛУШИТЕЛЬ И КРЕПЛЕНИЕ ГОЛОВКА ЦИЛИНДРОВ

Схема запчастей Komatsu SA6D170-B-1J - ГЛУШИТЕЛЬ И КРЕПЛЕНИЕ ГОЛОВКА ЦИЛИНДРОВ
1
2
3
4
4
5
6
7
8
9
9A
10
11
12
13
14
15
16
17
18
19
20
21
1
2
3
4
4
5
6
7
8
9
9A
10
11
12
13
14
15
16
17
18
19
20
21
FIT
1:1
100%

Артикул

Название

Примечание

Количество

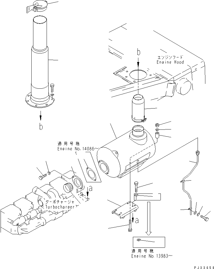
1

6162-13-5602

MUFFLER

SN: 13551-UP

1шт.

2

6162-13-5350

BRACKET

SN: 13551-UP

1шт.

3

01010-51280

BOLT

SN: .-UP

4шт.

3

0

BOLT

SN: 13551-.

4шт.

4

01643-51232

WASHER

SN: 13983-UP

4шт.

4

0

WASHER,SPRING

SN: 13551-13982

4шт.

5

01010-61280

BOLT

SN: 13551-UP

4шт.

6

6142-22-4640

SPACER

SN: 13551-UP

4шт.

7

01580-11210

NUT

SN: .-UP

4шт.

7

0

NUT

SN: 13551-.

4шт.

8

01643-31232

WASHER

SN: 13551-UP

4шт.

9

6162-14-5570

FLANGE

SN: 13551-UP

1шт.

9A

6162-14-5540

GASKET (K1)

SN: 14086-UP

1шт.

10

01010-51030

BOLT

SN: .-UP

2шт.

10

0

BOLT

SN: 13551-.

2шт.

11

01602-01030

WASHER,SPRING

SN: 13551-UP

2шт.

12

6162-13-5432

JOINT

SN: 13551-UP

1шт.

13

6162-13-5523

TUBE

SN: 13551-UP

1шт.

14

6162-13-5660

CLAMP

SN: 13551-UP

1шт.

15

6162-14-5880

CLIP

SN: 13551-UP

1шт.

16

01010-31835

BOLT

SN: 13551-UP

1шт.

17

01602-01854

WASHER,SPRING

SN: 13551-UP

1шт.

18

01640-01826

WASHER

SN: 13551-UP

1шт.

19

6162-13-5230

PIPE

SN: 13551-UP

1шт.

20

6162-13-5220

PIPE,EXHAUST

SN: 13551-UP

1шт.

21

6164-12-5900

CAP,RAIN

SN: 13551-UP

1шт.

21

0

CAP,RAIN

SN: (13551-13847)

1шт.

1

6162-13-5602

MUFFLER

SN: 13551-UP

1шт.

2

6162-13-5350

BRACKET

SN: 13551-UP

1шт.

3

01010-51280

BOLT

SN: .-UP

4шт.

3

0

BOLT

SN: 13551-.

4шт.

4

01643-51232

WASHER

SN: 13983-UP

4шт.

4

0

WASHER,SPRING

SN: 13551-13982

4шт.

5

01010-61280

BOLT

SN: 13551-UP

4шт.

6

6142-22-4640

SPACER

SN: 13551-UP

4шт.

7

01580-11210

NUT

SN: .-UP

4шт.

7

0

NUT

SN: 13551-.

4шт.

8

01643-31232

WASHER

SN: 13551-UP

4шт.

9

6162-14-5570

FLANGE

SN: 13551-UP

1шт.

9A

6162-14-5540

GASKET (K1)

SN: 14086-UP

1шт.

10

01010-51030

BOLT

SN: .-UP

2шт.

10

0

BOLT

SN: 13551-.

2шт.

11

01602-01030

WASHER,SPRING

SN: 13551-UP

2шт.

12

6162-13-5432

JOINT

SN: 13551-UP

1шт.

13

6162-13-5523

TUBE

SN: 13551-UP

1шт.

14

6162-13-5660

CLAMP

SN: 13551-UP

1шт.

15

6162-14-5880

CLIP

SN: 13551-UP

1шт.

16

01010-31835

BOLT

SN: 13551-UP

1шт.

17

01602-01854

WASHER,SPRING

SN: 13551-UP

1шт.

18

01640-01826

WASHER

SN: 13551-UP

1шт.

19

6162-13-5230

PIPE

SN: 13551-UP

1шт.

20

6162-13-5220

PIPE,EXHAUST

SN: 13551-UP

1шт.

21

6164-12-5900

CAP,RAIN

SN: 13551-UP

1шт.

21

0

CAP,RAIN

SN: (13551-13847)

1шт.

Выбрано товаров: 54