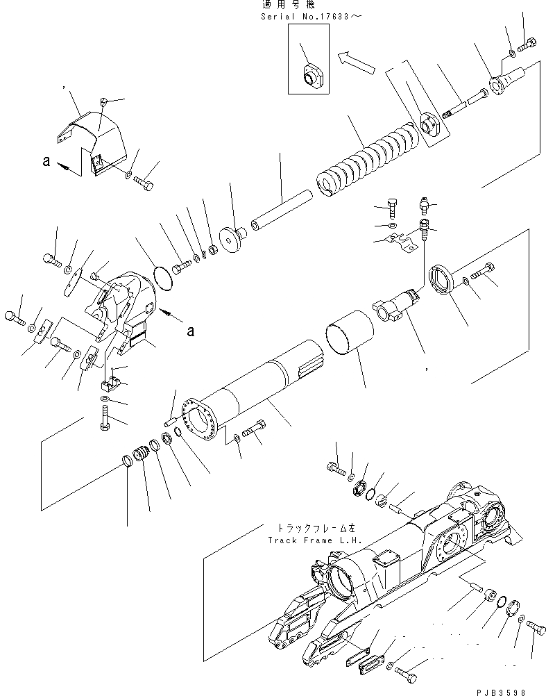
Запчасти Komatsu D375A-3-01 ПРУЖИНА ( ОПОРНЫЙ КАТОК) ХОДОВАЯ

Схема запчастей Komatsu D375A-3-01 - ПРУЖИНА ( ОПОРНЫЙ КАТОК) ХОДОВАЯ
1
2
3
4
4
5
6
7
8
9
10
11
12
13
14
15
16
17
18
19
20
21
22
23
24
24
25
26
27
28
29
30
31
32
33
34
35
36
37
38
39
40
40
41
41
42
42
43
43
44
44
45
45
46
47
48
49
50
51
52
53
54
55
55
56
56
57
58
59
60
FIT
1:1
100%

Артикул

Название

Примечание

Количество

1

195-30-64211

SPRING

SN: 17001-UP

2шт.

2

195-30-64251

SPACER

SN: 17001-UP

2шт.

3

195-30-34220

PILOT

SN: 17001-UP

2шт.

4

195-30-51450

PILOT

SN: 17001-UP

2шт.

5

195-30-64241

BOLT

SN: 17001-UP

2шт.

6

198-30-14233

NUT

SN: 17001-UP

2шт.

7

198-30-14242

PLATE

SN: 17001-UP

2шт.

8

01010-81230

BOLT

SN: 17001-UP

2шт.

9

01643-31232

WASHER

SN: 17001-UP

2шт.

10

195-30-51430

HOLDER

SN: 17001-UP

2шт.

11

01010-81245

BOLT

SN: 17001-UP

12шт.

12

01643-31232

WASHER

SN: 17001-UP

12шт.

|13

195-30-01112

CASE ASS'Y

SN: 17001-UP

2шт.

13

195-30-34121

BUSHING

SN: 17001-UP

1шт.

14

195-30-34340

RING

SN: 17001-UP

2шт.

15

01010-81280

BOLT

SN: 17001-UP

16шт.

16

01643-31232

WASHER

SN: 17001-UP

16шт.

17

195-30-51481

CYLINDER,L.H.

SN: 17001-UP

1шт.

18

195-30-34380

PLATE

SN: 17001-UP

2шт.

19

01010-81020

BOLT

SN: 17001-UP

4шт.

20

01643-31032

WASHER

SN: 17001-UP

4шт.

21

07959-30000

VALVE

SN: 17001-UP

2шт.

22

07020-00000

FITTING,GREASE

SN: 17001-UP

2шт.

23

195-30-34331

PISTON

SN: 17001-UP

2шт.

24

198-30-14270

RING

SN: 17001-UP

4шт.

25

195-30-34420

PACKING

SN: 17001-UP

2шт.

26

04064-01030

RING,SNAP

SN: 17001-UP

2шт.

27

195-30-34170

BOLT

SN: 17001-UP

36шт.

28

01643-32780

WASHER

SN: 17001-UP

36шт.

29

195-30-64161

YOKE

SN: 17001-UP

2шт.

30

17M-30-29320

COVER

SN: 17001-UP

4шт.

31

01010-62045

BOLT

SN: 17001-UP

8шт.

32

01643-32060

WASHER

SN: 17001-UP

8шт.

33

04020-01434

PIN,DOWEL

SN: 17001-UP

2шт.

34

07000-15295

O-RING

SN: 17001-UP

2шт.

|34

07000-55295

O-RING,(B)

SN: 17001-UP

2шт.

35

195-30-64121

COVER,L.H.

SN: 17001-UP

1шт.

36

07049-01215

PLUG

SN: 17001-UP

2шт.

37

01010-62040

BOLT

SN: 17001-UP

12шт.

38

01643-32060

WASHER

SN: 17001-UP

12шт.

39

07049-02025

PLUG

SN: 17001-UP

2шт.

40

195-30-51470

GUIDE

SN: 17001-UP

4шт.

41

04022-20040

PIN

SN: 17001-UP

4шт.

42

195-30-34360

COVER

SN: 17001-UP

4шт.

43

07000-12135

O-RING

SN: 17001-UP

4шт.

|43

07000-52135

O-RING,(B)

SN: 17001-UP

4шт.

44

01010-61645

BOLT

SN: 17001-UP

24шт.

45

01643-31645

WASHER

SN: 17001-UP

24шт.

46

195-30-51580

GUIDE

SN: 17001-UP

4шт.

47

195-30-05060

SHIM ASS'Y

SN: 17001-UP

4шт.

|47

0

SHIM¤ 0.5MM

SN: 17001-UP

1шт.

|47

0

SHIM¤ 1.0MM

SN: 17001-UP

10шт.

48

01010-62465

BOLT

SN: 17001-UP

16шт.

49

01643-32460

WASHER

SN: 17001-UP

16шт.

50

195-30-64131

COVER,R.H.

SN: 17001-UP

1шт.

51

195-30-51491

CYLINDER,R.H.

SN: 17001-UP

1шт.

52

195-30-61401

CASE

SN: 17001-UP

2шт.

53

195-30-64171

COVER,L.H.

SN: 17001-UP

2шт.

54

195-30-64181

COVER,R.H.

SN: 17001-UP

2шт.

55

01010-62085

BOLT

SN: 17001-UP

8шт.

56

01643-32060

WASHER

SN: 17001-UP

8шт.

57

195-30-51570

CAP

SN: 17001-UP

4шт.

58

195-09-18490

BOLT

SN: 17001-UP

16шт.

59

01643-32780

WASHER

SN: 17001-UP

16шт.

60

04260-01905

BALL

SN: 17001-UP

2шт.

Выбрано товаров: 65