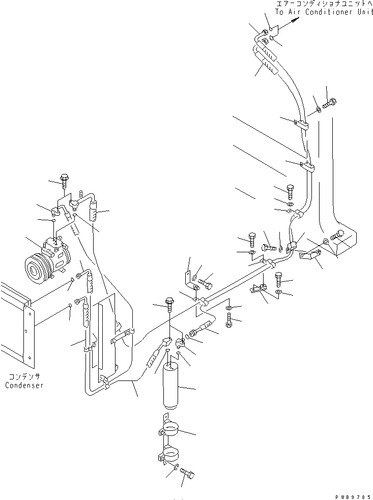
Запчасти Komatsu D375A-3 ТРУБКИ КОНДИЦИОНЕРА (ВЫСОК. ЕМК. КОНДИЦ. ВОЗДУХА)(№7-77) КОМПОНЕНТЫ ДВИГАТЕЛЯ

Схема запчастей Komatsu D375A-3 - ТРУБКИ КОНДИЦИОНЕРА (ВЫСОК. ЕМК. КОНДИЦ. ВОЗДУХА)(№7-77) КОМПОНЕНТЫ ДВИГАТЕЛЯ
1
2
2
3
3
4
4
5
5
6
7
8
9
10
10
11
11
12
12
13
13
14
15
16
17
18
19
20
21
22
23
24
25
26
27
28
29
30
31
32
33
34
34
34
35
35
36
36
37
38
FIT
1:1
100%

Артикул

Название

Примечание

Количество

1

20Y-979-3111

AIR COMPRESSOR A.

SN: 17501-@

1шт.

2

195-911-7110

HOSE

SN: 17501-@

1шт.

3

20Y-979-3140

O-RING

SN: 17501-@

2шт.

4

195-911-7120

HOSE

SN: 17501-@

1шт.

5

20Y-979-3150

O-RING

SN: 17501-@

2шт.

6

20Y-979-3120

TANK

SN: 17501-@

1шт.

7

195-911-7170

HOLDER

SN: 17501-@

1шт.

8

17A-911-1671

JOINT

SN: 17501-@

1шт.

9

20Y-979-3150

O-RING

SN: 17501-@

1шт.

10

195-911-8112

HOSE

SN: 17501-@

1шт.

11

20Y-979-3150

O-RING

SN: 17501-@

2шт.

12

195-911-8122

HOSE

SN: 17501-@

1шт.

13

20Y-979-3130

O-RING

SN: 17501-@

2шт.

14

01010-80820

BOLT

SN: 17501-@

2шт.

15

01602-20825

WASHER

SN: 17501-@

2шт.

16

195-Z11-5190

BRACKET

SN: 17501-@

1шт.

17

01011-81080

BOLT

SN: 17501-@

1шт.

18

01643-31032

WASHER

SN: 17501-@

1шт.

19

195-Z11-7250

CLIP

SN: 17501-@

1шт.

20

01010-81225

BOLT

SN: 17501-@

1шт.

21

01643-31232

WASHER

SN: 17501-@

1шт.

22

154-06-41390

BRACKET

SN: 17501-@

1шт.

23

01010-81275

BOLT

SN: 17501-@

1шт.

24

01643-31232

WASHER

SN: 17501-@

1шт.

25

195-Z11-7250

CLIP

SN: 17501-17507

1шт.

26

01010-81225

BOLT

SN: 17501-17507

1шт.

27

01643-31232

WASHER

SN: 17501-17507

1шт.

28

195-Z11-7240

PLATE

SN: 17501-17507

1шт.

29

01010-80825

BOLT

SN: 17501-17507

1шт.

30

01643-30823

WASHER

SN: 17501-17507

1шт.

31

195-Z11-7250

CLIP

SN: 17501-@

1шт.

32

01010-81225

BOLT

SN: 17501-@

1шт.

33

01643-31232

WASHER

SN: 17501-@

1шт.

34

195-Z11-7250

CLIP

SN: 17501-@

3шт.

35

01010-81225

BOLT

SN: 17501-@

3шт.

36

01643-31232

WASHER

SN: 17501-@

3шт.

37

01435-00625

BOLT

SN: 17501-@

2шт.

38

01435-00630

BOLT

SN: 17501-@

2шт.

Выбрано товаров: 0