Запчасти Komatsu D375A-3A-01 КАПОТ И БОКОВ. КРЫШКА (OPEN) (С ПРЕФИЛЬТР)(№7-) ЧАСТИ КОРПУСА

Схема запчастей Komatsu D375A-3A-01 - КАПОТ И БОКОВ. КРЫШКА (OPEN) (С ПРЕФИЛЬТР)(№7-) ЧАСТИ КОРПУСА
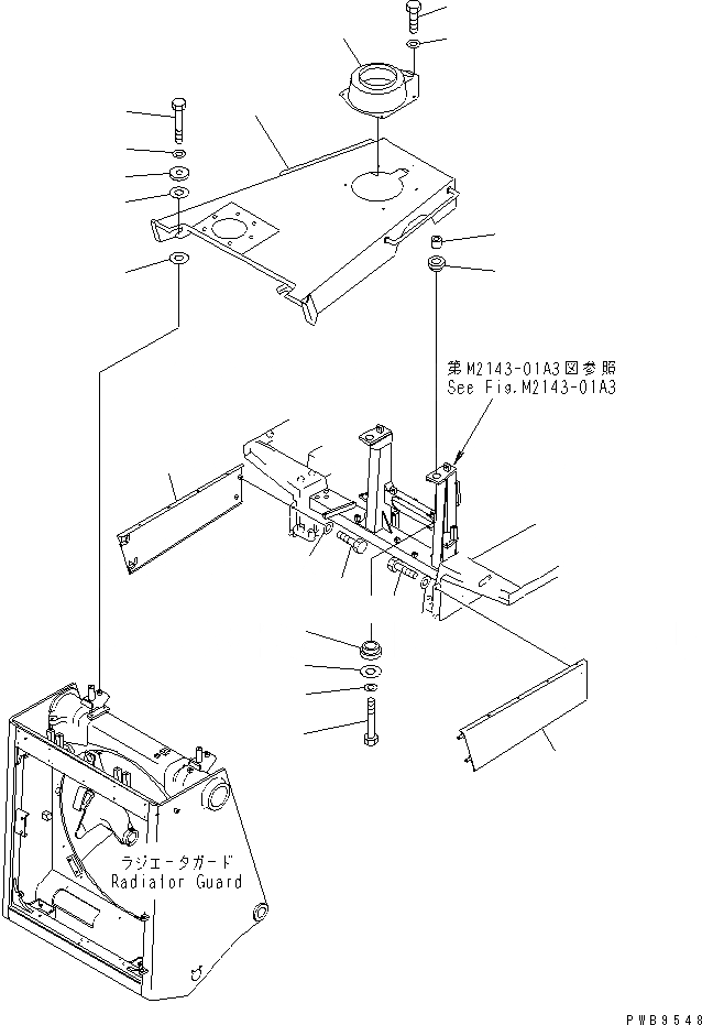
1
2
2
3
4
5
6
7
8
8
9
10
11
12
13
14
15
16
17
18
19
FIT
1:1
100%

Артикул

Название

Примечание

Количество

1

195-54-66162

HOOD

SN: 17501-UP

1шт.

2

195-54-42550

CUSHION

SN: 17501-UP

4шт.

3

195-54-42560

BOSS

SN: 17501-UP

2шт.

4

195-54-42570

PLATE

SN: 17501-UP

2шт.

5

01010-62075

BOLT

SN: 17501-UP

2шт.

6

01643-32060

WASHER

SN: 17501-UP

2шт.

7

195-54-42680

PLATE

SN: 17501-UP

2шт.

8

195-54-46180

PLATE

SN: 17501-UP

4шт.

9

01010-61635

BOLT

SN: 17501-UP

2шт.

10

01643-31645

WASHER

SN: 17501-UP

2шт.

11

195-54-42841

COVER,L.H.

SN: 17501-UP

1шт.

12

01010-81225

BOLT

SN: 17501-UP

2шт.

13

01643-31232

WASHER

SN: 17501-UP

2шт.

14

195-54-42851

COVER,R.H.

SN: 17501-UP

1шт.

15

01010-81225

BOLT

SN: 17501-UP

2шт.

16

01643-31232

WASHER

SN: 17501-UP

2шт.

17

195-54-68371

COVER,(AIR INTAKE ON HOOD)

SN: 17501-UP

1шт.

18

195-54-43210

BOLT

SN: 17501-UP

5шт.

19

01643-31232

WASHER

SN: 17501-UP

5шт.

Выбрано товаров: 19