Запчасти Komatsu D375A-3A-01 ПАЛЕЦ PULLER ЛИНИЯ (С ГИГАНТСК. РЫХЛИТ)(№7-) ГИДРАВЛИКА

Схема запчастей Komatsu D375A-3A-01 - ПАЛЕЦ PULLER ЛИНИЯ (С ГИГАНТСК. РЫХЛИТ)(№7-) ГИДРАВЛИКА
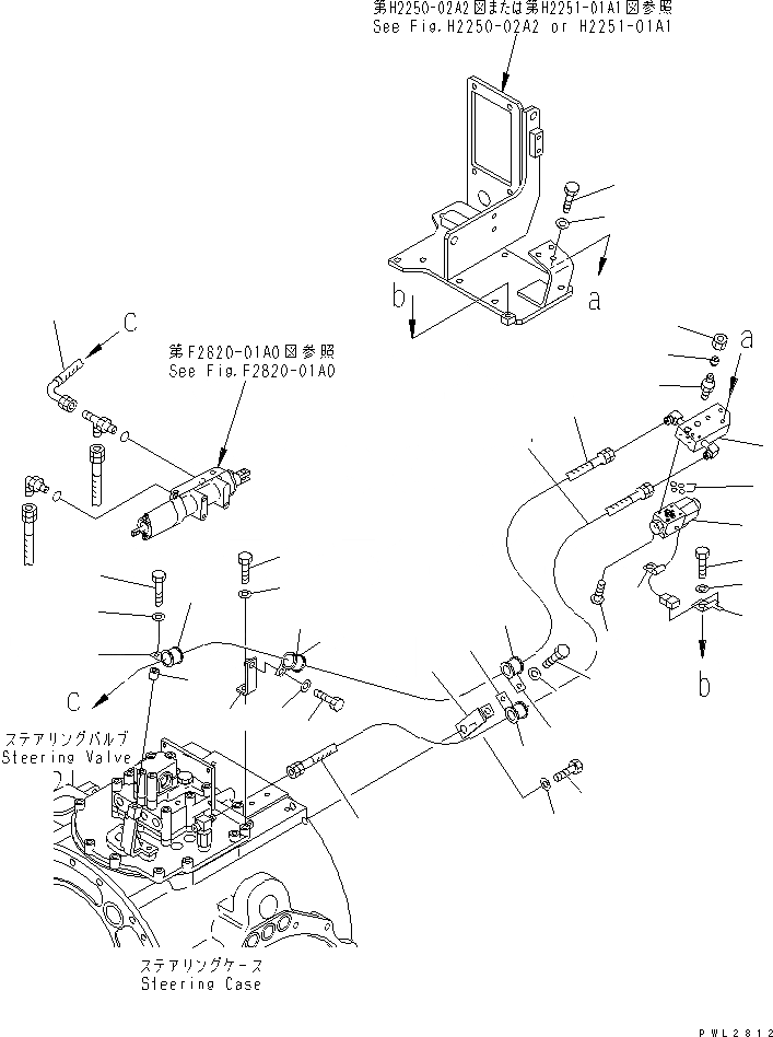
1
2
3
4
5
6
7
8
9
10
11
12
13
14
14
14A
14A
15
15
16
16
17
18
19
20
21
22
22
23
23
24
25
26
26
27
28
29
30
FIT
1:1
100%

Артикул

Название

Примечание

Количество

1

195-78-72330

BLOCK

SN: 17001-UP

1шт.

2

07238-10315

CONNECTOR

SN: 17001-UP

2шт.

3

07221-20315

NUT

SN: 17001-UP

2шт.

4

07222-00312

PLUG

SN: 17001-UP

2шт.

5

195-79-52190

VALVE

SN: 17001-UP

1шт.

6

07000-11009

O-RING

SN: 17001-UP

4шт.

7

01220-40545

SCREW

SN: 17001-UP

4шт.

8

01010-81025

BOLT

SN: 17001-UP

3шт.

9

01643-31032

WASHER

SN: 17001-UP

3шт.

10

08053-01512

CLIP

SN: 17001-UP

1шт.

11

01010-81220

BOLT

SN: 17001-UP

1шт.

12

01643-31232

WASHER

SN: 17001-UP

1шт.

13

21T-38-12270

CLIP

SN: 17001-UP

1шт.

14

07185-00314

HOSE

SN: 17555-UP

1шт.

14A

07184-00307

HOSE

SN: 17555-UP

1шт.

15

07095-20314

CUSHION

SN: 17555-UP

2шт.

16

04434-52112

CLIP

SN: 17555-UP

2шт.

17

01010-81225

BOLT

SN: 17001-UP

1шт.

18

01643-31232

WASHER

SN: 17001-UP

1шт.

19

195-49-37150

BRACKET

SN: 17001-UP

1шт.

20

01010-81665

BOLT

SN: 17001-UP

1шт.

21

01643-31645

WASHER

SN: 17001-UP

1шт.

22

04434-52112

CLIP

SN: 17555-UP

2шт.

23

07095-20314

CUSHION

SN: 17555-UP

2шт.

24

01010-81225

BOLT

SN: 17555-UP

1шт.

25

01010-81260

BOLT

SN: 17555-UP

1шт.

26

01643-31232

WASHER

SN: 17555-UP

2шт.

27

11T-27-11180

SPACER

SN: 17555-UP

1шт.

28

198-06-46230

BRACKET

SN: 17555-UP

1шт.

29

01010-81225

BOLT

SN: 17555-UP

1шт.

30

01643-31232

WASHER

SN: 17555-UP

1шт.

Выбрано товаров: 31