Запчасти Komatsu D375A-3A КРЕПЛЕНИЕ ГЛУШИТЕЛЯ (ДЛЯ СТРАН ЕС.) (/)(№78-) КОМПОНЕНТЫ ДВИГАТЕЛЯ

Схема запчастей Komatsu D375A-3A - КРЕПЛЕНИЕ ГЛУШИТЕЛЯ (ДЛЯ СТРАН ЕС.) (/)(№78-) КОМПОНЕНТЫ ДВИГАТЕЛЯ
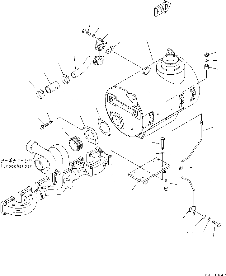
1
2
3
4
5
6
7
8
9
10
11
12
13
14
15
16
17
18
19
20
21
22
23
24
25
26
26
FIT
1:1
100%

Артикул

Название

Примечание

Количество

1

6162-15-7261

MUFFLER

SN: 17518-UP

1шт.

2

6142-22-4640

SPACER

SN: 17518-UP

4шт.

3

01010-E1285

BOLT

SN: 17518-UP

4шт.

4

01643-31232

WASHER

SN: 17518-UP

4шт.

5

01580-01210

NUT

SN: 17518-UP

4шт.

6

6162-13-7470

BRACKET

SN: 17518-UP

1шт.

7

01010-E1270

BOLT

SN: 17518-UP

4шт.

8

01643-51232

WASHER

SN: 17518-UP

4шт.

9

6162-14-5570

FLANGE

SN: 17518-UP

1шт.

10

6162-14-5540

GASKET

SN: 17518-UP

1шт.

11

01020-11030

BOLT

SN: 17518-UP

2шт.

12

01602-01030

WASHER

SN: 17518-UP

2шт.

13

6162-13-5432

JOINT

SN: 17518-UP

1шт.

14

6162-13-5524

TUBE

SN: 17518-UP

1шт.

15

6162-13-5660

CLAMP

SN: 17518-UP

1шт.

16

6162-14-5880

CLIP

SN: 17518-UP

1шт.

17

01010-51835

BOLT

SN: 17518-UP

1шт.

18

01602-21854

WASHER

SN: 17518-UP

1шт.

19

01640-21826

WASHER

SN: 17518-UP

1шт.

20

6162-13-5302

VALVE ASS'Y

SN: 17518-UP

1шт.

21

6162-13-5611

GASKET

SN: 17518-UP

2шт.

22

01010-E1025

BOLT

SN: 17518-UP

4шт.

23

01640-21016

WASHER

SN: 17518-UP

4шт.

24

6162-13-5820

PIPE

SN: 17518-UP

1шт.

25

6130-12-8620

HOSE

SN: 17518-UP

1шт.

26

07281-00709

CLAMP

SN: 17518-UP

2шт.

Выбрано товаров: 26