Запчасти Komatsu SA6D170E-2A-MC ПЕРЕДН. КРЫШКА(МОРОЗОУСТОЙЧИВ. СПЕЦИФИКАЦИЯ)(№7-99) ДВИГАТЕЛЬ

Схема запчастей Komatsu SA6D170E-2A-MC - ПЕРЕДН. КРЫШКА(МОРОЗОУСТОЙЧИВ. СПЕЦИФИКАЦИЯ)(№7-99) ДВИГАТЕЛЬ
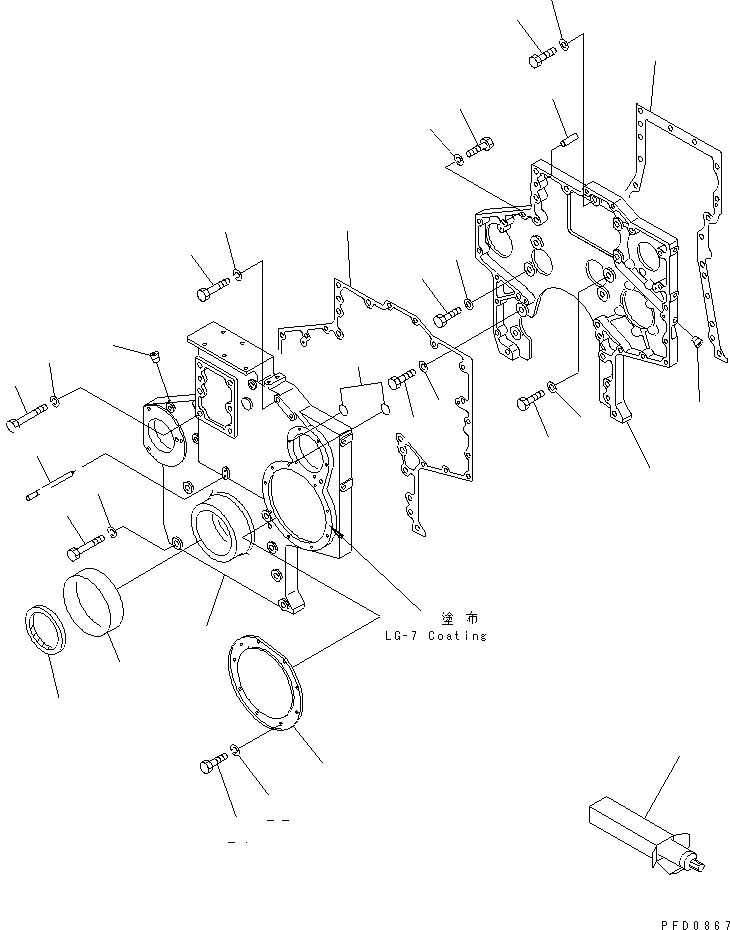
1
2
3
4
5
6
6
7
8
8
8
8
9
10
11
12
13
14
15
16
16
17
18
19
19
20
21
22
23
24
25
1
2
3
4
5
6
6
7
8
8
8
8
9
10
11
12
13
14
15
16
16
17
18
19
19
20
21
22
23
24
25
FIT
1:1
100%

Артикул

Название

Примечание

Количество

|$1

6162-23-3012

GEAR CASE ASS'Y

SN: 17353-19339

1шт.

1

0

CASE,GEAR

SN: 17353-19339

1шт.

2

07043-50108

PLUG

SN: 17353-19339

2шт.

3

04020-01434

PIN,DOWEL

SN: 17353-19339

2шт.

4

6162-23-3811

GASKET (K2)

SN: 17353-19339

1шт.

5

01010-31450

BOLT

SN: 17353-19339

3шт.

6

01010-31435

BOLT

SN: 17353-19339

4шт.

7

01010-31440

BOLT

SN: 17353-19339

2шт.

8

01643-31445

WASHER

SN: 17353-19339

9шт.

|$10

6162-25-3020

COVER ASS'Y

SN: 17353-19339

1шт.

9

0

COVER,FRONT

SN: 17353-19339

1шт.

10

6162-25-3150

BUSHING

SN: 17353-19339

1шт.

11

07043-50108

PLUG

SN: 17353-19339

1шт.

12

07046-11216

PLUG

SN: 17353-19339

4шт.

13

6162-23-3251

GASKET (K2)

SN: 17353-19339

1шт.

14

01011-31410

BOLT

SN: 17353-19339

6шт.

15

01011-31430

BOLT

SN: 17353-19339

4шт.

16

01602-01442

WASHER,SPRING

SN: 17353-19339

10шт.

17

01010-81260

BOLT

SN: 17353-19339

10шт.

18

01010-81285

BOLT

SN: 17353-19339

2шт.

19

01602-01236

WASHER,SPRING

SN: 17353-19339

12шт.

20

6162-23-3230

COVER

SN: 17353-19339

1шт.

21

01010-80816

BOLT

SN: 17353-19339

9шт.

22

01602-00825

WASHER,SPRING

SN: 17353-19339

9шт.

23

6150-22-3360

POINTER

SN: 17385-19339

1шт.

23

0

POINTER

SN: 17353-17384

1шт.

24

6162-23-3510

SEAL, FRONT (K2)

SN: 17353-19339

1шт.

24

6215-29-4320

FRONT SEAL ASS'Y,(SERVICE PART)

SN: 17353-19339

1шт.

24

0

SEAL, FRONT

SN: 17353-19339

1шт.

24

0

SLEEVE

SN: 17353-19339

1шт.

25

09920-00150

LIQUID GASKET,LG-7, 150G

SN: 17353-19339

-2шт.

|$1

6162-23-3012

GEAR CASE ASS'Y

SN: 17353-19339

1шт.

1

0

CASE,GEAR

SN: 17353-19339

1шт.

2

07043-50108

PLUG

SN: 17353-19339

2шт.

3

04020-01434

PIN,DOWEL

SN: 17353-19339

2шт.

4

6162-23-3811

GASKET (K2)

SN: 17353-19339

1шт.

5

01010-31450

BOLT

SN: 17353-19339

3шт.

6

01010-31435

BOLT

SN: 17353-19339

4шт.

7

01010-31440

BOLT

SN: 17353-19339

2шт.

8

01643-31445

WASHER

SN: 17353-19339

9шт.

|$10

6162-25-3020

COVER ASS'Y

SN: 17353-19339

1шт.

9

0

COVER,FRONT

SN: 17353-19339

1шт.

10

6162-25-3150

BUSHING

SN: 17353-19339

1шт.

11

07043-50108

PLUG

SN: 17353-19339

1шт.

12

07046-11216

PLUG

SN: 17353-19339

4шт.

13

6162-23-3251

GASKET (K2)

SN: 17353-19339

1шт.

14

01011-31410

BOLT

SN: 17353-19339

6шт.

15

01011-31430

BOLT

SN: 17353-19339

4шт.

16

01602-01442

WASHER,SPRING

SN: 17353-19339

10шт.

17

01010-81260

BOLT

SN: 17353-19339

10шт.

18

01010-81285

BOLT

SN: 17353-19339

2шт.

19

01602-01236

WASHER,SPRING

SN: 17353-19339

12шт.

20

6162-23-3230

COVER

SN: 17353-19339

1шт.

21

01010-80816

BOLT

SN: 17353-19339

9шт.

22

01602-00825

WASHER,SPRING

SN: 17353-19339

9шт.

23

6150-22-3360

POINTER

SN: 17385-19339

1шт.

23

0

POINTER

SN: 17353-17384

1шт.

24

6162-23-3510

SEAL, FRONT (K2)

SN: 17353-19339

1шт.

24

6215-29-4320

FRONT SEAL ASS'Y,(SERVICE PART)

SN: 17353-19339

1шт.

24

0

SEAL, FRONT

SN: 17353-19339

1шт.

24

0

SLEEVE

SN: 17353-19339

1шт.

25

09920-00150

LIQUID GASKET,LG-7, 150G

SN: 17353-19339

-2шт.

Выбрано товаров: 62