Запчасти Komatsu D375A-5 VHMS (С ORBCOM) КАБИНА ОПЕРАТОРА И СИСТЕМА УПРАВЛЕНИЯ

Схема запчастей Komatsu D375A-5 - VHMS (С ORBCOM) КАБИНА ОПЕРАТОРА И СИСТЕМА УПРАВЛЕНИЯ
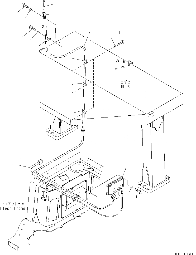
1
2
3
4
5
6
6
6
6
7
7
8
8
9
10
11
12
FIT
1:1
100%

Артикул

Название

Примечание

Количество

1

7826-12-2502

CONTROLLER

SN: 19428-UP

1шт.

1

7826-12-2302

CONTROLLER

SN: 18855-19427

1шт.

1

0

CONTROLLER

SN: 18690-18854

1шт.

1

0

CONTROLLER

SN: 18649-18689

1шт.

1

0

CONTROLLER

SN: 18517-18648

1шт.

1

0

CONTROLLER

SN: 18254-18516

1шт.

1

0

CONTROLLER,RX

SN: 18001-18253

1шт.

2

01010-80825

BOLT

SN: 18690-UP

4шт.

2

01010-80820

BOLT

SN: 18001-18689

4шт.

3

01643-30823

WASHER

SN: 18001-UP

4шт.

4

195-06-75211

WIRING HARNESS

SN: 18649-UP

1шт.

4

0

WIRING HARNESS

SN: 18001-18648

1шт.

5

195-06-75221

WIRING HARNESS

SN: 18001-UP

1шт.

6

04434-51408

CLIP

SN: 18001-UP

4шт.

7

01010-80816

BOLT

SN: 18001-UP

4шт.

8

01643-30823

WASHER

SN: 18001-UP

4шт.

9

8A13-10-2100

ANTENNA

SN: 18001-UP

1шт.

10

195-54-73450

BRACKET

SN: 18001-UP

1шт.

11

01010-81016

BOLT

SN: 18001-UP

2шт.

12

01643-31032

WASHER

SN: 18001-UP

2шт.

Выбрано товаров: 20