Запчасти Komatsu D375A-5 БАЛКА БАЛАНСИРА СМАЗКА (ЛЕВ.)(№9-) ХОДОВАЯ

Схема запчастей Komatsu D375A-5 - БАЛКА БАЛАНСИРА СМАЗКА (ЛЕВ.)(№9-) ХОДОВАЯ
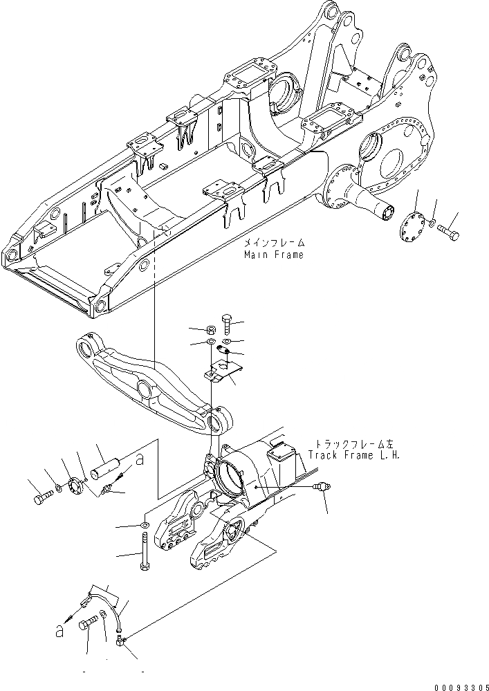
1
2
3
4
5
6
7
8
9
10
11
12
13
14
15
16
17
18
19
20
21
22
22
FIT
1:1
100%

Артикул

Название

Примечание

Количество

1

195-50-51330

TUBE

SN: 18001-UP

1шт.

2

566-16-11970

CLIP

SN: 18001-UP

2шт.

3

01010-81020

BOLT

SN: 18001-UP

2шт.

4

01643-31032

WASHER

SN: 18001-UP

2шт.

5

20D-68-11780

ELBOW

SN: 18001-UP

1шт.

6

07020-00000

FITTING

SN: 18001-UP

1шт.

7

195-50-52140

COVER

SN: 18001-UP

1шт.

8

01010-81665

BOLT

SN: 18001-UP

8шт.

9

01643-31645

WASHER

SN: 18001-UP

8шт.

10

195-50-51150

SHAFT

SN: 18001-UP

1шт.

11

195-50-51360

COVER

SN: 18001-UP

1шт.

12

07000-12020

O-RING

SN: 18001-UP

1шт.

13

07213-50710

CONNECTOR

SN: 18135-UP

1шт.

14

01010-81665

BOLT

SN: 18001-UP

4шт.

15

01643-31645

WASHER

SN: 18001-UP

4шт.

16

195-50-51310

COVER

SN: 18001-UP

1шт.

17

198-50-61350

COVER

SN: 18001-UP

1шт.

18

01010-81225

BOLT

SN: 18001-UP

2шт.

19

01643-31232

WASHER

SN: 18001-UP

2шт.

20

195-50-51510

BOLT

SN: 18001-UP

2шт.

21

01803-03034

NUT

SN: 18001-UP

2шт.

22

01643-33080

WASHER

SN: 18001-UP

4шт.

Выбрано товаров: 0