Запчасти Komatsu D375A-5 БАЛКА БАЛАНСИРА СМАЗКА (ЛЕВ.) (ДЛЯ ДВОЙН. НАКЛОН. ПОЛУ-U МОРОЗОУСТОЙЧИВ. СПЕЦ-Я (A) СПЕЦ-Я.)(№8-9) ХОДОВАЯ

Схема запчастей Komatsu D375A-5 - БАЛКА БАЛАНСИРА СМАЗКА (ЛЕВ.) (ДЛЯ ДВОЙН. НАКЛОН. ПОЛУ-U МОРОЗОУСТОЙЧИВ. СПЕЦ-Я (A) СПЕЦ-Я.)(№8-9) ХОДОВАЯ
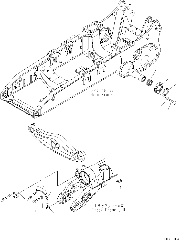
1
2
3
4
5
6
7
8
9
10
11
FIT
1:1
100%

Артикул

Название

Примечание

Количество

1

195-50-51330

TUBE,L.H.

SN: 18001-@

1шт.

2

566-16-11970

CLIP

SN: 18001-@

2шт.

3

01010-81020

BOLT

SN: 18001-@

2шт.

4

01643-31032

WASHER

SN: 18001-@

2шт.

5

20D-68-11780

ELBOW

SN: 18001-@

1шт.

6

07020-00000

FITTING

SN: 18001-@

1шт.

7

195-50-52120

WASHER

SN: 18001-@

1шт.

8

195-50-52130

WASHER

SN: 18001-@

1шт.

9

195-50-22181

SEAL

SN: 18001-@

1шт.

10

01010-81665

BOLT

SN: 18001-@

3шт.

11

01643-31645

WASHER

SN: 18001-@

3шт.

Выбрано товаров: 11