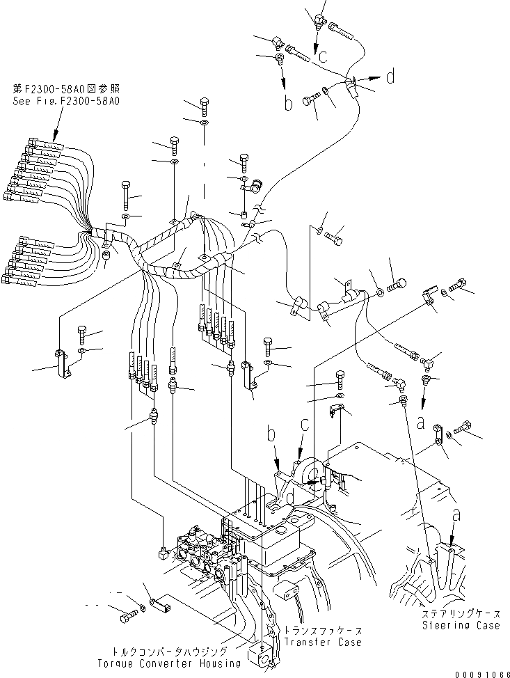
Запчасти Komatsu D375A-5 СИЛОВАЯ ПЕРЕДАЧА (9/)¤ КОНЦЕНТР. ТРУБЫ (/)(№8-(77)) СИЛОВАЯ ПЕРЕДАЧА И КОНЕЧНАЯ ПЕРЕДАЧА

Схема запчастей Komatsu D375A-5 - СИЛОВАЯ ПЕРЕДАЧА (9/)¤ КОНЦЕНТР. ТРУБЫ (/)(№8-(77)) СИЛОВАЯ ПЕРЕДАЧА И КОНЕЧНАЯ ПЕРЕДАЧА
1
2
3
4
5
6
7
8
9
10
11
12
13
14
15
16
17
18
19
20
21
22
22
22
22
23
23
23
23
24
24
24
25
26
27
28
29
30
31
32
33
34
34
35
36
37
37
38
39
40
41
42
42
42
FIT
1:1
100%

Артикул

Название

Примечание

Количество

|$$1

SERIAL NO. IN ( ) INDICATES TRANSMISSION SERIAL NO.

-1шт.

|$3

195-00-00550

POWER TRAIN ASS'Y

SN: 18001-@

1шт.

|$4

195-00-00560

POWER TRAIN ASS'Y,(WITH HEATER)

SN: 18001-@

1шт.

|$$4

THIS ASSEMBLY CONSISTS OF ALL PARTS SHOWN IN FIGS.F2300-51A0 TO F2300-60A0.

-1шт.

1

20Y-62-15951

CLIP

SN: 18001-@

1шт.

2

195-33-11220

SPACER

SN: 18001-@

1шт.

3

01011-81225

BOLT

SN: 18001-@

1шт.

4

01643-31232

WASHER

SN: 18001-@

1шт.

5

08036-03014

CLIP

SN: 18001-@

1шт.

6

17M-43-21151

BRACKET

SN: 18001-@

1шт.

7

01010-81040

BOLT

SN: 18001-@

1шт.

8

01643-31032

WASHER

SN: 18001-@

1шт.

9

08036-02514

CLIP

SN: 18001-@

1шт.

10

01010-81025

BOLT

SN: 18001-@

1шт.

11

01643-31032

WASHER

SN: 18001-@

1шт.

12

17M-43-21151

BRACKET

SN: 18001-@

1шт.

13

01011-81045

BOLT

SN: 18001-@

1шт.

14

01643-31032

WASHER

SN: 18001-@

1шт.

15

08036-03014

CLIP

SN: 18001-@

1шт.

16

01010-81025

BOLT

SN: 18001-@

1шт.

17

01643-31032

WASHER

SN: 18001-@

1шт.

18

195-33-11220

SPACER

SN: 18001-@

1шт.

19

08036-01814

CLIP

SN: 18001-@

1шт.

20

01010-81060

BOLT

SN: 18001-@

1шт.

21

01643-31032

WASHER

SN: 18001-@

1шт.

22

202-62-21430

ELBOW

SN: 18645-@

4шт.

22

202-62-21430

ELBOW

SN: 18001-18645

5шт.

23

21T-38-11390

BUSHING

SN: 18001-@

4шт.

24

203-62-21740

NIPPLE

SN: 18001-(107730)

9шт.

25

08036-01814

CLIP

SN: 18001-@

1шт.

26

01010-81225

BOLT

SN: 18001-@

1шт.

27

01643-31232

WASHER

SN: 18001-@

1шт.

28

08036-01814

CLIP

SN: 18001-@

1шт.

29

01010-81020

BOLT

SN: 18001-@

1шт.

30

01643-31032

WASHER

SN: 18001-@

1шт.

31

17M-49-15260

BRACKET

SN: 18001-@

1шт.

32

01011-81275

BOLT

SN: 18001-@

1шт.

33

01643-31232

WASHER

SN: 18001-@

1шт.

34

08036-01814

CLIP

SN: 18001-@

2шт.

35

01010-81220

BOLT

SN: 18001-@

2шт.

36

01643-31232

WASHER

SN: 18001-@

2шт.

37

198-49-46260

BRACKET

SN: 18001-@

2шт.

38

01010-61675

BOLT

SN: 18001-@

1шт.

39

01010-61660

BOLT

SN: 18001-@

1шт.

40

195-61-57210

BRACKET

SN: 18001-@

1шт.

41

01010-61665

BOLT

SN: 18001-@

1шт.

42

01643-31645

WASHER

SN: 18001-@

3шт.

Выбрано товаров: 47