Запчасти Komatsu D375A-5 ПРИБОРНАЯ ПАНЕЛЬ ( ЭЛЕКТРОПРОВОДКА) (БЕЗ КОНТРОЛЯ ПРОСКАЛЬЗ-Я ГУСЕНИЦ¤С КОНДИЦИОНЕРОМ) КАБИНА ОПЕРАТОРА И СИСТЕМА УПРАВЛЕНИЯ

Схема запчастей Komatsu D375A-5 - ПРИБОРНАЯ ПАНЕЛЬ ( ЭЛЕКТРОПРОВОДКА) (БЕЗ КОНТРОЛЯ ПРОСКАЛЬЗ-Я ГУСЕНИЦ¤С КОНДИЦИОНЕРОМ) КАБИНА ОПЕРАТОРА И СИСТЕМА УПРАВЛЕНИЯ
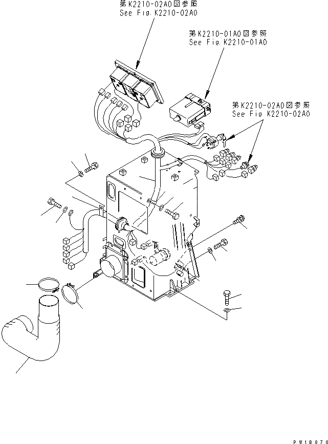
1
2
3
4
5
6
7
8
9
10
11
12
13
14
15
15
16
17
FIT
1:1
100%

Артикул

Название

Примечание

Количество

1

195-06-71141

WIRING HARNESS

SN: 18001-UP

1шт.

|1

20Y-06-24130

SWITCH,SERVICE

SN: 18001-UP

1шт.

2

08058-11040

CLIP

SN: 18010-UP

1шт.

|2

04434-52711

CLIP

SN: 18001-18009

1шт.

3

01010-81020

BOLT

SN: 18001-UP

1шт.

4

01643-31032

WASHER

SN: 18001-UP

1шт.

5

01010-81225

BOLT

SN: 18001-UP

1шт.

6

01643-31232

WASHER

SN: 18001-UP

1шт.

7

155-911-1790

CLIP

SN: 18010-UP

1шт.

|7

195-01-12520

CLIP

SN: 18001-18009

1шт.

8

01010-81225

BOLT

SN: 18001-UP

1шт.

9

01643-31232

WASHER

SN: 18001-UP

1шт.

10

195-06-71370

BRACKET

SN: 18001-UP

1шт.

11

01010-81025

BOLT

SN: 18001-UP

1шт.

12

01643-31032

WASHER

SN: 18001-UP

1шт.

13

01023-10210

SCREW

SN: 18001-UP

4шт.

14

21T-979-7950

HOSE

SN: 18001-UP

1шт.

15

14X-911-7670

CLAMP

SN: 18001-UP

2шт.

16

01010-81235

BOLT

SN: 18001-UP

6шт.

17

01643-31232

WASHER

SN: 18001-UP

6шт.

Выбрано товаров: 20