Запчасти Komatsu D375A-5 ДВОЙН. НАКЛОН. КЛАПАН НАКЛОНА (ДЛЯ УСИЛ. ПРОВОДКИ) ЧАСТИ КОРПУСА

Схема запчастей Komatsu D375A-5 - ДВОЙН. НАКЛОН. КЛАПАН НАКЛОНА (ДЛЯ УСИЛ. ПРОВОДКИ) ЧАСТИ КОРПУСА
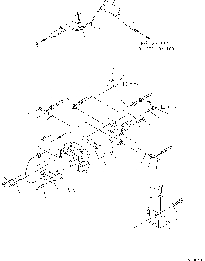
1
2
3
4
5
6
7
8
9
10
11
12
13
14
15
16
17
17
18
18
19
19
20
21
22
23
24
25
26
27
28
29
30
30
31
32
FIT
1:1
100%

Артикул

Название

Примечание

Количество

1

19M-61-31110

VALVE

SN: 18001-UP

2шт.

2

01220-40545

SCREW

SN: 18001-UP

4шт.

3

07000-11009

O-RING

SN: 18001-UP

2шт.

4

203-62-21850

O-RING

SN: 18001-UP

4шт.

5

198-06-56580

VALVE

SN: 18001-UP

1шт.

6

01252-40645

BOLT

SN: 18001-UP

4шт.

7

01252-41050

BOLT

SN: 18001-UP

8шт.

8

195-61-45610

VALVE

SN: 18001-UP

1шт.

9

07040-11409

PLUG

SN: 18001-UP

2шт.

10

07002-11423

O-RING

SN: 18001-UP

2шт.

11

07042-30108

PLUG

SN: 18001-UP

2шт.

12

195-61-45620

BRACKET

SN: 18001-UP

1шт.

13

01010-81030

BOLT

SN: 18001-UP

6шт.

14

01643-31032

WASHER

SN: 18001-UP

6шт.

15

07230-20628

UNION

SN: 18001-UP

2шт.

16

07002-12434

O-RING

SN: 18001-UP

2шт.

17

07236-50522

ELBOW

SN: 18001-UP

2шт.

18

07002-12434

O-RING

SN: 18001-UP

2шт.

19

07042-30108

PLUG

SN: 18001-UP

2шт.

20

07235-50315

ELBOW

SN: 18001-UP

1шт.

21

07002-12034

O-RING

SN: 18001-UP

1шт.

22

07042-30108

PLUG

SN: 18001-UP

1шт.

23

104-40-32340

ELBOW

SN: 18001-UP

1шт.

24

07235-50522

ELBOW

SN: 18001-UP

2шт.

25

07002-12434

O-RING

SN: 18001-UP

2шт.

26

07042-30108

PLUG

SN: 18001-UP

2шт.

27

01010-81230

BOLT

SN: 18001-UP

4шт.

28

01643-31232

WASHER

SN: 18001-UP

4шт.

29

195-06-72430

WIRING HARNESS

SN: 18001-UP

1шт.

30

04434-51012

CLIP

SN: 18001-UP

3шт.

31

01010-81220

BOLT

SN: 18001-UP

3шт.

32

01643-31232

WASHER

SN: 18001-UP

3шт.

Выбрано товаров: 32