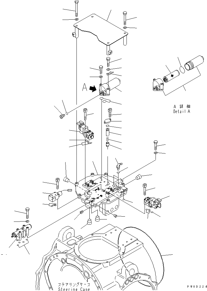
Запчасти Komatsu D375A-5 РУЛЕВ. УПРАВЛЕНИЕ (8/8)¤ КЛАПАН РУЛЕВОГО УПРАВЛЕНИЯ СИЛОВАЯ ПЕРЕДАЧА И КОНЕЧНАЯ ПЕРЕДАЧА

Схема запчастей Komatsu D375A-5 - РУЛЕВ. УПРАВЛЕНИЕ (8/8)¤ КЛАПАН РУЛЕВОГО УПРАВЛЕНИЯ СИЛОВАЯ ПЕРЕДАЧА И КОНЕЧНАЯ ПЕРЕДАЧА
1
2
2
3
3
4
4
5
5
6
6
7
7
8
8
9
10
11
12
13
14
15
15
16
17
18
19
20
21
22
23
24
24
25
26
27
28
29
30
31
32
33
34
35
36
37
38
38
38
39
40
FIT
1:1
100%

Артикул

Название

Примечание

Количество

|1

195-22-71000

STEERING ASS'Y

SN: 18001-UP

1шт.

|$$2

THIS ASSEMBLY CONSISTS OF ALL PARTS SHOWN IN FIGS.F2370-51A0 TO F2370-58A0.

-1шт.

|1

195-22-72001

VALVE ASS'Y

SN: 18001-UP

1шт.

1

195-22-72810

COVER

SN: 18001-UP

1шт.

2

07043-70211

PLUG

SN: 18001-UP

23шт.

3

07043-70617

PLUG

SN: 18001-UP

2шт.

4

07043-71222

PLUG

SN: 18001-UP

2шт.

5

195-22-75101

ECMV ASS'Y

SN: 18001-UP

4шт.

6

01252-60650

BOLT

SN: 18001-UP

16шт.

7

07000-72015

O-RING

SN: 18001-UP

16шт.

8

07000-71007

O-RING

SN: 18001-UP

4шт.

9

195-22-72190

SLEEVE

SN: 18001-UP

1шт.

10

07750-01623

VALVE

SN: 18001-UP

1шт.

11

07750-01628

SPRING

SN: 18001-UP

1шт.

12

07000-72012

O-RING

SN: 18001-UP

1шт.

13

709-25-11670

PLATE

SN: 18001-UP

1шт.

14

01252-60615

BOLT

SN: 18001-UP

2шт.

15

714-23-11720

FILTER

SN: 18001-UP

1шт.

16

714-23-11730

ELEMENT ASS'Y

SN: 18001-UP

1шт.

17

07000-02060

O-RING

SN: 18001-UP

1шт.

18

07040-11812

PLUG

SN: 18001-UP

1шт.

19

07002-11823

O-RING

SN: 18001-UP

1шт.

20

07000-73022

O-RING

SN: 18001-UP

2шт.

21

08193-20010

CLIP

SN: 18001-UP

1шт.

22

01010-81030

BOLT

SN: 18001-UP

1шт.

23

01010-81080

BOLT

SN: 18001-UP

2шт.

24

01643-31032

WASHER

SN: 18001-UP

3шт.

25

195-22-71100

VALVE ASS'Y,PARKING BRAKE

SN: 18001-UP

1шт.

26

01010-80895

BOLT

SN: 18001-UP

4шт.

27

01643-30823

WASHER

SN: 18001-UP

4шт.

28

07000-72015

O-RING

SN: 18001-UP

4шт.

29

195-22-72101

VALVE ASS'Y

SN: 18001-UP

1шт.

30

01252-60650

BOLT

SN: 18001-UP

4шт.

31

07000-72010

O-RING

SN: 18001-UP

4шт.

32

07235-10315

ELBOW

SN: 18001-UP

2шт.

33

07002-12034

O-RING

SN: 18001-UP

2шт.

34

195-22-75810

COVER

SN: 18001-UP

1шт.

35

01011-81270

BOLT

SN: 18001-UP

3шт.

36

01011-81240

BOLT

SN: 18001-UP

1шт.

37

01010-81250

BOLT

SN: 18001-UP

5шт.

38

01643-31232

WASHER

SN: 18001-UP

9шт.

39

07000-72018

O-RING

SN: 18001-UP

1шт.

40

07000-75375

O-RING

SN: 18001-UP

1шт.

Выбрано товаров: 43