Запчасти Komatsu SA6D170E-3A-7 ЭЛЕКТРОПРОВОДКА (/) (ДЛЯ ГЕНЕРАТОР 7A)(№-) ДВИГАТЕЛЬ

Схема запчастей Komatsu SA6D170E-3A-7 - ЭЛЕКТРОПРОВОДКА (/) (ДЛЯ ГЕНЕРАТОР 7A)(№-) ДВИГАТЕЛЬ
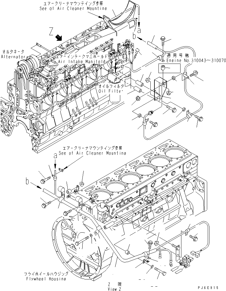
1
1
1
2
3
4
4
5
5
5
6
6
6
7
7
7
8
8
9
10
11
12
13
13
13
13
14
15
16
17
18
19
20
21
22
23
24
25
26
27
28
29
30
31
32
1
1
1
2
3
4
4
5
5
5
6
6
6
7
7
7
8
8
9
10
11
12
13
13
13
13
14
15
16
17
18
19
20
21
22
23
24
25
26
27
28
29
30
31
32
FIT
1:1
100%

Артикул

Название

Примечание

Количество

1

6240-81-9121

HARNESS

SN: 310071-UP

1шт.

|1

0

HARNESS

SN: 310043-310070

1шт.

2

6240-81-9510

BRACKET

SN: 310043-UP

1шт.

3

01435-01095

BOLT

SN: 310043-UP

2шт.

4

6130-12-4571

SPACER

SN: 310043-UP

2шт.

5

04434-51410

CLIP

SN: 310043-UP

3шт.

6

01435-01030

BOLT

SN: 310043-UP

3шт.

7

6131-12-5920

SPACER

SN: 310043-UP

3шт.

8

01584-01008

NUT

SN: 310043-UP

3шт.

9

04434-51610

CLIP

SN: 310043-UP

1шт.

10

01435-01020

BOLT

SN: 310071-UP

1шт.

|10

0

BOLT

SN: 310043-310070

1шт.

11

6144-11-5630

SPACER

SN: 310043-310070

3шт.

12

01584-01008

NUT

SN: 310043-UP

1шт.

13

04434-52110

CLIP

SN: 310071-UP

4шт.

|13

0

CLIP

SN: 310043-310070

4шт.

14

01435-01060

BOLT

SN: 310043-UP

1шт.

15

6150-81-6920

SPACER

SN: 310043-UP

1шт.

16

01584-01008

NUT

SN: 310043-UP

1шт.

17

01011-81045

BOLT

SN: 310043-UP

1шт.

18

01643-31032

WASHER

SN: 310043-UP

1шт.

19

6151-51-5490

SPACER

SN: 310043-UP

1шт.

20

362-03-11550

BRACKET

SN: 310043-UP

1шт.

21

6134-12-5120

SPACER

SN: 310043-UP

1шт.

22

01011-81010

BOLT

SN: 310043-UP

1шт.

23

01643-31032

WASHER

SN: 310043-UP

1шт.

24

01435-01020

BOLT

SN: 310043-UP

1шт.

25

04434-50810

CLIP

SN: 310043-UP

1шт.

26

01435-01020

BOLT

SN: 310043-UP

1шт.

27

01584-01008

NUT

SN: 310043-UP

1шт.

28

04434-51410

CLIP

SN: 310043-UP

1шт.

29

01435-01070

BOLT

SN: 310043-UP

1шт.

30

08038-02027

CAP

SN: 310043-UP

1шт.

31

08038-00218

CAP

SN: 310071-UP

1шт.

|31

0

CAP

SN: 310043-310070

1шт.

32

08038-00218

CAP

SN: 310071-UP

1шт.

|32

0

CAP

SN: 310043-310070

1шт.

1

6240-81-9121

HARNESS

SN: 310071-UP

1шт.

|1

0

HARNESS

SN: 310043-310070

1шт.

2

6240-81-9510

BRACKET

SN: 310043-UP

1шт.

3

01435-01095

BOLT

SN: 310043-UP

2шт.

4

6130-12-4571

SPACER

SN: 310043-UP

2шт.

5

04434-51410

CLIP

SN: 310043-UP

3шт.

6

01435-01030

BOLT

SN: 310043-UP

3шт.

7

6131-12-5920

SPACER

SN: 310043-UP

3шт.

8

01584-01008

NUT

SN: 310043-UP

3шт.

9

04434-51610

CLIP

SN: 310043-UP

1шт.

10

01435-01020

BOLT

SN: 310071-UP

1шт.

|10

0

BOLT

SN: 310043-310070

1шт.

11

6144-11-5630

SPACER

SN: 310043-310070

3шт.

12

01584-01008

NUT

SN: 310043-UP

1шт.

13

04434-52110

CLIP

SN: 310071-UP

4шт.

|13

0

CLIP

SN: 310043-310070

4шт.

14

01435-01060

BOLT

SN: 310043-UP

1шт.

15

6150-81-6920

SPACER

SN: 310043-UP

1шт.

16

01584-01008

NUT

SN: 310043-UP

1шт.

17

01011-81045

BOLT

SN: 310043-UP

1шт.

18

01643-31032

WASHER

SN: 310043-UP

1шт.

19

6151-51-5490

SPACER

SN: 310043-UP

1шт.

20

362-03-11550

BRACKET

SN: 310043-UP

1шт.

21

6134-12-5120

SPACER

SN: 310043-UP

1шт.

22

01011-81010

BOLT

SN: 310043-UP

1шт.

23

01643-31032

WASHER

SN: 310043-UP

1шт.

24

01435-01020

BOLT

SN: 310043-UP

1шт.

25

04434-50810

CLIP

SN: 310043-UP

1шт.

26

01435-01020

BOLT

SN: 310043-UP

1шт.

27

01584-01008

NUT

SN: 310043-UP

1шт.

28

04434-51410

CLIP

SN: 310043-UP

1шт.

29

01435-01070

BOLT

SN: 310043-UP

1шт.

30

08038-02027

CAP

SN: 310043-UP

1шт.

31

08038-00218

CAP

SN: 310071-UP

1шт.

|31

0

CAP

SN: 310043-310070

1шт.

32

08038-00218

CAP

SN: 310071-UP

1шт.

|32

0

CAP

SN: 310043-310070

1шт.

Выбрано товаров: 74