Запчасти Komatsu SA6D170E-3A-7 ТЕРМОСТАТ (ВОДН. ОХЛАЖД-Е ТУРБОНАГНЕТАТЕЛЬ СПЕЦ-Я.)(№-) ДВИГАТЕЛЬ

Схема запчастей Komatsu SA6D170E-3A-7 - ТЕРМОСТАТ (ВОДН. ОХЛАЖД-Е ТУРБОНАГНЕТАТЕЛЬ СПЕЦ-Я.)(№-) ДВИГАТЕЛЬ
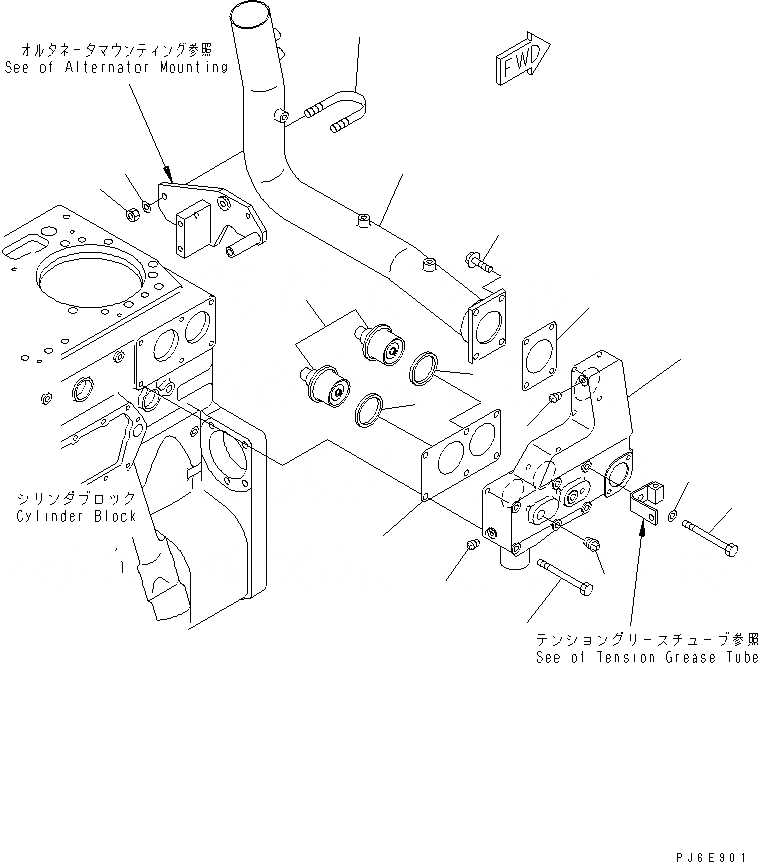
1
2
3
4
4
5
6
7
8
9
9
10
11
12
13
14
15
1
2
3
4
4
5
6
7
8
9
9
10
11
12
13
14
15
FIT
1:1
100%

Артикул

Название

Примечание

Количество

1

6240-11-6410

HOUSING

SN: 310216-UP

1шт.

2

6240-11-6470

GASKET (K1)

SN: 310216-UP

1шт.

3

07042-A0415

PLUG

SN: 310216-UP

1шт.

4

07042-30108

PLUG

SN: 310216-UP

2шт.

5

01010-81095

BOLT

SN: 310216-UP

4шт.

6

01011-81000

BOLT

SN: 310216-UP

2шт.

7

01640-21016

WASHER

SN: 310216-UP

2шт.

8

600-421-6630

THERMOSTAT

SN: 310216-UP

2шт.

9

6162-13-6440

SEAL,THERMOSTAT (K1)

SN: 310216-UP

2шт.

10

6240-11-6620

TUBE

SN: 310216-UP

1шт.

11

6162-13-6481

GASKET (K1)

SN: 310216-UP

1шт.

12

01435-01025

BOLT

SN: 310216-UP

4шт.

13

07283-37671

CLIP

SN: 310216-UP

1шт.

14

01597-01009

NUT

SN: 310216-UP

2шт.

15

01643-31032

WASHER

SN: 310216-UP

2шт.

1

6240-11-6410

HOUSING

SN: 310216-UP

1шт.

2

6240-11-6470

GASKET (K1)

SN: 310216-UP

1шт.

3

07042-A0415

PLUG

SN: 310216-UP

1шт.

4

07042-30108

PLUG

SN: 310216-UP

2шт.

5

01010-81095

BOLT

SN: 310216-UP

4шт.

6

01011-81000

BOLT

SN: 310216-UP

2шт.

7

01640-21016

WASHER

SN: 310216-UP

2шт.

8

600-421-6630

THERMOSTAT

SN: 310216-UP

2шт.

9

6162-13-6440

SEAL,THERMOSTAT (K1)

SN: 310216-UP

2шт.

10

6240-11-6620

TUBE

SN: 310216-UP

1шт.

11

6162-13-6481

GASKET (K1)

SN: 310216-UP

1шт.

12

01435-01025

BOLT

SN: 310216-UP

4шт.

13

07283-37671

CLIP

SN: 310216-UP

1шт.

14

01597-01009

NUT

SN: 310216-UP

2шт.

15

01643-31032

WASHER

SN: 310216-UP

2шт.

Выбрано товаров: 30