Запчасти Komatsu SA6D170E-3A-7 ТОПЛИВН. ФИЛЬТР. КРЕПЛЕНИЕ (ВОДН. ОХЛАЖД-Е ТУРБОНАГНЕТАТЕЛЬ СПЕЦ-Я.)(№8-) ДВИГАТЕЛЬ

Схема запчастей Komatsu SA6D170E-3A-7 - ТОПЛИВН. ФИЛЬТР. КРЕПЛЕНИЕ (ВОДН. ОХЛАЖД-Е ТУРБОНАГНЕТАТЕЛЬ СПЕЦ-Я.)(№8-) ДВИГАТЕЛЬ
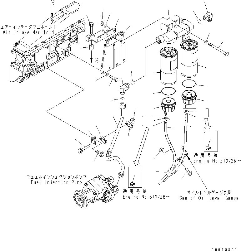
1
2
2
3
3
4
4
5
6
6
7
8
9
10
11
12
13
14
15
16
17
18
19
20
21
22
23
24
25
26
26
27
27
27
27
28
29
30
1
2
2
3
3
4
4
5
6
6
7
8
9
10
11
12
13
14
15
16
17
18
19
20
21
22
23
24
25
26
26
27
27
27
27
28
29
30
FIT
1:1
100%

Артикул

Название

Примечание

Количество

1

6240-71-6112

BRACKET

SN: 310218-UP

1шт.

|2

600-311-3200

SEPARATOR ASS'Y

SN: 310218-UP

1шт.

|2

600-311-3240

FILTER ASS'Y

SN: 310218-UP

1шт.

2

600-311-3210

FILTER

SN: 310218-UP

1шт.

3

600-311-3230

SEAL

SN: 310218-UP

1шт.

4

600-311-3220

CAP

SN: 310218-UP

1шт.

5

01011-81220

BOLT

SN: 310218-UP

3шт.

6

01643-31232

WASHER

SN: 310218-UP

6шт.

7

01580-01210

NUT

SN: 310218-UP

3шт.

8

6240-71-6210

BRACKET

SN: 310218-UP

1шт.

9

01010-81230

BOLT

SN: 310218-UP

4шт.

10

01643-31232

WASHER

SN: 310218-UP

4шт.

11

6240-71-8340

BRACKET,FUEL FILTER

SN: 310218-UP

1шт.

12

01435-00850

BOLT

SN: 310218-UP

2шт.

13

6167-21-5910

SPACER

SN: 310218-UP

2шт.

14

262-60-24860

ELBOW

SN: 310218-UP

1шт.

15

6240-71-5840

O-RING (K2)

SN: 310218-UP

1шт.

16

6240-71-5140

TUBE

SN: 310218-UP

1шт.

17

6240-71-5190

ELBOW ASS'Y

SN: 310218-UP

1шт.

18

6240-71-5840

O-RING

SN: 310218-UP

1шт.

19

6240-71-5850

O-RING

SN: 310218-UP

1шт.

20

6240-71-6650

BRACKET,FUEL

SN: 310218-UP

1шт.

21

01435-01025

BOLT

SN: 310218-UP

1шт.

22

6240-71-6550

CLAMP

SN: 310218-UP

1шт.

23

6240-71-6560

CLAMP

SN: 310218-UP

1шт.

24

01435-01055

BOLT

SN: 310218-UP

1шт.

25

01584-01008

NUT

SN: 310218-UP

1шт.

26

07270-20850

TUBE

SN: 310218-UP

2шт.

27

07285-00125

CLIP

SN: 310726-UP

2шт.

|27

0

BAND

SN: 310218-310725

2шт.

28

04435-51508

CLIP

SN: 310218-UP

1шт.

29

01435-00825

BOLT

SN: 310218-UP

1шт.

30

01584-00806

NUT

SN: 310218-UP

1шт.

1

6240-71-6112

BRACKET

SN: 310218-UP

1шт.

|2

600-311-3200

SEPARATOR ASS'Y

SN: 310218-UP

1шт.

|2

600-311-3240

FILTER ASS'Y

SN: 310218-UP

1шт.

2

600-311-3210

FILTER

SN: 310218-UP

1шт.

3

600-311-3230

SEAL

SN: 310218-UP

1шт.

4

600-311-3220

CAP

SN: 310218-UP

1шт.

5

01011-81220

BOLT

SN: 310218-UP

3шт.

6

01643-31232

WASHER

SN: 310218-UP

6шт.

7

01580-01210

NUT

SN: 310218-UP

3шт.

8

6240-71-6210

BRACKET

SN: 310218-UP

1шт.

9

01010-81230

BOLT

SN: 310218-UP

4шт.

10

01643-31232

WASHER

SN: 310218-UP

4шт.

11

6240-71-8340

BRACKET,FUEL FILTER

SN: 310218-UP

1шт.

12

01435-00850

BOLT

SN: 310218-UP

2шт.

13

6167-21-5910

SPACER

SN: 310218-UP

2шт.

14

262-60-24860

ELBOW

SN: 310218-UP

1шт.

15

6240-71-5840

O-RING (K2)

SN: 310218-UP

1шт.

16

6240-71-5140

TUBE

SN: 310218-UP

1шт.

17

6240-71-5190

ELBOW ASS'Y

SN: 310218-UP

1шт.

18

6240-71-5840

O-RING

SN: 310218-UP

1шт.

19

6240-71-5850

O-RING

SN: 310218-UP

1шт.

20

6240-71-6650

BRACKET,FUEL

SN: 310218-UP

1шт.

21

01435-01025

BOLT

SN: 310218-UP

1шт.

22

6240-71-6550

CLAMP

SN: 310218-UP

1шт.

23

6240-71-6560

CLAMP

SN: 310218-UP

1шт.

24

01435-01055

BOLT

SN: 310218-UP

1шт.

25

01584-01008

NUT

SN: 310218-UP

1шт.

26

07270-20850

TUBE

SN: 310218-UP

2шт.

27

07285-00125

CLIP

SN: 310726-UP

2шт.

|27

0

BAND

SN: 310218-310725

2шт.

28

04435-51508

CLIP

SN: 310218-UP

1шт.

29

01435-00825

BOLT

SN: 310218-UP

1шт.

30

01584-00806

NUT

SN: 310218-UP

1шт.

Выбрано товаров: 66