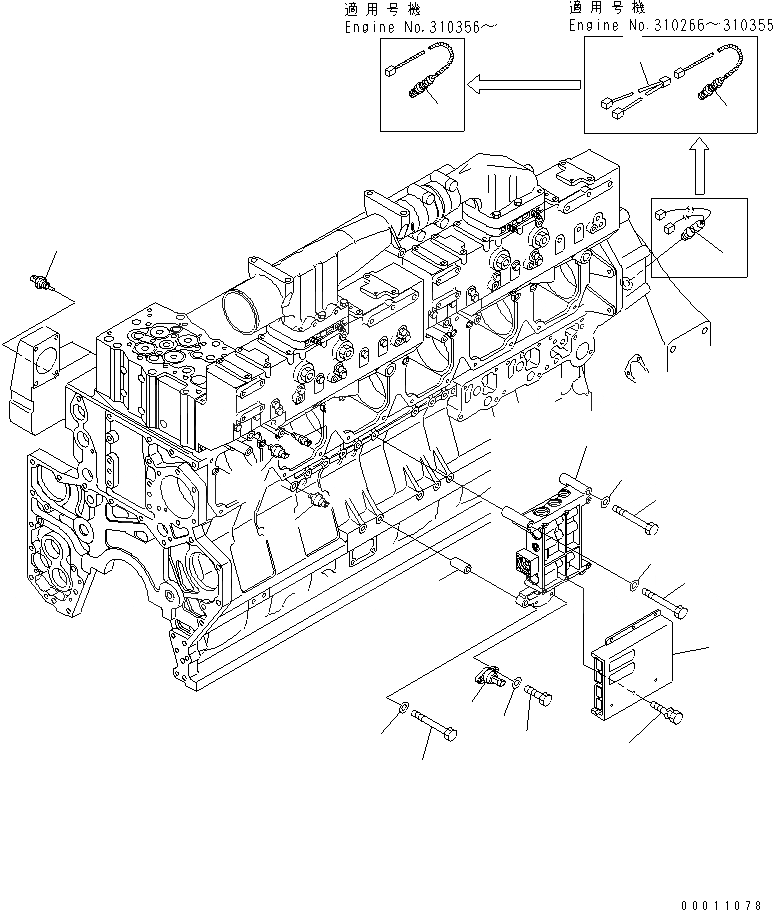
Запчасти Komatsu SA6D170E-3A-7 УПРАВЛЯЮЩ. КЛАПАН И КРЕПЛЕНИЕ(№-) ДВИГАТЕЛЬ

Схема запчастей Komatsu SA6D170E-3A-7 - УПРАВЛЯЮЩ. КЛАПАН И КРЕПЛЕНИЕ(№-) ДВИГАТЕЛЬ
1
2
3
4
4
4
5
6
7
8
9
10
11
12
13
13
14
15
15
15
16
1
2
3
4
4
4
5
6
7
8
9
10
11
12
13
13
14
15
15
15
16
FIT
1:1
100%

Артикул

Название

Примечание

Количество

1

6560-41-3100

CONTROL VALVE ASS'Y,(SEE FIG.A4710-B6F6A)

SN: 310104-UP

1шт.

2

6560-61-1501

CONTROLLER ASS'Y

SN: 310145-UP

1шт.

3

6216-84-9320

SCREW

SN: 310104-UP

6шт.

4

6560-61-2110

SENSOR,REVOLUTION

SN: 310266-UP

1шт.

|4

0

SENSOR,REVOLUTION

SN: 310104-310265

1шт.

|$$6

(6560-61-2110{6560-61-9190)}

-1шт.

5

6560-61-9190

HARNESS

SN: 310266-310355

1шт.

6

6216-84-9140

SENSOR,COOLANT TEMPERATURE

SN: 310104-UP

1шт.

7

6216-84-9330

SENSOR,AMBIENT AIR PRESSURE

SN: 310104-UP

1шт.

8

02010-70425

BOLT

SN: 310104-UP

2шт.

9

01640-20610

WASHER

SN: 310104-UP

2шт.

10

6742-01-5144

SENSOR,INTAKE AIR TEMPERATURE

SN: 310104-UP

1шт.

11

6560-61-7101

SENSOR,BOOST PRESSURE

SN: 310104-UP

1шт.

12

6216-84-9110

SENSOR,OIL PRESSURE

SN: 310104-UP

1шт.

13

01011-81000

BOLT

SN: 310104-UP

2шт.

14

01010-81085

BOLT

SN: 310104-UP

2шт.

15

01643-31032

WASHER

SN: 310104-UP

4шт.

16

6152-21-6590

SPACER

SN: 310104-UP

2шт.

1

6560-41-3100

CONTROL VALVE ASS'Y,(SEE FIG.A4710-B6F6A)

SN: 310104-UP

1шт.

2

6560-61-1501

CONTROLLER ASS'Y

SN: 310145-UP

1шт.

3

6216-84-9320

SCREW

SN: 310104-UP

6шт.

4

6560-61-2110

SENSOR,REVOLUTION

SN: 310266-UP

1шт.

|4

0

SENSOR,REVOLUTION

SN: 310104-310265

1шт.

|$$6

(6560-61-2110{6560-61-9190)}

-1шт.

5

6560-61-9190

HARNESS

SN: 310266-310355

1шт.

6

6216-84-9140

SENSOR,COOLANT TEMPERATURE

SN: 310104-UP

1шт.

7

6216-84-9330

SENSOR,AMBIENT AIR PRESSURE

SN: 310104-UP

1шт.

8

02010-70425

BOLT

SN: 310104-UP

2шт.

9

01640-20610

WASHER

SN: 310104-UP

2шт.

10

6742-01-5144

SENSOR,INTAKE AIR TEMPERATURE

SN: 310104-UP

1шт.

11

6560-61-7101

SENSOR,BOOST PRESSURE

SN: 310104-UP

1шт.

12

6216-84-9110

SENSOR,OIL PRESSURE

SN: 310104-UP

1шт.

13

01011-81000

BOLT

SN: 310104-UP

2шт.

14

01010-81085

BOLT

SN: 310104-UP

2шт.

15

01643-31032

WASHER

SN: 310104-UP

4шт.

16

6152-21-6590

SPACER

SN: 310104-UP

2шт.

Выбрано товаров: 36