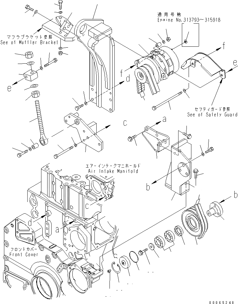
Запчасти Komatsu SA6D170E-3A-7 КРЕПЛЕНИЕ ГЕНЕРАТОРА (A)(№-98) ДВИГАТЕЛЬ

Схема запчастей Komatsu SA6D170E-3A-7 - КРЕПЛЕНИЕ ГЕНЕРАТОРА (A)(№-98) ДВИГАТЕЛЬ
1
1A
2
3
4
5
6
7
8
9
10
11
12
13
14
14
15
16
17
18
19
20
21
21
22
22
23
24
25
26
27
28
28
29
30
31
32
33
34
35
36
37
38
39
40
41
42
43
44
45
1
1A
2
3
4
5
6
7
8
9
10
11
12
13
14
14
15
16
17
18
19
20
21
21
22
22
23
24
25
26
27
28
28
29
30
31
32
33
34
35
36
37
38
39
40
41
42
43
44
45
FIT
1:1
100%

Артикул

Название

Примечание

Количество

1

600-825-6550

ALTERNATOR A. (60A),(SEE FIG.A6010-B6F9)

SN: 310043-315918

1шт.

1A

600-815-9980

WASHER

SN: 313793-315918

1шт.

2

6210-81-6390

BOLT

SN: 310043-315918

1шт.

3

01640-21323

WASHER

SN: 310043-315918

1шт.

4

01582-01210

NUT

SN: 310043-315918

1шт.

5

01643-31232

WASHER

SN: 310043-315918

1шт.

6

6150-81-6950

SPACER

SN: 310043-315918

1шт.

7

6240-81-4320

BRACKET

SN: 310043-315918

1шт.

8

01010-81235

BOLT

SN: 310043-315918

4шт.

9

01643-31232

WASHER

SN: 310043-315918

4шт.

10

6240-81-4510

BRACKET

SN: 310043-315918

1шт.

11

01010-81240

BOLT

SN: 310043-315918

2шт.

12

01643-31232

WASHER

SN: 310043-315918

2шт.

13

01010-E1255

BOLT

SN: 310043-315918

2шт.

14

01643-31232

WASHER

SN: 310043-315918

4шт.

15

01580-01210

NUT

SN: 310043-315918

2шт.

16

6240-81-4420

BRACKET

SN: 310043-315918

1шт.

17

01011-81000

BOLT

SN: 310043-315918

3шт.

18

01643-31032

WASHER

SN: 310043-315918

3шт.

19

6240-81-8650

ROD

SN: 310043-315918

1шт.

20

6240-81-8660

PLATE

SN: 310043-315918

1шт.

21

01582-01815

NUT

SN: 310043-315918

2шт.

22

01640-21826

WASHER

SN: 310043-315918

2шт.

23

6162-85-5250

BOLT

SN: 310043-315918

1шт.

24

01643-31232

WASHER

SN: 310043-315918

1шт.

25

6215-81-6150

PIN

SN: 310043-315918

1шт.

26

01010-81255

BOLT

SN: 310043-315918

1шт.

27

01643-31232

WASHER

SN: 310043-315918

1шт.

28

6240-81-8720

V-BELT

SN: 310043-315918

1шт.

|$36

6240-81-6900

TENSION ASS'Y

SN: 310043-315918

1шт.

29

6240-81-6910

PULLEY

SN: 310043-315918

1шт.

30

6240-81-6920

SHAFT

SN: 310043-315918

1шт.

31

6240-81-6930

COVER

SN: 310043-315918

1шт.

32

07012-00035

SEAL

SN: 310043-315918

1шт.

33

06300-06206

BEARING

SN: 310043-315918

2шт.

34

07000-12065

O-RING

SN: 310043-315918

1шт.

35

04065-06525

RING,SNAP

SN: 310043-315918

1шт.

36

01435-01020

BOLT

SN: 310043-315918

1шт.

37

07043-00108

PLUG

SN: 310043-315918

1шт.

38

6210-81-6730

SPACER

SN: 310043-315918

1шт.

39

01010-81235

BOLT

SN: 310043-315918

3шт.

40

01643-31232

WASHER

SN: 310043-315918

3шт.

41

6240-81-6861

BRACKET

SN: 310071-315918

1шт.

41

0

BRACKET

SN: 310043-310070

1шт.

42

01435-01025

BOLT

SN: 310043-315918

4шт.

43

6240-81-6880

BRACKET

SN: 310043-315918

1шт.

44

01435-01225

BOLT

SN: 310043-315918

2шт.

45

01435-01030

BOLT

SN: 310043-315918

2шт.

1

600-825-6550

ALTERNATOR A. (60A),(SEE FIG.A6010-B6F9)

SN: 310043-315918

1шт.

1A

600-815-9980

WASHER

SN: 313793-315918

1шт.

2

6210-81-6390

BOLT

SN: 310043-315918

1шт.

3

01640-21323

WASHER

SN: 310043-315918

1шт.

4

01582-01210

NUT

SN: 310043-315918

1шт.

5

01643-31232

WASHER

SN: 310043-315918

1шт.

6

6150-81-6950

SPACER

SN: 310043-315918

1шт.

7

6240-81-4320

BRACKET

SN: 310043-315918

1шт.

8

01010-81235

BOLT

SN: 310043-315918

4шт.

9

01643-31232

WASHER

SN: 310043-315918

4шт.

10

6240-81-4510

BRACKET

SN: 310043-315918

1шт.

11

01010-81240

BOLT

SN: 310043-315918

2шт.

12

01643-31232

WASHER

SN: 310043-315918

2шт.

13

01010-E1255

BOLT

SN: 310043-315918

2шт.

14

01643-31232

WASHER

SN: 310043-315918

4шт.

15

01580-01210

NUT

SN: 310043-315918

2шт.

16

6240-81-4420

BRACKET

SN: 310043-315918

1шт.

17

01011-81000

BOLT

SN: 310043-315918

3шт.

18

01643-31032

WASHER

SN: 310043-315918

3шт.

19

6240-81-8650

ROD

SN: 310043-315918

1шт.

20

6240-81-8660

PLATE

SN: 310043-315918

1шт.

21

01582-01815

NUT

SN: 310043-315918

2шт.

22

01640-21826

WASHER

SN: 310043-315918

2шт.

23

6162-85-5250

BOLT

SN: 310043-315918

1шт.

24

01643-31232

WASHER

SN: 310043-315918

1шт.

25

6215-81-6150

PIN

SN: 310043-315918

1шт.

26

01010-81255

BOLT

SN: 310043-315918

1шт.

27

01643-31232

WASHER

SN: 310043-315918

1шт.

28

6240-81-8720

V-BELT

SN: 310043-315918

1шт.

|$36

6240-81-6900

TENSION ASS'Y

SN: 310043-315918

1шт.

29

6240-81-6910

PULLEY

SN: 310043-315918

1шт.

30

6240-81-6920

SHAFT

SN: 310043-315918

1шт.

31

6240-81-6930

COVER

SN: 310043-315918

1шт.

32

07012-00035

SEAL

SN: 310043-315918

1шт.

33

06300-06206

BEARING

SN: 310043-315918

2шт.

34

07000-12065

O-RING

SN: 310043-315918

1шт.

35

04065-06525

RING,SNAP

SN: 310043-315918

1шт.

36

01435-01020

BOLT

SN: 310043-315918

1шт.

37

07043-00108

PLUG

SN: 310043-315918

1шт.

38

6210-81-6730

SPACER

SN: 310043-315918

1шт.

39

01010-81235

BOLT

SN: 310043-315918

3шт.

40

01643-31232

WASHER

SN: 310043-315918

3шт.

41

6240-81-6861

BRACKET

SN: 310071-315918

1шт.

41

0

BRACKET

SN: 310043-310070

1шт.

42

01435-01025

BOLT

SN: 310043-315918

4шт.

43

6240-81-6880

BRACKET

SN: 310043-315918

1шт.

44

01435-01225

BOLT

SN: 310043-315918

2шт.

45

01435-01030

BOLT

SN: 310043-315918

2шт.

Выбрано товаров: 96