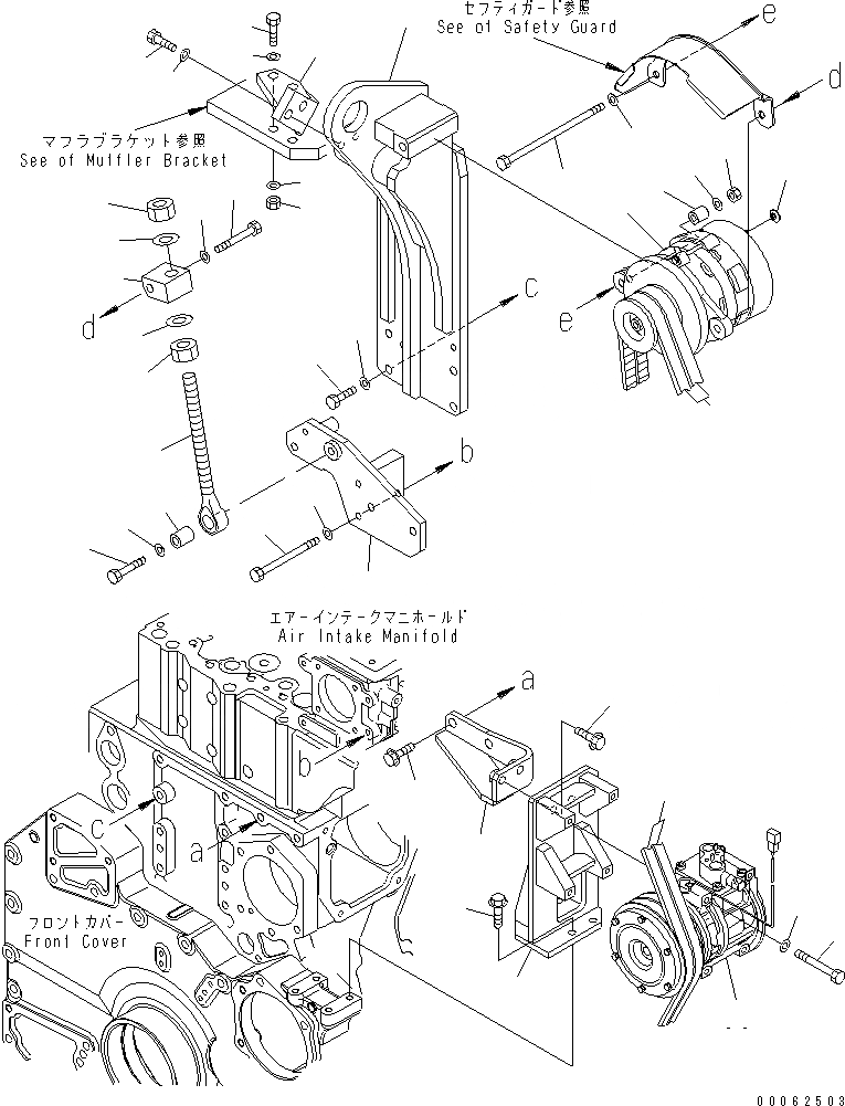
Запчасти Komatsu SA6D170E-3A-7 КРЕПЛЕНИЕ ГЕНЕРАТОРА (A) (С КОМПРЕССОР)(№99-) ДВИГАТЕЛЬ

Схема запчастей Komatsu SA6D170E-3A-7 - КРЕПЛЕНИЕ ГЕНЕРАТОРА (A) (С КОМПРЕССОР)(№99-) ДВИГАТЕЛЬ
1
2
3
4
5
6
7
8
9
10
11
12
13
14
15
15
16
17
18
19
20
21
22
22
23
23
24
25
26
27
28
29
29
30
31
32
33
34
35
36
37
1
2
3
4
5
6
7
8
9
10
11
12
13
14
15
15
16
17
18
19
20
21
22
22
23
23
24
25
26
27
28
29
29
30
31
32
33
34
35
36
37
FIT
1:1
100%

Артикул

Название

Примечание

Количество

1

600-825-6550

ALTERNATOR A. (60A),(SEE FIG.A6010-B6K5)

SN: 315919-UP

1шт.

2

600-815-9980

WASHER

SN: 315919-UP

1шт.

3

6210-81-6390

BOLT

SN: 315919-UP

1шт.

4

01640-21323

WASHER

SN: 315919-UP

1шт.

5

01582-01210

NUT

SN: 315919-UP

1шт.

6

01643-31232

WASHER

SN: 315919-UP

1шт.

7

6150-81-6950

SPACER

SN: 315919-UP

1шт.

8

6240-81-4320

BRACKET

SN: 315919-UP

1шт.

9

01010-81235

BOLT

SN: 315919-UP

4шт.

10

01643-31232

WASHER

SN: 315919-UP

4шт.

11

6240-81-4510

BRACKET

SN: 315919-UP

1шт.

12

01010-81240

BOLT

SN: 315919-UP

2шт.

13

01643-31232

WASHER

SN: 315919-UP

2шт.

14

01010-E1255

BOLT

SN: 315919-UP

2шт.

15

01643-31232

WASHER

SN: 315919-UP

4шт.

16

01580-01210

NUT

SN: 315919-UP

2шт.

17

6240-81-4420

BRACKET

SN: 315919-UP

1шт.

18

01011-81000

BOLT

SN: 315919-UP

3шт.

19

01643-31032

WASHER

SN: 315919-UP

3шт.

20

6240-81-8650

ROD

SN: 315919-UP

1шт.

21

6240-81-8660

PLATE

SN: 315919-UP

1шт.

22

01582-01815

NUT

SN: 315919-UP

2шт.

23

01640-21826

WASHER

SN: 315919-UP

2шт.

24

6162-85-5250

BOLT

SN: 315919-UP

1шт.

25

01643-31232

WASHER

SN: 315919-UP

1шт.

26

6215-81-6150

PIN

SN: 315919-UP

1шт.

27

01010-81255

BOLT

SN: 315919-UP

1шт.

28

01643-31232

WASHER

SN: 315919-UP

1шт.

29

6240-81-8720

V-BELT

SN: 315919-UP

1шт.

30

195-911-7581

AIR COMPRESSOR ASS'Y

SN: 315919-UP

1шт.

31

01010-80885

BOLT

SN: 315919-UP

4шт.

32

01643-30823

WASHER

SN: 315919-UP

4шт.

33

6240-81-6221

BRACKET

SN: 315919-UP

1шт.

34

01435-01025

BOLT

SN: 315919-UP

4шт.

35

6240-81-6880

BRACKET,TENSION

SN: 315919-UP

1шт.

36

01435-01225

BOLT

SN: 315919-UP

2шт.

37

01435-01030

BOLT

SN: 315919-UP

2шт.

1

600-825-6550

ALTERNATOR A. (60A),(SEE FIG.A6010-B6K5)

SN: 315919-UP

1шт.

2

600-815-9980

WASHER

SN: 315919-UP

1шт.

3

6210-81-6390

BOLT

SN: 315919-UP

1шт.

4

01640-21323

WASHER

SN: 315919-UP

1шт.

5

01582-01210

NUT

SN: 315919-UP

1шт.

6

01643-31232

WASHER

SN: 315919-UP

1шт.

7

6150-81-6950

SPACER

SN: 315919-UP

1шт.

8

6240-81-4320

BRACKET

SN: 315919-UP

1шт.

9

01010-81235

BOLT

SN: 315919-UP

4шт.

10

01643-31232

WASHER

SN: 315919-UP

4шт.

11

6240-81-4510

BRACKET

SN: 315919-UP

1шт.

12

01010-81240

BOLT

SN: 315919-UP

2шт.

13

01643-31232

WASHER

SN: 315919-UP

2шт.

14

01010-E1255

BOLT

SN: 315919-UP

2шт.

15

01643-31232

WASHER

SN: 315919-UP

4шт.

16

01580-01210

NUT

SN: 315919-UP

2шт.

17

6240-81-4420

BRACKET

SN: 315919-UP

1шт.

18

01011-81000

BOLT

SN: 315919-UP

3шт.

19

01643-31032

WASHER

SN: 315919-UP

3шт.

20

6240-81-8650

ROD

SN: 315919-UP

1шт.

21

6240-81-8660

PLATE

SN: 315919-UP

1шт.

22

01582-01815

NUT

SN: 315919-UP

2шт.

23

01640-21826

WASHER

SN: 315919-UP

2шт.

24

6162-85-5250

BOLT

SN: 315919-UP

1шт.

25

01643-31232

WASHER

SN: 315919-UP

1шт.

26

6215-81-6150

PIN

SN: 315919-UP

1шт.

27

01010-81255

BOLT

SN: 315919-UP

1шт.

28

01643-31232

WASHER

SN: 315919-UP

1шт.

29

6240-81-8720

V-BELT

SN: 315919-UP

1шт.

30

195-911-7581

AIR COMPRESSOR ASS'Y

SN: 315919-UP

1шт.

31

01010-80885

BOLT

SN: 315919-UP

4шт.

32

01643-30823

WASHER

SN: 315919-UP

4шт.

33

6240-81-6221

BRACKET

SN: 315919-UP

1шт.

34

01435-01025

BOLT

SN: 315919-UP

4шт.

35

6240-81-6880

BRACKET,TENSION

SN: 315919-UP

1шт.

36

01435-01225

BOLT

SN: 315919-UP

2шт.

37

01435-01030

BOLT

SN: 315919-UP

2шт.

Выбрано товаров: 74