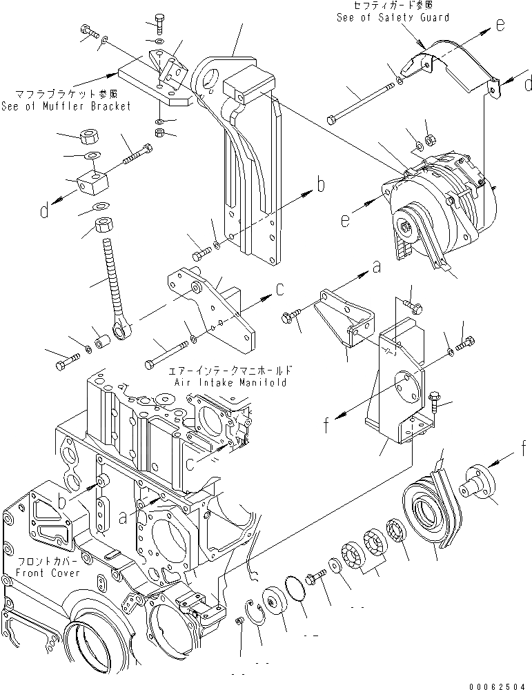
Запчасти Komatsu SA6D170E-3A-7 КРЕПЛЕНИЕ ГЕНЕРАТОРА (9A) (FREON КОМПРЕССОР LESS)(№99-) ДВИГАТЕЛЬ

Схема запчастей Komatsu SA6D170E-3A-7 - КРЕПЛЕНИЕ ГЕНЕРАТОРА (9A) (FREON КОМПРЕССОР LESS)(№99-) ДВИГАТЕЛЬ
1
2
3
4
5
6
7
8
9
10
11
12
13
13
14
15
16
17
18
19
20
20
21
21
22
23
24
25
26
26
27
28
29
30
31
32
33
34
35
36
37
38
39
40
41
42
43
1
2
3
4
5
6
7
8
9
10
11
12
13
13
14
15
16
17
18
19
20
20
21
21
22
23
24
25
26
26
27
28
29
30
31
32
33
34
35
36
37
38
39
40
41
42
43
FIT
1:1
100%

Артикул

Название

Примечание

Количество

1

600-825-9820

ALTERNATOR A. (90A),(SEE FIG.A6010-B6K6)

SN: 315919-UP

1шт.

2

6732-81-6840

BOLT

SN: 315919-UP

1шт.

3

01640-21323

WASHER

SN: 315919-UP

1шт.

4

01582-01210

NUT

SN: 315919-UP

1шт.

5

01643-31232

WASHER

SN: 315919-UP

1шт.

6

6240-81-4610

BRACKET

SN: 315919-UP

1шт.

7

01010-81235

BOLT

SN: 315919-UP

4шт.

8

01643-31232

WASHER

SN: 315919-UP

4шт.

9

6240-81-4510

BRACKET

SN: 315919-UP

1шт.

10

01010-81240

BOLT

SN: 315919-UP

2шт.

11

01643-31232

WASHER

SN: 315919-UP

2шт.

12

01010-E1255

BOLT

SN: 315919-UP

2шт.

13

01643-31232

WASHER

SN: 315919-UP

4шт.

14

01580-01210

NUT

SN: 315919-UP

2шт.

15

6240-81-4420

BRACKET

SN: 315919-UP

1шт.

16

01011-81000

BOLT

SN: 315919-UP

3шт.

17

01643-31032

WASHER

SN: 315919-UP

3шт.

18

6240-81-8650

ROD

SN: 315919-UP

1шт.

19

6240-81-4630

PLATE

SN: 315919-UP

1шт.

20

01582-01815

NUT

SN: 315919-UP

2шт.

21

6114-21-1720

WASHER

SN: 315919-UP

2шт.

22

6732-81-6860

BOLT

SN: 315919-UP

1шт.

23

6215-81-6150

PIN

SN: 315919-UP

1шт.

24

01010-81255

BOLT

SN: 315919-UP

1шт.

25

01643-31232

WASHER

SN: 315919-UP

1шт.

26

6240-81-8720

V-BELT

SN: 315919-UP

1шт.

|$33

6240-81-6900

TENSION ASS'Y

SN: 315919-UP

1шт.

27

6240-81-6910

PULLEY

SN: 315919-UP

1шт.

28

6240-81-6920

SHAFT

SN: 315919-UP

1шт.

29

6240-81-6930

COVER

SN: 315919-UP

1шт.

30

07012-00035

SEAL

SN: 315919-UP

1шт.

31

06300-06206

BEARING

SN: 315919-UP

2шт.

32

07000-12065

O-RING

SN: 315919-UP

1шт.

33

04065-06525

RING

SN: 315919-UP

1шт.

34

01435-01020

BOLT,SNAP

SN: 315919-UP

1шт.

35

07043-00108

PLUG

SN: 315919-UP

1шт.

36

6210-81-6730

SPACER

SN: 315919-UP

1шт.

37

01010-81235

BOLT

SN: 315919-UP

3шт.

38

01643-31232

WASHER

SN: 315919-UP

3шт.

39

6240-81-6230

BRACKET

SN: 315919-UP

1шт.

40

01435-01025

BOLT

SN: 315919-UP

4шт.

41

6240-81-6880

BRACKET

SN: 315919-UP

1шт.

42

01435-01225

BOLT

SN: 315919-UP

2шт.

43

01435-01030

BOLT

SN: 315919-UP

2шт.

1

600-825-9820

ALTERNATOR A. (90A),(SEE FIG.A6010-B6K6)

SN: 315919-UP

1шт.

2

6732-81-6840

BOLT

SN: 315919-UP

1шт.

3

01640-21323

WASHER

SN: 315919-UP

1шт.

4

01582-01210

NUT

SN: 315919-UP

1шт.

5

01643-31232

WASHER

SN: 315919-UP

1шт.

6

6240-81-4610

BRACKET

SN: 315919-UP

1шт.

7

01010-81235

BOLT

SN: 315919-UP

4шт.

8

01643-31232

WASHER

SN: 315919-UP

4шт.

9

6240-81-4510

BRACKET

SN: 315919-UP

1шт.

10

01010-81240

BOLT

SN: 315919-UP

2шт.

11

01643-31232

WASHER

SN: 315919-UP

2шт.

12

01010-E1255

BOLT

SN: 315919-UP

2шт.

13

01643-31232

WASHER

SN: 315919-UP

4шт.

14

01580-01210

NUT

SN: 315919-UP

2шт.

15

6240-81-4420

BRACKET

SN: 315919-UP

1шт.

16

01011-81000

BOLT

SN: 315919-UP

3шт.

17

01643-31032

WASHER

SN: 315919-UP

3шт.

18

6240-81-8650

ROD

SN: 315919-UP

1шт.

19

6240-81-4630

PLATE

SN: 315919-UP

1шт.

20

01582-01815

NUT

SN: 315919-UP

2шт.

21

6114-21-1720

WASHER

SN: 315919-UP

2шт.

22

6732-81-6860

BOLT

SN: 315919-UP

1шт.

23

6215-81-6150

PIN

SN: 315919-UP

1шт.

24

01010-81255

BOLT

SN: 315919-UP

1шт.

25

01643-31232

WASHER

SN: 315919-UP

1шт.

26

6240-81-8720

V-BELT

SN: 315919-UP

1шт.

|$33

6240-81-6900

TENSION ASS'Y

SN: 315919-UP

1шт.

27

6240-81-6910

PULLEY

SN: 315919-UP

1шт.

28

6240-81-6920

SHAFT

SN: 315919-UP

1шт.

29

6240-81-6930

COVER

SN: 315919-UP

1шт.

30

07012-00035

SEAL

SN: 315919-UP

1шт.

31

06300-06206

BEARING

SN: 315919-UP

2шт.

32

07000-12065

O-RING

SN: 315919-UP

1шт.

33

04065-06525

RING

SN: 315919-UP

1шт.

34

01435-01020

BOLT,SNAP

SN: 315919-UP

1шт.

35

07043-00108

PLUG

SN: 315919-UP

1шт.

36

6210-81-6730

SPACER

SN: 315919-UP

1шт.

37

01010-81235

BOLT

SN: 315919-UP

3шт.

38

01643-31232

WASHER

SN: 315919-UP

3шт.

39

6240-81-6230

BRACKET

SN: 315919-UP

1шт.

40

01435-01025

BOLT

SN: 315919-UP

4шт.

41

6240-81-6880

BRACKET

SN: 315919-UP

1шт.

42

01435-01225

BOLT

SN: 315919-UP

2шт.

43

01435-01030

BOLT

SN: 315919-UP

2шт.

Выбрано товаров: 88