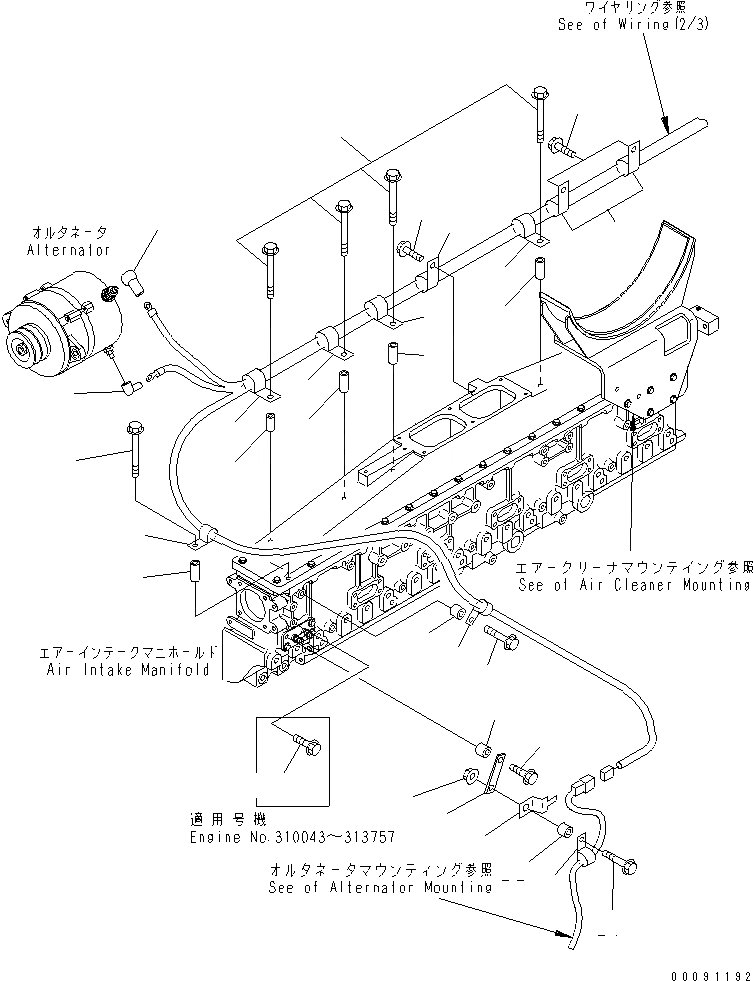
Запчасти Komatsu SA6D170E-3A-7 ЭЛЕКТРОПРОВОДКА (/) (ДЛЯ 7A¤ 9A ГЕНЕРАТОР) (С КОМПРЕССОР) ДВИГАТЕЛЬ

Схема запчастей Komatsu SA6D170E-3A-7 - ЭЛЕКТРОПРОВОДКА (/) (ДЛЯ 7A¤ 9A ГЕНЕРАТОР) (С КОМПРЕССОР) ДВИГАТЕЛЬ
1
1
1
1
1
2
3
4
5
5
5
6
7
8
9
10
11
12
13
14
15
16
17
18
19
20
21
22
22
23
1
1
1
1
1
2
3
4
5
5
5
6
7
8
9
10
11
12
13
14
15
16
17
18
19
20
21
22
22
23
FIT
1:1
100%

Артикул

Название

Примечание

Количество

1

04434-51408

CLIP

SN: 320208-UP

5шт.

1

04434-51408

CLIP

SN: 310043-320207

7шт.

2

04434-51410

CLIP

SN: 320208-UP

2шт.

3

01435-01016

BOLT

SN: 320208-UP

2шт.

3

01435-00816

BOLT

SN: 310043-320207

2шт.

4

01435-00885

BOLT

SN: 310043-UP

4шт.

5

6143-11-4290

SPACER

SN: 313758-UP

3шт.

5

0

SPACER

SN: 310043-313757

4шт.

6

01435-00816

BOLT

SN: 310043-UP

1шт.

7

203-54-11170

SPACER

SN: 313758-UP

1шт.

8

08038-12027

CAP

SN: 310043-UP

1шт.

9

6162-83-4970

CAP

SN: 310071-UP

1шт.

9

0

CAP

SN: 310043-310070

1шт.

10

04434-50508

CLIP

SN: 310071-UP

1шт.

10

0

CLIP

SN: 310043-310070

1шт.

11

6143-11-4290

SPACER

SN: 310043-UP

1шт.

12

01435-00885

BOLT

SN: 310043-UP

1шт.

13

04434-50510

CLIP

SN: 310071-UP

1шт.

13

0

CLIP

SN: 310043-310070

1шт.

14

6131-22-3750

BOSS

SN: 310043-UP

1шт.

15

01435-01040

BOLT

SN: 310043-UP

1шт.

16

6162-73-4540

STAY

SN: 310071-UP

1шт.

16

0

BRACKET

SN: 310043-310070

1шт.

17

01435-01040

BOLT

SN: 310043-UP

1шт.

18

01584-01008

NUT

SN: 310043-UP

1шт.

19

01435-01016

BOLT

SN: 310043-313757

1шт.

20

08193-20010

CLIP

SN: 310043-UP

1шт.

21

01435-01040

BOLT

SN: 310043-UP

1шт.

22

6131-22-3750

BOSS

SN: 310043-UP

2шт.

23

04434-50510

CLIP

SN: 310043-UP

1шт.

1

04434-51408

CLIP

SN: 320208-UP

5шт.

1

04434-51408

CLIP

SN: 310043-320207

7шт.

2

04434-51410

CLIP

SN: 320208-UP

2шт.

3

01435-01016

BOLT

SN: 320208-UP

2шт.

3

01435-00816

BOLT

SN: 310043-320207

2шт.

4

01435-00885

BOLT

SN: 310043-UP

4шт.

5

6143-11-4290

SPACER

SN: 313758-UP

3шт.

5

0

SPACER

SN: 310043-313757

4шт.

6

01435-00816

BOLT

SN: 310043-UP

1шт.

7

203-54-11170

SPACER

SN: 313758-UP

1шт.

8

08038-12027

CAP

SN: 310043-UP

1шт.

9

6162-83-4970

CAP

SN: 310071-UP

1шт.

9

0

CAP

SN: 310043-310070

1шт.

10

04434-50508

CLIP

SN: 310071-UP

1шт.

10

0

CLIP

SN: 310043-310070

1шт.

11

6143-11-4290

SPACER

SN: 310043-UP

1шт.

12

01435-00885

BOLT

SN: 310043-UP

1шт.

13

04434-50510

CLIP

SN: 310071-UP

1шт.

13

0

CLIP

SN: 310043-310070

1шт.

14

6131-22-3750

BOSS

SN: 310043-UP

1шт.

15

01435-01040

BOLT

SN: 310043-UP

1шт.

16

6162-73-4540

STAY

SN: 310071-UP

1шт.

16

0

BRACKET

SN: 310043-310070

1шт.

17

01435-01040

BOLT

SN: 310043-UP

1шт.

18

01584-01008

NUT

SN: 310043-UP

1шт.

19

01435-01016

BOLT

SN: 310043-313757

1шт.

20

08193-20010

CLIP

SN: 310043-UP

1шт.

21

01435-01040

BOLT

SN: 310043-UP

1шт.

22

6131-22-3750

BOSS

SN: 310043-UP

2шт.

23

04434-50510

CLIP

SN: 310043-UP

1шт.

Выбрано товаров: 60