Запчасти Komatsu SA6D170E-3A-7 ТОПЛИВН. ФИЛЬТР. КРЕПЛЕНИЕ (BAD ТОПЛИВН. GROUND СПЕЦ-Я.) ДВИГАТЕЛЬ

Схема запчастей Komatsu SA6D170E-3A-7 - ТОПЛИВН. ФИЛЬТР. КРЕПЛЕНИЕ (BAD ТОПЛИВН. GROUND СПЕЦ-Я.) ДВИГАТЕЛЬ
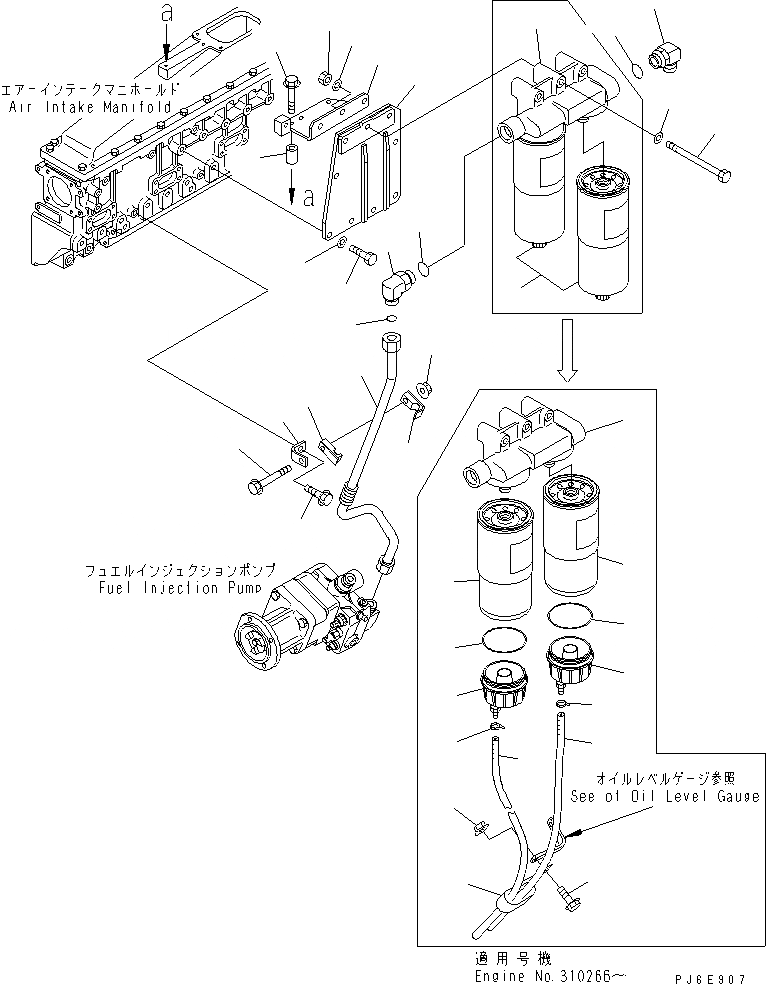
1
1
2
3
3
4
4
5
5
6
7
7
8
9
10
11
12
13
14
15
16
17
18
19
20
21
22
23
24
25
26
27
27
28
28
29
30
31
1
1
2
3
3
4
4
5
5
6
7
7
8
9
10
11
12
13
14
15
16
17
18
19
20
21
22
23
24
25
26
27
27
28
28
29
30
31
FIT
1:1
100%

Артикул

Название

Примечание

Количество

1

6240-71-6113

BRACKET,FUEL FILTER

SN: 314877-UP

1шт.

1

0

BRACKET,FUEL FILTER

SN: 310145-314876

1шт.

1

0

BRACKET,FUEL FILTER

SN: 310043-310144

1шт.

2

600-311-3110

CARTRIDGE (1-1/4)

SN: 310043-310144

2шт.

|$6

600-311-3200

SEPARATOR ASS'Y

SN: 310145-UP

2шт.

|$7

600-311-3240

FILTER ASS'Y

SN: 310145-UP

1шт.

3

0

FILTER (1-1/4)

SN: 310145-UP

1шт.

4

600-311-3230

SEAL

SN: 310145-UP

1шт.

5

600-311-3220

CAP

SN: 310145-UP

1шт.

6

01011-81220

BOLT

SN: 310043-UP

3шт.

7

01643-31232

WASHER

SN: 310043-UP

6шт.

8

01580-01210

NUT

SN: 310043-UP

3шт.

9

6240-71-6210

BRACKET

SN: 310043-UP

1шт.

10

01010-81230

BOLT

SN: 310043-UP

4шт.

11

01643-31232

WASHER

SN: 310043-UP

4шт.

12

6240-71-6220

BRACKET

SN: 310043-UP

1шт.

13

01435-00850

BOLT

SN: 310043-UP

2шт.

14

6167-21-5910

SPACER

SN: 310043-UP

2шт.

15

262-60-24860

ELBOW

SN: 310043-UP

1шт.

16

6240-71-5840

O-RING (K2)

SN: 310043-UP

1шт.

17

6240-71-5140

TUBE

SN: 310043-UP

1шт.

18

6240-71-6760

ELBOW ASS'Y

SN: 312623-UP

1шт.

18

6240-71-5190

ELBOW ASS'Y

SN: 310043-312622

1шт.

19

6240-71-5870

O-RING

SN: 312623-UP

1шт.

19

6240-71-5840

O-RING

SN: 310043-312622

1шт.

20

02896-11018

O-RING

SN: 312623-UP

1шт.

20

6240-71-5850

O-RING

SN: 310043-312622

1шт.

21

6240-71-6650

BRACKET

SN: 310043-UP

1шт.

22

01435-01025

BOLT

SN: 310043-UP

1шт.

23

6240-71-6550

CLAMP

SN: 310043-UP

1шт.

24

6240-71-6560

CLAMP

SN: 310043-UP

1шт.

25

01435-01055

BOLT

SN: 310043-UP

1шт.

26

01584-01008

NUT

SN: 310043-UP

1шт.

27

07270-20850

TUBE

SN: 310145-UP

2шт.

28

07285-00125

CLIP

SN: 310765-UP

2шт.

28

0

BAND

SN: 310145-310764

2шт.

29

04435-51508

CLIP

SN: 310145-UP

1шт.

30

01435-00825

BOLT

SN: 310145-UP

1шт.

31

01584-00806

NUT

SN: 310145-UP

1шт.

1

6240-71-6113

BRACKET,FUEL FILTER

SN: 314877-UP

1шт.

1

0

BRACKET,FUEL FILTER

SN: 310145-314876

1шт.

1

0

BRACKET,FUEL FILTER

SN: 310043-310144

1шт.

2

600-311-3110

CARTRIDGE (1-1/4)

SN: 310043-310144

2шт.

|$6

600-311-3200

SEPARATOR ASS'Y

SN: 310145-UP

2шт.

|$7

600-311-3240

FILTER ASS'Y

SN: 310145-UP

1шт.

3

0

FILTER (1-1/4)

SN: 310145-UP

1шт.

4

600-311-3230

SEAL

SN: 310145-UP

1шт.

5

600-311-3220

CAP

SN: 310145-UP

1шт.

6

01011-81220

BOLT

SN: 310043-UP

3шт.

7

01643-31232

WASHER

SN: 310043-UP

6шт.

8

01580-01210

NUT

SN: 310043-UP

3шт.

9

6240-71-6210

BRACKET

SN: 310043-UP

1шт.

10

01010-81230

BOLT

SN: 310043-UP

4шт.

11

01643-31232

WASHER

SN: 310043-UP

4шт.

12

6240-71-6220

BRACKET

SN: 310043-UP

1шт.

13

01435-00850

BOLT

SN: 310043-UP

2шт.

14

6167-21-5910

SPACER

SN: 310043-UP

2шт.

15

262-60-24860

ELBOW

SN: 310043-UP

1шт.

16

6240-71-5840

O-RING (K2)

SN: 310043-UP

1шт.

17

6240-71-5140

TUBE

SN: 310043-UP

1шт.

18

6240-71-6760

ELBOW ASS'Y

SN: 312623-UP

1шт.

18

6240-71-5190

ELBOW ASS'Y

SN: 310043-312622

1шт.

19

6240-71-5870

O-RING

SN: 312623-UP

1шт.

19

6240-71-5840

O-RING

SN: 310043-312622

1шт.

20

02896-11018

O-RING

SN: 312623-UP

1шт.

20

6240-71-5850

O-RING

SN: 310043-312622

1шт.

21

6240-71-6650

BRACKET

SN: 310043-UP

1шт.

22

01435-01025

BOLT

SN: 310043-UP

1шт.

23

6240-71-6550

CLAMP

SN: 310043-UP

1шт.

24

6240-71-6560

CLAMP

SN: 310043-UP

1шт.

25

01435-01055

BOLT

SN: 310043-UP

1шт.

26

01584-01008

NUT

SN: 310043-UP

1шт.

27

07270-20850

TUBE

SN: 310145-UP

2шт.

28

07285-00125

CLIP

SN: 310765-UP

2шт.

28

0

BAND

SN: 310145-310764

2шт.

29

04435-51508

CLIP

SN: 310145-UP

1шт.

30

01435-00825

BOLT

SN: 310145-UP

1шт.

31

01584-00806

NUT

SN: 310145-UP

1шт.

Выбрано товаров: 78