Запчасти Komatsu D375A-5 ОСНОВН. КОНСТРУКЦИЯ (ЭЛЕКТРОПРОВОДКА) (БЛОК РЕЛЕ) (С КАБИНОЙLE NUMBERING)(№-) КАБИНА ОПЕРАТОРА И СИСТЕМА УПРАВЛЕНИЯ

Схема запчастей Komatsu D375A-5 - ОСНОВН. КОНСТРУКЦИЯ (ЭЛЕКТРОПРОВОДКА) (БЛОК РЕЛЕ) (С КАБИНОЙLE NUMBERING)(№-) КАБИНА ОПЕРАТОРА И СИСТЕМА УПРАВЛЕНИЯ
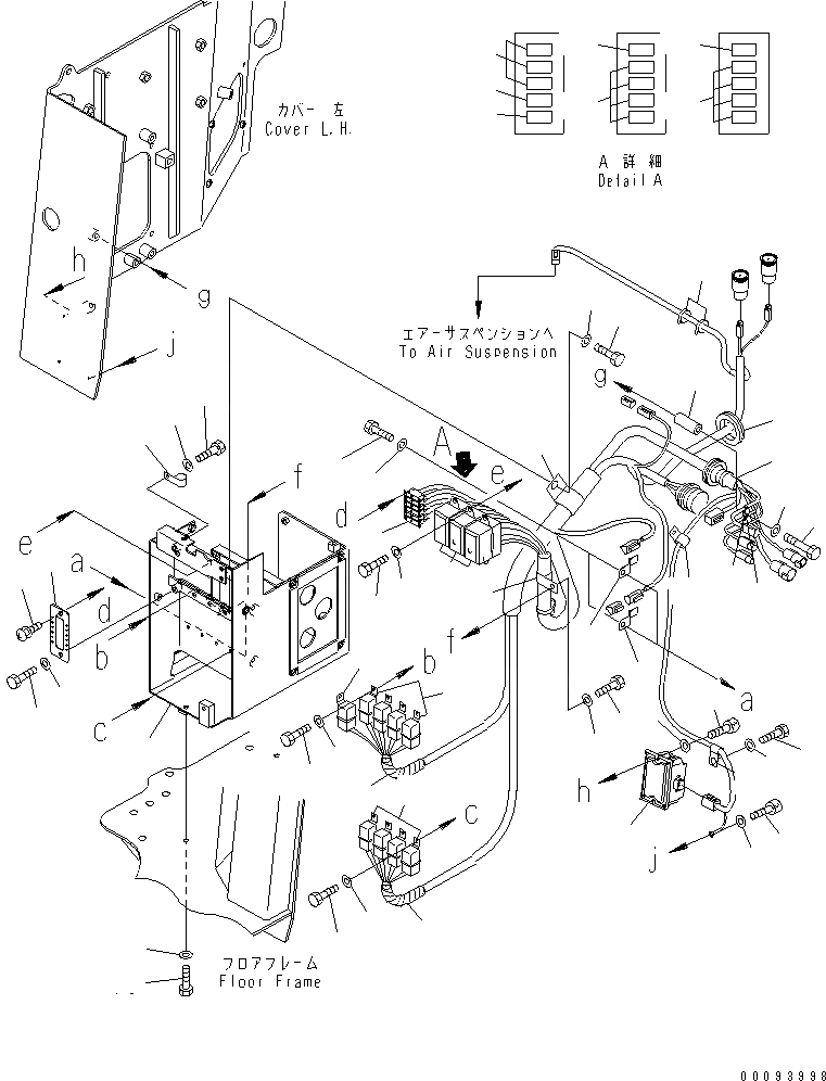
1
2
2
3
4
5
5
5
6
6
7
7
8
9
10
11
12
13
14
15
15
16
17
17
17
17
18
19
19
20
21
22
23
24
25
26
27
28
29
30
31
32
33
34
35
36
37
37
38
39
40
41
42
43
44
45
46
FIT
1:1
100%

Артикул

Название

Примечание

Количество

1

17M-06-43451

BRACKET

SN: 55001-UP

1шт.

2

08193-20010

CLIP

SN: 55001-UP

2шт.

3

01010-80816

BOLT

SN: 55001-UP

2шт.

4

01643-30823

WASHER

SN: 55001-UP

2шт.

5

569-06-61960

RELAY

SN: 55001-UP

9шт.

6

01010-80612

BOLT

SN: 55001-UP

9шт.

7

01643-30623

WASHER

SN: 55001-UP

9шт.

8

195-06-56480

PLATE

SN: 55001-UP

1шт.

9

01010-80816

BOLT

SN: 55001-UP

2шт.

10

01641-20812

WASHER

SN: 55001-UP

2шт.

11

195-979-8340

BREAKER

SN: 55001-UP

6шт.

12

01023-10308

SCREW

SN: 55001-UP

12шт.

13

08037-05016

GROMMET

SN: 55001-UP

1шт.

14

195-06-65190

WIRING HARNESS

SN: 55001-UP

1шт.

15

08041-00500

FUSE, 5A

SN: 55001-UP

5шт.

16

08041-01000

FUSE, 10A

SN: 55001-UP

2шт.

17

08041-02000

FUSE, 20A

SN: 55001-UP

11шт.

18

20T-06-71560

FUSE BOX

SN: 55001-UP

3шт.

19

08210-00601

SPIRAL TUBE

SN: 55001-UP

9шт.

20

01010-80816

BOLT

SN: 55001-UP

6шт.

21

01641-20812

WASHER

SN: 55001-UP

6шт.

22

04434-53411

CLIP

SN: 55001-UP

1шт.

23

01010-80816

BOLT

SN: 55001-UP

1шт.

24

01643-30823

WASHER

SN: 55001-UP

1шт.

25

04434-52310

CLIP

SN: 55001-UP

1шт.

26

01010-80816

BOLT

SN: 55001-UP

1шт.

27

01643-30823

WASHER

SN: 55001-UP

1шт.

28

04434-51708

CLIP

SN: 55001-UP

2шт.

29

01010-80816

BOLT

SN: 55001-UP

2шт.

30

01643-30823

WASHER

SN: 55001-UP

2шт.

31

08034-20414

BAND

SN: 55001-UP

2шт.

32

04434-51210

CLIP

SN: 55001-UP

1шт.

33

04434-51610

CLIP

SN: 55001-UP

1шт.

34

6150-81-6940

SPACER

SN: 55001-UP

1шт.

35

01010-81075

BOLT

SN: 55001-UP

1шт.

36

01643-31032

WASHER

SN: 55001-UP

1шт.

37

04434-51210

CLIP

SN: 55001-UP

2шт.

38

01010-81020

BOLT

SN: 55001-UP

2шт.

39

01643-31032

WASHER

SN: 55001-UP

2шт.

40

2A5-06-11881

CONVERTER

SN: 55041-UP

1шт.

41

01252-B0520

BOLT

SN: 55041-UP

2шт.

42

01640-50508

WASHER

SN: 55041-UP

2шт.

43

01252-70510

BOLT

SN: 55001-UP

1шт.

44

01640-20508

WASHER

SN: 55001-UP

1шт.

45

01010-80825

BOLT

SN: 55001-UP

7шт.

46

01643-30823

WASHER

SN: 55001-UP

7шт.

Выбрано товаров: 46