Запчасти Komatsu D375A-5 ГОЛОВНОЕ ОСВЕЩЕНИЕ И ЭЛЕКТРОПРОВОДКА(№-) ЧАСТИ КОРПУСА

Схема запчастей Komatsu D375A-5 - ГОЛОВНОЕ ОСВЕЩЕНИЕ И ЭЛЕКТРОПРОВОДКА(№-) ЧАСТИ КОРПУСА
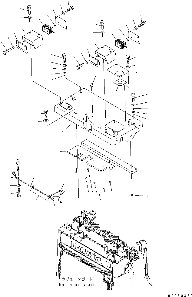
1
1
2
2
3
3
4
4
5
5
6
6
7
7
8
8
9
9
10
10
11
11
12
13
13
13
14
15
16
17
18
19
20
21
21
21
22
23
24
25
26
26
27
27
28
28
29
29
30
30
31
31
32
33
34
FIT
1:1
100%

Артикул

Название

Примечание

Количество

1

195-54-81451

COVER

SN: 55001-UP

2шт.

2

17A-06-17931

LAMP ASS'Y

SN: 55001-UP

2шт.

2

17A-06-17970

BULB, 70W

SN: 55001-UP

1шт.

2

17A-06-17980

SLEEVE

SN: 55001-UP

1шт.

3

195-54-81461

COVER

SN: 55001-UP

2шт.

4

195-54-43260

BOLT

SN: 55001-UP

8шт.

5

01643-70823

WASHER

SN: 55001-UP

8шт.

6

01010-81230

BOLT

SN: 55001-UP

6шт.

7

01643-31232

WASHER

SN: 55001-UP

6шт.

8

195-54-81471

PLATE

SN: 55001-UP

2шт.

9

201-54-13210

GROMMET

SN: 55001-UP

2шт.

10

01010-80825

BOLT

SN: 55001-UP

8шт.

11

01643-30823

WASHER

SN: 55001-UP

8шт.

12

195-06-54111

WIRING HARNESS

SN: 55001-UP

1шт.

13

04434-51012

CLIP

SN: 55001-UP

4шт.

14

01010-81220

BOLT

SN: 55001-UP

4шт.

15

01643-31232

WASHER

SN: 55001-UP

4шт.

|$30

195-862-8921

COVER ASS'Y

SN: 55001-UP

1шт.

16

0

COVER

SN: 55001-UP

1шт.

17

154-862-7240

STUD (WELDED)

SN: 55001-UP

3шт.

18

124-A62-1910

STUD (WELDED)

SN: 55001-UP

4шт.

19

195-862-8931

SHEET

SN: 55001-UP

1шт.

20

195-862-8941

SHEET

SN: 55001-UP

1шт.

21

124-A62-1920

CAP

SN: 55001-UP

7шт.

|$38

195-54-81270

COVER

SN: 55012-UP

1шт.

22

0

COVER

SN: 55001-UP

1шт.

23

195-54-81260

SEAL

SN: 55001-UP

1шт.

24

01010-81220

BOLT

SN: 55001-UP

4шт.

25

01643-31232

WASHER

SN: 55001-UP

4шт.

26

135-06-34260

GROMMET

SN: 55001-UP

2шт.

27

15B-54-14220

COLLAR

SN: 55001-UP

2шт.

28

175-54-27350

SPRING

SN: 55001-UP

4шт.

29

175-54-28770

RING

SN: 55001-UP

2шт.

30

01010-81250

BOLT

SN: 55001-UP

2шт.

31

01643-31232

WASHER

SN: 55001-UP

2шт.

32

01010-81235

BOLT

SN: 55001-UP

4шт.

33

175-54-34170

WASHER

SN: 55001-UP

4шт.

34

07049-01215

PLUG

SN: 55001-UP

4шт.

Выбрано товаров: 38