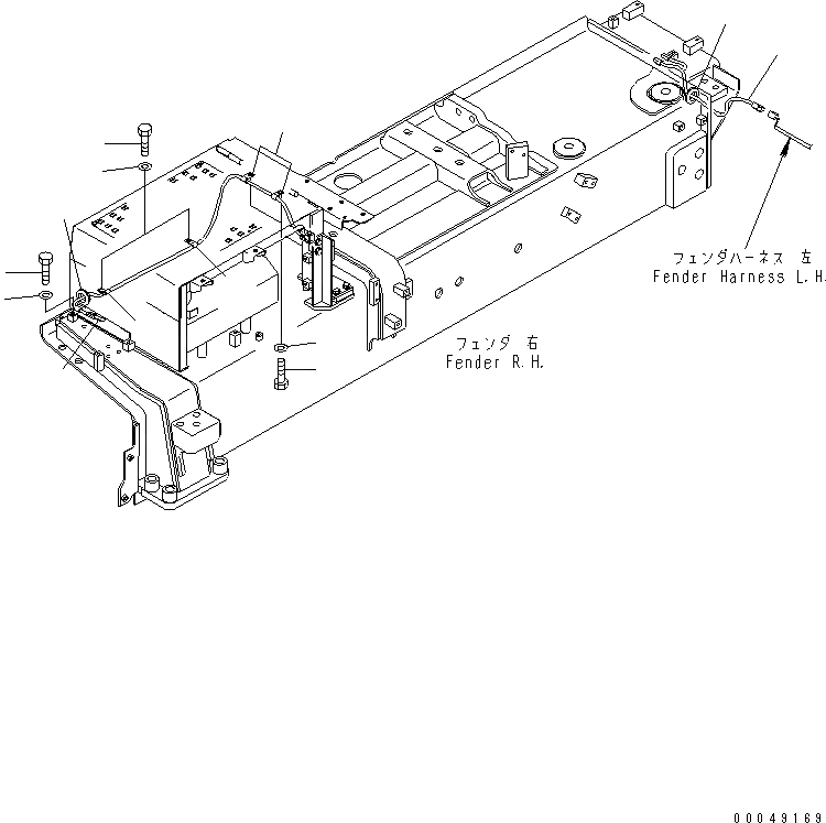
Запчасти Komatsu D375A-5 КРЫЛО (Э/ПРОВОДКА) (ПРАВ.) ЧАСТИ КОРПУСА

Схема запчастей Komatsu D375A-5 - КРЫЛО (Э/ПРОВОДКА) (ПРАВ.) ЧАСТИ КОРПУСА
1
2
2
2
3
3
3
4
4
4
5
6
7
FIT
1:1
100%

Артикул

Название

Примечание

Количество

1

195-06-54310

WIRING HARNESS

SN: 55001-UP

1шт.

2

04434-51712

CLIP

SN: 55001-UP

5шт.

3

01010-81220

BOLT

SN: 55001-UP

5шт.

4

01643-31232

WASHER

SN: 55001-UP

5шт.

5

08037-03614

GROMMET

SN: 55001-UP

1шт.

6

195-06-54411

WIRING HARNESS

SN: 55001-UP

1шт.

7

08037-05016

GROMMET

SN: 55001-UP

1шт.

Выбрано товаров: 7