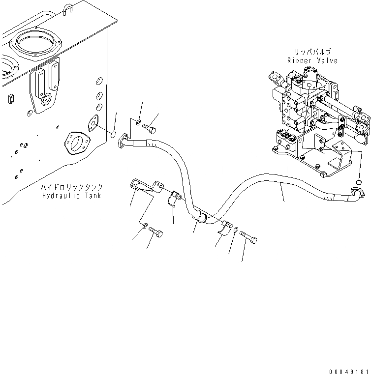
Запчасти Komatsu D375A-5 КРЫЛО (РЫХЛИТЕЛЬ ЛИНИЯ) ЧАСТИ КОРПУСА

Схема запчастей Komatsu D375A-5 - КРЫЛО (РЫХЛИТЕЛЬ ЛИНИЯ) ЧАСТИ КОРПУСА
1
2
3
4
5
6
7
8
8
9
10
11
FIT
1:1
100%

Артикул

Название

Примечание

Количество

1

195-61-51421

HOSE

SN: 55001-UP

1шт.

2

07000-13032

O-RING

SN: 55001-UP

1шт.

3

01010-81035

BOLT

SN: 55001-UP

2шт.

4

01643-31032

WASHER

SN: 55001-UP

2шт.

5

195-61-54431

BRACKET

SN: 55001-UP

1шт.

6

01010-81235

BOLT

SN: 55001-UP

2шт.

7

01643-31232

WASHER

SN: 55001-UP

2шт.

8

07094-11024

CLAMP

SN: 55001-UP

2шт.

9

07095-01037

CUSHION

SN: 55001-UP

1шт.

10

01010-81290

BOLT

SN: 55001-UP

2шт.

11

01643-31232

WASHER

SN: 55001-UP

2шт.

Выбрано товаров: 11