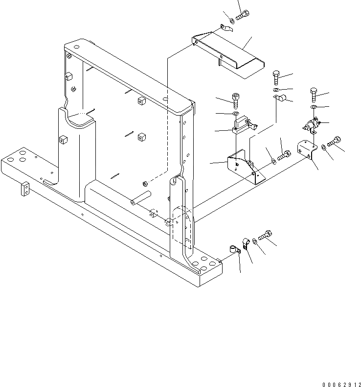
Запчасти Komatsu D375A-5 КРЫЛО (ДАТЧИК НАКЛОНА) ЧАСТИ КОРПУСА

Схема запчастей Komatsu D375A-5 - КРЫЛО (ДАТЧИК НАКЛОНА) ЧАСТИ КОРПУСА
1
2
3
4
5
6
7
8
9
10
11
12
13
14
15
16
17
18
19
20
21
22
FIT
1:1
100%

Артикул

Название

Примечание

Количество

1

17M-06-43340

BRACKET

SN: 55001-UP

1шт.

2

01010-81230

BOLT

SN: 55001-UP

2шт.

3

01643-31232

WASHER

SN: 55001-UP

2шт.

4

7861-93-5390

SENSOR,ANGLE

SN: 55001-UP

1шт.

5

01252-60635

BOLT

SN: 55001-UP

2шт.

6

01643-30623

WASHER

SN: 55001-UP

2шт.

7

600-051-3300

CLIP

SN: 55001-UP

1шт.

8

01010-81220

BOLT

SN: 55001-UP

1шт.

9

01643-31232

WASHER

SN: 55001-UP

1шт.

10

195-06-54432

COVER

SN: 55001-UP

1шт.

11

01010-81230

BOLT

SN: 55001-UP

2шт.

12

01643-31232

WASHER

SN: 55001-UP

2шт.

13

195-06-71291

BRACKET

SN: 55001-UP

1шт.

14

01010-81225

BOLT

SN: 55001-UP

2шт.

15

01643-31232

WASHER

SN: 55001-UP

2шт.

16

600-815-2170

SWITCH

SN: 55001-UP

1шт.

17

01010-80616

BOLT

SN: 55001-UP

2шт.

18

01643-30623

WASHER

SN: 55001-UP

2шт.

19

04434-51712

CLIP

SN: 55001-UP

1шт.

20

04434-51512

CLIP

SN: 55001-UP

1шт.

21

01010-81225

BOLT

SN: 55001-UP

1шт.

22

01643-31232

WASHER

SN: 55001-UP

1шт.

Выбрано товаров: 22