Запчасти Komatsu D375A-5 СИЛОВАЯ ПЕРЕДАЧА (БАК) СИЛОВАЯ ПЕРЕДАЧА И КОНЕЧНАЯ ПЕРЕДАЧА

Схема запчастей Komatsu D375A-5 - СИЛОВАЯ ПЕРЕДАЧА (БАК) СИЛОВАЯ ПЕРЕДАЧА И КОНЕЧНАЯ ПЕРЕДАЧА
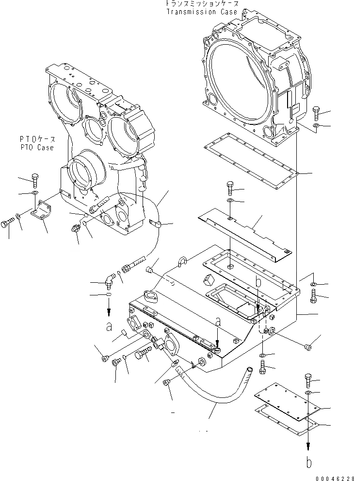
1
2
2
2
2
3
4
5
6
7
8
9
10
11
12
13
14
15
16
17
18
19
20
20
21
21
22
23
23
24
24
25
25
26
27
28
29
30
FIT
1:1
100%

Артикул

Название

Примечание

Количество

|$$1

SERIAL NO. IN ( ) INDICATES TRANSMISSION SERIAL NO.

-1шт.

|$3

195-22-70100

POWER TRAIN ASS'Y

SN: 55001-UP

1шт.

|$4

195-22-70150

POWER TRAIN ASS'Y,(WITH VHMS)

SN: 55001-UP

1шт.

|$$4

THESE ASSEMBLIES CONSIST OF ALL PARTS SHOWN IN FIGS.F2300-51C0 TO F2300-61C0.

-1шт.

1

195-49-73341

TANK

SN: (108657)-UP

1шт.

1

195-49-72241

TANK

SN: 55001-(108656)

1шт.

2

02720-11616

PLUG

SN: 55001-UP

4шт.

3

195-49-31480

PLATE

SN: 55001-UP

1шт.

4

01010-81020

BOLT

SN: 55001-UP

4шт.

5

01643-31032

WASHER

SN: 55001-UP

4шт.

6

07040-12412

PLUG

SN: 55001-UP

1шт.

7

07002-62434

O-RING

SN: 55001-UP

1шт.

8

195-49-31280

VALVE

SN: 55001-UP

1шт.

9

04020-00514

PIN,DOWEL

SN: 55001-UP

1шт.

10

07260-32680

HOSE

SN: 55001-UP

1шт.

11

07281-00419

CLAMP

SN: 55001-UP

1шт.

12

17M-22-25141

GASKET

SN: 55001-UP

1шт.

13

01010-81235

BOLT

SN: 55001-UP

8шт.

14

01643-31232

WASHER

SN: 55001-UP

8шт.

15

01010-81250

BOLT

SN: 55001-UP

7шт.

16

01643-31232

WASHER

SN: 55001-UP

7шт.

17

01010-81250

BOLT

SN: 55001-UP

4шт.

18

01643-31232

WASHER

SN: 55001-UP

4шт.

19

195-49-31270

BRACKET

SN: 55001-UP

2шт.

20

01010-81230

BOLT

SN: 55001-UP

8шт.

21

01643-31232

WASHER

SN: 55001-UP

8шт.

22

02762-00608

HOSE

SN: 55001-UP

1шт.

23

02782-10628

ELBOW

SN: 55001-UP

2шт.

24

07002-62434

O-RING

SN: 55001-UP

2шт.

25

02896-61018

O-RING

SN: 55001-UP

2шт.

26

195-49-31470

CLIP

SN: 55001-UP

1шт.

27

195-49-72270

COVER

SN: 55001-UP

1шт.

28

195-49-72280

GASKET

SN: 55001-UP

1шт.

29

01010-81025

BOLT

SN: 55001-UP

12шт.

30

01643-31032

WASHER

SN: 55001-UP

12шт.

Выбрано товаров: 35