Запчасти Komatsu SAA6D170E-5DR-W ГЕНЕРАТОР (A) И FREON КОМПРЕССОР (PRE-LUBR СПЕЦ-Я.)(№8-) ДВИГАТЕЛЬ

Схема запчастей Komatsu SAA6D170E-5DR-W - ГЕНЕРАТОР (A) И FREON КОМПРЕССОР (PRE-LUBR СПЕЦ-Я.)(№8-) ДВИГАТЕЛЬ
1
2
3
4
5
6
7
8
9
10
11
12
13
14
15
16
17
18
19
20
21
22
23
24
25
26
27
27
27
28
29
30
31
32
1
2
3
4
5
6
7
8
9
10
11
12
13
14
15
16
17
18
19
20
21
22
23
24
25
26
27
27
27
28
29
30
31
32
FIT
1:1
100%

Артикул

Название

Примечание

Количество

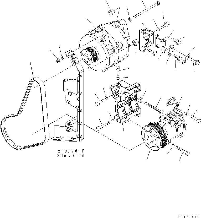
1

600-861-6110

ALTERNATOR A. (60A),(SEE FIG.A6010-C6K8)

SN: 610086-UP

1шт.

2

6732-81-6840

BOLT

SN: 610086-UP

1шт.

3

01640-21323

WASHER

SN: 610086-UP

1шт.

4

6245-81-6190

SPACER

SN: 610086-UP

1шт.

5

01643-31232

WASHER

SN: 610086-UP

1шт.

6

01582-11210

NUT

SN: 610086-UP

1шт.

7

6245-81-6621

BRACKET

SN: 610086-UP

1шт.

8

6127-92-1250

SPACER

SN: 610086-UP

1шт.

9

01050-51255

BOLT

SN: 610086-UP

1шт.

10

01643-31232

WASHER

SN: 610086-UP

1шт.

11

01435-01025

BOLT

SN: 610086-UP

1шт.

12

6245-81-6650

BRACKET

SN: 610086-UP

1шт.

13

01435-01030

BOLT

SN: 610086-UP

1шт.

14

01435-01050

BOLT

SN: 610086-UP

1шт.

15

6152-11-4970

SPACER

SN: 610086-UP

1шт.

16

426-01-11310

BRACKET

SN: 610086-UP

1шт.

17

08193-20010

CLIP

SN: 610086-UP

1шт.

18

01435-01016

BOLT

SN: 610086-UP

1шт.

19

6245-81-6370

BELT

SN: 610086-UP

1шт.

20

14X-911-7111

COMPRESSOR ASS'Y,(FOR AIR CONDITIONER)

SN: 610086-UP

1шт.

21

6245-81-6810

BRACKET

SN: 610086-UP

1шт.

22

01010-80875

BOLT

SN: 610086-UP

4шт.

23

01643-30823

WASHER

SN: 610086-UP

4шт.

24

01010-81225

BOLT

SN: 610086-UP

2шт.

25

01010-81230

BOLT

SN: 610086-UP

2шт.

26

01010-81290

BOLT

SN: 610086-UP

1шт.

27

01643-31232

WASHER

SN: 610086-UP

5шт.

28

6212-61-3980

BOLT,ADJUSTING

SN: 610086-UP

1шт.

29

01580-11210

NUT

SN: 610086-UP

1шт.

30

6240-81-4431

CLIP

SN: 610086-UP

1шт.

31

01010-81035

BOLT

SN: 610086-UP

1шт.

32

01643-31032

WASHER

SN: 610086-UP

1шт.

1

600-861-6110

ALTERNATOR A. (60A),(SEE FIG.A6010-C6K8)

SN: 610086-UP

1шт.

2

6732-81-6840

BOLT

SN: 610086-UP

1шт.

3

01640-21323

WASHER

SN: 610086-UP

1шт.

4

6245-81-6190

SPACER

SN: 610086-UP

1шт.

5

01643-31232

WASHER

SN: 610086-UP

1шт.

6

01582-11210

NUT

SN: 610086-UP

1шт.

7

6245-81-6621

BRACKET

SN: 610086-UP

1шт.

8

6127-92-1250

SPACER

SN: 610086-UP

1шт.

9

01050-51255

BOLT

SN: 610086-UP

1шт.

10

01643-31232

WASHER

SN: 610086-UP

1шт.

11

01435-01025

BOLT

SN: 610086-UP

1шт.

12

6245-81-6650

BRACKET

SN: 610086-UP

1шт.

13

01435-01030

BOLT

SN: 610086-UP

1шт.

14

01435-01050

BOLT

SN: 610086-UP

1шт.

15

6152-11-4970

SPACER

SN: 610086-UP

1шт.

16

426-01-11310

BRACKET

SN: 610086-UP

1шт.

17

08193-20010

CLIP

SN: 610086-UP

1шт.

18

01435-01016

BOLT

SN: 610086-UP

1шт.

19

6245-81-6370

BELT

SN: 610086-UP

1шт.

20

14X-911-7111

COMPRESSOR ASS'Y,(FOR AIR CONDITIONER)

SN: 610086-UP

1шт.

21

6245-81-6810

BRACKET

SN: 610086-UP

1шт.

22

01010-80875

BOLT

SN: 610086-UP

4шт.

23

01643-30823

WASHER

SN: 610086-UP

4шт.

24

01010-81225

BOLT

SN: 610086-UP

2шт.

25

01010-81230

BOLT

SN: 610086-UP

2шт.

26

01010-81290

BOLT

SN: 610086-UP

1шт.

27

01643-31232

WASHER

SN: 610086-UP

5шт.

28

6212-61-3980

BOLT,ADJUSTING

SN: 610086-UP

1шт.

29

01580-11210

NUT

SN: 610086-UP

1шт.

30

6240-81-4431

CLIP

SN: 610086-UP

1шт.

31

01010-81035

BOLT

SN: 610086-UP

1шт.

32

01643-31032

WASHER

SN: 610086-UP

1шт.

Выбрано товаров: 64