Запчасти Komatsu SAA6D170E-5DR-W МАСЛ. ФИЛЬТР ТРУБЫ (PM-CLINIC СПЕЦ-Я.)(№7-) ДВИГАТЕЛЬ

Схема запчастей Komatsu SAA6D170E-5DR-W - МАСЛ. ФИЛЬТР ТРУБЫ (PM-CLINIC СПЕЦ-Я.)(№7-) ДВИГАТЕЛЬ
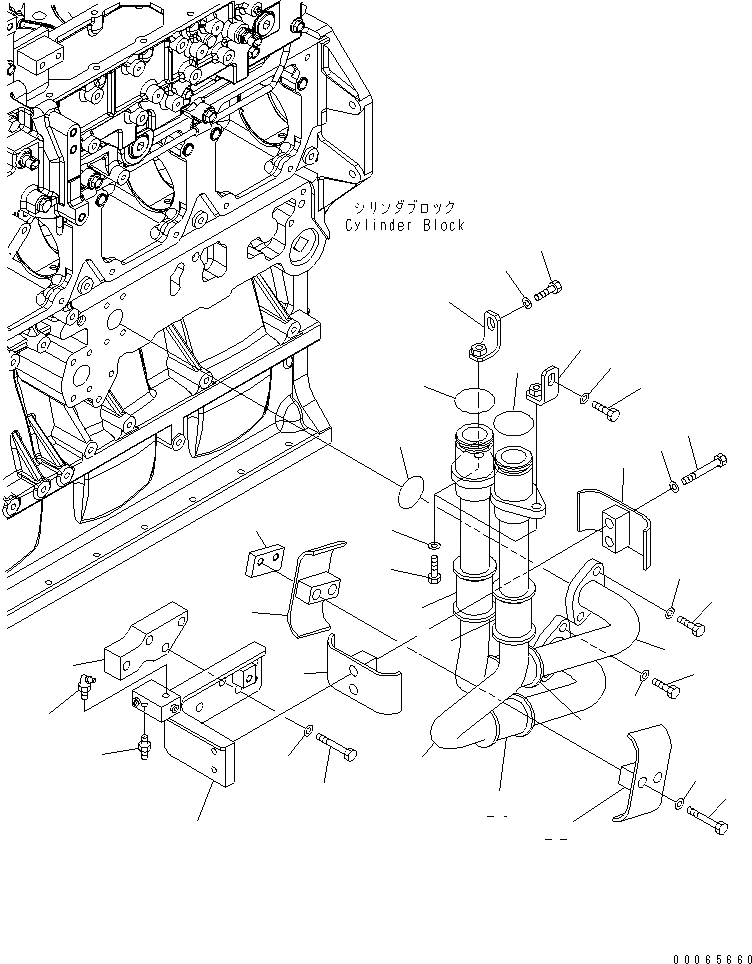
1
2
3
3
4
5
5
6
6
7
7
8
9
10
10
11
11
12
12
13
13
14
15
16
17
18
19
20
21
22
22
23
23
24
25
26
1
2
3
3
4
5
5
6
6
7
7
8
9
10
10
11
11
12
12
13
13
14
15
16
17
18
19
20
21
22
22
23
23
24
25
26
FIT
1:1
100%

Артикул

Название

Примечание

Количество

1

6245-51-5130

TUBE,OUTLET

SN: 610272-UP

1шт.

2

6245-51-5140

TUBE,INLET

SN: 610272-UP

1шт.

3

6219-51-5610

O-RING

SN: 610272-UP

2шт.

4

07000-E3042

O-RING

SN: 610272-UP

2шт.

5

6245-51-5170

BRACKET

SN: 610272-UP

2шт.

6

01010-81025

BOLT

SN: 610272-UP

2шт.

7

01643-31032

WASHER

SN: 610272-UP

2шт.

8

01010-81035

BOLT

SN: 610272-UP

2шт.

9

01643-31032

WASHER

SN: 610272-UP

2шт.

10

01010-81030

BOLT

SN: 610272-UP

4шт.

11

01643-51032

WASHER

SN: 610272-UP

4шт.

12

07094-31024

CLAMP

SN: 610272-UP

2шт.

13

6245-51-5190

CUSHION

SN: 610272-UP

2шт.

14

01010-81075

BOLT

SN: 610272-UP

2шт.

15

01643-31032

WASHER

SN: 610272-UP

2шт.

16

6245-51-5230

BRACKET

SN: 610272-UP

1шт.

17

6245-51-5220

PLATE

SN: 610272-UP

1шт.

18

01010-81060

BOLT

SN: 610272-UP

4шт.

19

01643-31032

WASHER

SN: 610272-UP

4шт.

20

07020-00675

FITTING,GREASE

SN: 610272-UP

1шт.

21

07213-50710

CONNECTOR

SN: 610272-UP

1шт.

22

07094-31024

CLAMP

SN: 610272-UP

2шт.

23

6245-51-5190

CUSHION

SN: 610272-UP

2шт.

24

01010-81075

BOLT

SN: 610272-UP

2шт.

25

01643-31032

WASHER

SN: 610272-UP

2шт.

26

22X-22-13140

SEAT

SN: 610272-UP

1шт.

1

6245-51-5130

TUBE,OUTLET

SN: 610272-UP

1шт.

2

6245-51-5140

TUBE,INLET

SN: 610272-UP

1шт.

3

6219-51-5610

O-RING

SN: 610272-UP

2шт.

4

07000-E3042

O-RING

SN: 610272-UP

2шт.

5

6245-51-5170

BRACKET

SN: 610272-UP

2шт.

6

01010-81025

BOLT

SN: 610272-UP

2шт.

7

01643-31032

WASHER

SN: 610272-UP

2шт.

8

01010-81035

BOLT

SN: 610272-UP

2шт.

9

01643-31032

WASHER

SN: 610272-UP

2шт.

10

01010-81030

BOLT

SN: 610272-UP

4шт.

11

01643-51032

WASHER

SN: 610272-UP

4шт.

12

07094-31024

CLAMP

SN: 610272-UP

2шт.

13

6245-51-5190

CUSHION

SN: 610272-UP

2шт.

14

01010-81075

BOLT

SN: 610272-UP

2шт.

15

01643-31032

WASHER

SN: 610272-UP

2шт.

16

6245-51-5230

BRACKET

SN: 610272-UP

1шт.

17

6245-51-5220

PLATE

SN: 610272-UP

1шт.

18

01010-81060

BOLT

SN: 610272-UP

4шт.

19

01643-31032

WASHER

SN: 610272-UP

4шт.

20

07020-00675

FITTING,GREASE

SN: 610272-UP

1шт.

21

07213-50710

CONNECTOR

SN: 610272-UP

1шт.

22

07094-31024

CLAMP

SN: 610272-UP

2шт.

23

6245-51-5190

CUSHION

SN: 610272-UP

2шт.

24

01010-81075

BOLT

SN: 610272-UP

2шт.

25

01643-31032

WASHER

SN: 610272-UP

2шт.

26

22X-22-13140

SEAT

SN: 610272-UP

1шт.

Выбрано товаров: 52