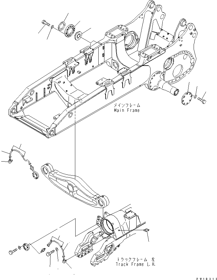
Запчасти Komatsu D375A-5D ПРУЖИНА (ЛЕВ.)(№77-88) ХОДОВАЯ

Схема запчастей Komatsu D375A-5D - ПРУЖИНА (ЛЕВ.)(№77-88) ХОДОВАЯ
1
2
3
4
5
6
7
8
9
10
11
12
13
14
15
16
17
18
19
20
21
22
23
24
25
25
26
27
28
29
30
31
32
1
2
3
4
5
6
7
8
9
10
11
12
13
14
15
16
17
18
19
20
21
22
23
23
24
24
25
26
27
28
29
30
31
32
33
34
35
36
37
38
39
40
41
42
43
44
45
46
47
47
48
49
50
FIT
1:1
100%

Артикул

Название

Примечание

Количество

1

195-30-64211

SPRING

SN: 17743-@

2шт.

2

195-30-64251

SPACER

SN: 17743-@

2шт.

3

195-30-34220

PILOT

SN: 17743-@

2шт.

4

195-30-51450

PILOT

SN: 17743-@

2шт.

5

195-30-64241

BOLT

SN: 17743-@

2шт.

6

198-30-14233

NUT

SN: 17743-@

2шт.

7

198-30-14242

PLATE

SN: 17743-@

2шт.

8

01010-81230

BOLT

SN: 17743-@

2шт.

9

01643-31232

WASHER

SN: 17743-@

2шт.

10

195-30-51431

HOLDER

SN: 17743-@

2шт.

11

01010-81245

BOLT

SN: 17743-@

12шт.

12

01643-31232

WASHER

SN: 17743-@

12шт.

|$23

195-30-01112

CASE ASS'Y

SN: 17743-@

2шт.

13

195-30-34121

BUSHING

SN: 17743-@

1шт.

14

195-30-61401

CASE

SN: 17743-@

1шт.

15

195-30-34340

RING

SN: 17743-@

2шт.

16

01010-81280

BOLT

SN: 17743-@

16шт.

17

01643-31232

WASHER

SN: 17743-@

16шт.

18

195-30-51481

CYLINDER,L.H.

SN: 17743-@

1шт.

18

195-30-51491

CYLINDER,R.H.

SN: 17743-@

1шт.

19

195-30-34380

PLATE

SN: 17743-@

2шт.

20

01010-81020

BOLT

SN: 17743-@

4шт.

21

01643-31032

WASHER

SN: 17743-@

4шт.

22

07959-30000

VALVE

SN: 17743-@

2шт.

23

07020-00000

FITTING

SN: 17743-@

2шт.

24

195-30-34331

PISTON

SN: 17743-@

2шт.

25

198-30-14270

RING

SN: 17743-@

4шт.

26

195-30-34420

PACKING

SN: 17743-@

2шт.

27

04064-01030

RING

SN: 17743-@

2шт.

28

195-30-34170

BOLT

SN: 17743-@

36шт.

29

01643-32780

WASHER

SN: 17743-@

36шт.

30

195-30-64162

YOKE

SN: 17743-@

2шт.

31

04020-01434

PIN

SN: 17743-@

2шт.

32

07000-15295

O-RING

SN: 17743-@

2шт.

|$1

195-54-77200

COVER ASS'Y

1

195-54-77212

COVER

2

198-54-66280

HINGE (WELDED)

3

17M-54-45730

BRACKET

4

01010-81225

BOLT

5

01643-31232

WASHER

6

195-54-77272

COVER

7

17M-54-45721

LOCK

7

17M-54-45720

LOCK

8

01580-10806

NUT

9

01643-30823

WASHER

10

01010-81225

BOLT

11

01643-31232

WASHER

12

195-54-75732

BAR

13

195-54-77410

BRACKET

14

01010-81225

BOLT

15

01643-31232

WASHER

16

195-54-77420

ROD

17

421-54-21780

BUCKLE

18

01580-10605

NUT

19

01508-40603

NUT

20

198-54-66291

ROD

21

198-54-66330

HOOK

22

417-54-21610

SPRING

23

01640-20610

WASHER

24

04050-11612

PIN

25

04050-13020

PIN

26

01010-81225

BOLT

27

01643-31232

WASHER

28

195-54-67530

COVER

29

01010-81225

BOLT

30

01643-31232

WASHER

31

195-54-67910

COVER

32

01010-81225

BOLT

33

01643-31232

WASHER

34

195-54-67920

COVER

35

01010-81225

BOLT

36

01643-31232

WASHER

37

195-54-67540

COVER

38

01010-81225

BOLT

39

01643-31232

WASHER

40

195-54-71470

COVER

41

195-57-11530

CATCH CLIP

42

01220-40512

SCREW

43

01601-20513

WASHER

44

195-54-67241

PLATE

45

01010-82765

BOLT

46

01643-32780

WASHER

|$73

195-54-00350

SHIM ASS'Y

47

17M-54-25420

SHIM, 1.0MM

48

195-54-67250

PLATE

49

01010-82765

BOLT

50

01643-32780

WASHER

Выбрано товаров: 87