Запчасти Komatsu D375A-5D ЛИНИЯ КЛАПАНА PPC ГИДРАВЛИКА

Схема запчастей Komatsu D375A-5D - ЛИНИЯ КЛАПАНА PPC ГИДРАВЛИКА
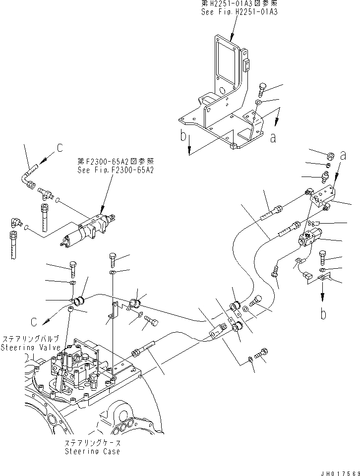
1
1
2
2
3
4
5
6
7
7
8
8
9
9
10
10
11
12
13
14
15
16
17
1
1
2
3
4
4
5
6
7
7
7
7
8
8
8
8
9
10
11
12
13
14
15
16
17
18
19
20
20
21
21
22
23
24
24
25
25
26
27
28
29
30
31
31
32
33
33
FIT
1:1
100%

Артикул

Название

Примечание

Количество

1

07102-30505

HOSE

SN: 17743-UP

2шт.

2

195-60-45240

BLOCK

SN: 17743-UP

1шт.

3

113-63-22390

ELBOW

SN: 17743-UP

1шт.

4

07002-52034

O-RING

SN: 17743-UP

1шт.

5

20R-62-14330

NIPPLE

SN: 17743-UP

1шт.

6

07002-52034

O-RING

SN: 17743-UP

1шт.

7

195-61-49240

NIPPLE

SN: 17743-UP

2шт.

8

195-61-49220

O-RING

SN: 17743-UP

1шт.

9

195-61-49270

O-RING

SN: 17743-UP

1шт.

10

07002-51423

O-RING

SN: 17743-UP

2шт.

11

07040-11409

PLUG,(USED WHEN RIPPERLESS)

SN: 17743-UP

1шт.

12

07002-51423

O-RING,(USED WHEN RIPPERLESS)

SN: 17743-UP

1шт.

13

207-62-51270

BRACKET

SN: 17743-UP

1шт.

14

01010-81285

BOLT

SN: 17743-UP

1шт.

15

01643-31232

WASHER

SN: 17743-UP

1шт.

16

01010-81280

BOLT

SN: 17743-UP

1шт.

17

01643-31232

WASHER

SN: 17743-UP

1шт.

1

07371-31465

FLANGE

2

07372-21240

BOLT

3

01643-51232

WASHER

4

07371-31465

FLANGE

5

07372-21240

BOLT

6

01643-51232

WASHER

7

07095-01453

CUSHION

8

07094-21432

CLAMP

9

01010-81295

BOLT

10

01643-31232

WASHER

11

01011-81200

BOLT

12

01643-31232

WASHER

13

195-61-42171

BRACKET

14

01010-81225

BOLT

15

01643-31232

WASHER

16

195-61-42181

BRACKET

17

195-61-53190

BRACKET

18

01010-81230

BOLT

19

01643-31232

WASHER

20

07095-01453

CUSHION

21

07094-21432

CLAMP

22

01011-81205

BOLT

23

01643-31232

WASHER

24

07095-01453

CUSHION

25

07094-21432

CLAMP

26

01010-81295

BOLT

27

01643-31232

WASHER

28

01643-31232

WASHER

29

01580-11210

NUT

30

195-61-49340

HOSE

31

07000-53048

O-RING

32

195-61-49350

HOSE

33

07000-53048

O-RING

Выбрано товаров: 50