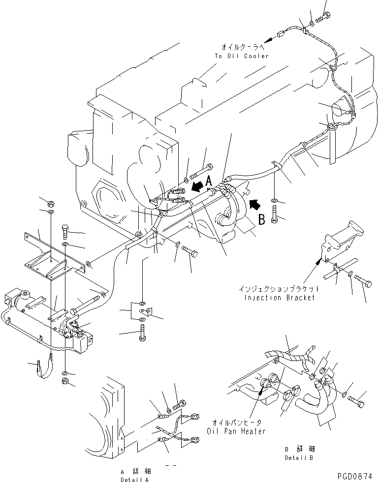
Запчасти Komatsu SA6D170E-2A-7D ВОДЯНОЙ ПОДОГРЕВАТЕЛЬ И ЭЛЕКТРОПРОВОДКА (МОРОЗОУСТОЙЧИВ. СПЕЦИФИКАЦИЯ)(№7-9) ДВИГАТЕЛЬ

Схема запчастей Komatsu SA6D170E-2A-7D - ВОДЯНОЙ ПОДОГРЕВАТЕЛЬ И ЭЛЕКТРОПРОВОДКА (МОРОЗОУСТОЙЧИВ. СПЕЦИФИКАЦИЯ)(№7-9) ДВИГАТЕЛЬ
1
2
3
4
5
6
6
7
8
9
9
10
11
12
13
14
14
14
15
15
15
16
17
18
19
20
20
21
21
22
22
23
23
24
25
26
27
27
27
27
27
28
29
29
29
30
30
31
31
32
33
34
35
36
1
2
3
4
5
6
6
7
8
9
9
10
11
12
13
14
14
14
15
15
15
16
17
18
19
20
20
21
21
22
22
23
23
24
25
26
27
27
27
27
27
28
29
29
29
30
30
31
31
32
33
34
35
36
FIT
1:1
100%

Артикул

Название

Примечание

Количество

1

209-62-15930

BRACKET

SN: 17353-20091

2шт.

2

01010-81035

BOLT

SN: 17353-20091

2шт.

3

01643-31032

WASHER

SN: 17353-20091

4шт.

4

6162-83-5531

BRACKET

SN: 17353-20091

1шт.

5

01011-31420

BOLT

SN: 17353-20091

2шт.

6

01643-31445

WASHER

SN: 17353-20091

4шт.

7

600-815-7990

HEATER ASS'Y,WATER

SN: 17353-20091

1шт.

8

01010-80830

BOLT

SN: 17353-20091

4шт.

9

01643-30823

WASHER

SN: 17353-20091

8шт.

10

01580-00806

NUT

SN: 17353-20091

4шт.

11

6127-61-7220

CLIP

SN: 17353-20091

1шт.

12

01598-00809

NUT

SN: 17353-20091

2шт.

13

01643-30823

WASHER

SN: 17353-20091

2шт.

14

6162-83-4582

HARNESS

SN: 17353-20091

1шт.

15

08036-90814

CLIP

SN: 17353-20091

3шт.

16

01010-81220

BOLT

SN: 17353-20091

1шт.

17

01643-31232

WASHER

SN: 17353-20091

1шт.

18

08034-00519

BAND

SN: 17353-20091

1шт.

19

08036-91414

CLIP

SN: 17353-20091

1шт.

20

01010-81260

BOLT

SN: 17353-20091

3шт.

21

01643-31232

WASHER

SN: 17353-20091

3шт.

22

08053-01512

CLIP

SN: 17353-20091

2шт.

23

6162-83-9110

COVER,OIL PAN HEATER

SN: 17353-20091

2шт.

24

6162-83-9120

COVER,HARNESS

SN: 17353-20091

1шт.

25

6162-83-9130

COVER,HARNESS

SN: 17353-20091

1шт.

26

6162-83-9140

COVER,HARNESS

SN: 17353-20091

1шт.

27

07281-00259

CLAMP

SN: 17353-20091

13шт.

28

07281-00549

CLAMP

SN: 17353-20091

2шт.

29

04434-53211

CLIP

SN: 17353-20091

4шт.

30

01010-81020

BOLT

SN: 17353-20091

2шт.

31

01643-31032

WASHER

SN: 17353-20091

2шт.

32

08036-91814

CLIP

SN: 17353-20091

1шт.

33

01010-81250

BOLT

SN: 17353-20091

1шт.

34

01643-31232

WASHER

SN: 17353-20091

1шт.

35

01010-81035

BOLT

SN: 17353-20091

1шт.

36

01643-31032

WASHER

SN: 17353-20091

2шт.

1

209-62-15930

BRACKET

SN: 17353-20091

2шт.

2

01010-81035

BOLT

SN: 17353-20091

2шт.

3

01643-31032

WASHER

SN: 17353-20091

4шт.

4

6162-83-5531

BRACKET

SN: 17353-20091

1шт.

5

01011-31420

BOLT

SN: 17353-20091

2шт.

6

01643-31445

WASHER

SN: 17353-20091

4шт.

7

600-815-7990

HEATER ASS'Y,WATER

SN: 17353-20091

1шт.

8

01010-80830

BOLT

SN: 17353-20091

4шт.

9

01643-30823

WASHER

SN: 17353-20091

8шт.

10

01580-00806

NUT

SN: 17353-20091

4шт.

11

6127-61-7220

CLIP

SN: 17353-20091

1шт.

12

01598-00809

NUT

SN: 17353-20091

2шт.

13

01643-30823

WASHER

SN: 17353-20091

2шт.

14

6162-83-4582

HARNESS

SN: 17353-20091

1шт.

15

08036-90814

CLIP

SN: 17353-20091

3шт.

16

01010-81220

BOLT

SN: 17353-20091

1шт.

17

01643-31232

WASHER

SN: 17353-20091

1шт.

18

08034-00519

BAND

SN: 17353-20091

1шт.

19

08036-91414

CLIP

SN: 17353-20091

1шт.

20

01010-81260

BOLT

SN: 17353-20091

3шт.

21

01643-31232

WASHER

SN: 17353-20091

3шт.

22

08053-01512

CLIP

SN: 17353-20091

2шт.

23

6162-83-9110

COVER,OIL PAN HEATER

SN: 17353-20091

2шт.

24

6162-83-9120

COVER,HARNESS

SN: 17353-20091

1шт.

25

6162-83-9130

COVER,HARNESS

SN: 17353-20091

1шт.

26

6162-83-9140

COVER,HARNESS

SN: 17353-20091

1шт.

27

07281-00259

CLAMP

SN: 17353-20091

13шт.

28

07281-00549

CLAMP

SN: 17353-20091

2шт.

29

04434-53211

CLIP

SN: 17353-20091

4шт.

30

01010-81020

BOLT

SN: 17353-20091

2шт.

31

01643-31032

WASHER

SN: 17353-20091

2шт.

32

08036-91814

CLIP

SN: 17353-20091

1шт.

33

01010-81250

BOLT

SN: 17353-20091

1шт.

34

01643-31232

WASHER

SN: 17353-20091

1шт.

35

01010-81035

BOLT

SN: 17353-20091

1шт.

36

01643-31032

WASHER

SN: 17353-20091

2шт.

Выбрано товаров: 72