Запчасти Komatsu D375A-5E0 ОСНОВН. КОНСТРУКЦИЯ (КОНТРОЛЬ ХОДА) (РЫЧАГ И КОНСОЛЬ) (ONE-WAY РУЛЕВ. УПРАВЛЕНИЕ РЫЧАГ) КАБИНА ОПЕРАТОРА И СИСТЕМА УПРАВЛЕНИЯ

Схема запчастей Komatsu D375A-5E0 - ОСНОВН. КОНСТРУКЦИЯ (КОНТРОЛЬ ХОДА) (РЫЧАГ И КОНСОЛЬ) (ONE-WAY РУЛЕВ. УПРАВЛЕНИЕ РЫЧАГ) КАБИНА ОПЕРАТОРА И СИСТЕМА УПРАВЛЕНИЯ
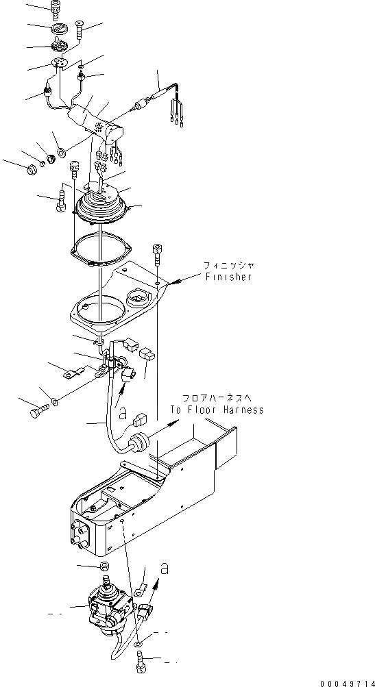
1
2
3
4
5
6
7
8
9
10
11
12
13
14
15
16
17
18
19
20
21
22
23
24
25
26
27
28
29
30
31
FIT
1:1
100%

Артикул

Название

Примечание

Количество

|$5

198-43-62112

KNOB ASS'Y

SN: 50001-UP

1шт.

1

0

GRIP

SN: 50001-UP

1шт.

2

0

GRIP

SN: 50001-UP

1шт.

3

0

SCREW

SN: 50001-UP

1шт.

4

19M-09-11510

BOLT

SN: 50001-UP

2шт.

|$10

198-06-63511

SWITCH ASS'Y

SN: 50001-UP

1шт.

5

01640-20610

WASHER

SN: 50001-UP

1шт.

6

198-06-63420

SWITCH ASS'Y

SN: 50001-UP

1шт.

7

198-06-63431

WIRING HARNESS

SN: 50001-UP

1шт.

8

0

PLATE

SN: 50001-UP

1шт.

9

198-43-62120

RUBBER

SN: 50001-UP

1шт.

10

198-06-63521

COVER

SN: 50001-UP

1шт.

11

198-06-63450

SWITCH ASS'Y

SN: 50001-UP

1шт.

12

198-06-59540

COVER

SN: 50001-UP

1шт.

13

198-06-59311

NUT

SN: 50001-UP

1шт.

14

198-06-59320

SPACER

SN: 50001-UP

1шт.

15

198-06-59330

CAP

SN: 50001-UP

1шт.

16

08192-26930

CONNECTOR

SN: 50001-UP

1шт.

|$25

198-06-63480

WIRING HARNESS

SN: 50001-UP

1шт.

17

154-43-73560

WIRING HARNESS

SN: 50001-UP

1шт.

18

0

BRACKET

SN: 50001-UP

1шт.

19

198-06-63470

BRACKET

SN: 50001-UP

1шт.

20

08034-20519

BAND

SN: 50001-UP

2шт.

21

04435-51408

CLIP

SN: 50001-UP

1шт.

22

01010-80816

BOLT

SN: 50001-UP

1шт.

23

01643-30823

WASHER

SN: 50001-UP

1шт.

24

01252-80514

BOLT

SN: 50001-UP

3шт.

25

702-16-02231

LEVER ASS'Y

SN: 50001-UP

1шт.

26

20T-43-71190

NUT

SN: 50001-UP

1шт.

27

01252-70825

BOLT

SN: 50001-UP

3шт.

28

01643-30823

WASHER

SN: 50001-UP

3шт.

29

08193-20010

CLIP

SN: 50001-UP

1шт.

30

08193-30010

CLIP

SN: 50001-UP

1шт.

31

198-06-63410

WIRING HARNESS

SN: 50001-UP

1шт.

Выбрано товаров: 0