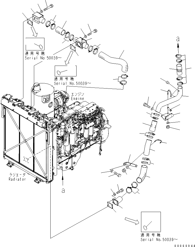
Запчасти Komatsu D375A-5E0 СИСТЕМА ТРУБ ОХЛАЖДЕНИЯ (ВОЗДУХОВОД) СИСТЕМА ОХЛАЖДЕНИЯ

Схема запчастей Komatsu D375A-5E0 - СИСТЕМА ТРУБ ОХЛАЖДЕНИЯ (ВОЗДУХОВОД) СИСТЕМА ОХЛАЖДЕНИЯ
1
2
3
4
5
6
7
8
9
10
11
12
13
14
15
16
17
17
18
19
19
20
21
22
23
24
25
26
27
28
29
29
30
31
31
32
33
34
35
35
36
37
37
38
39
FIT
1:1
100%

Артикул

Название

Примечание

Количество

1

195-03-64441

HOSE

SN: 50001-UP

1шт.

2

07299-00120

CLAMP

SN: 50001-UP

4шт.

3

195-03-64251

TUBE

SN: 50001-UP

1шт.

4

07043-A0108

PLUG

SN: 50001-UP

2шт.

5

07283-31087

CLIP

SN: 50001-UP

2шт.

6

6218-11-4971

SEAT

SN: 50001-UP

2шт.

7

01643-31232

WASHER

SN: 50001-UP

4шт.

8

01597-01211

NUT

SN: 50001-UP

4шт.

9

195-03-64261

BRACKET

SN: 50001-UP

1шт.

10

01010-81025

BOLT

SN: 50001-UP

4шт.

11

01643-31032

WASHER

SN: 50001-UP

4шт.

12

195-03-64451

HOSE

SN: 50001-UP

1шт.

13

20Y-62-51671

CLAMP

SN: 50039-UP

2шт.

13

0

CLAMP

SN: 50001-50038

4шт.

14

208-62-73910

CLAMP

SN: 50001-UP

2шт.

15

195-03-64180

TUBE

SN: 50001-UP

1шт.

16

195-03-64171

HOSE

SN: 50001-UP

1шт.

17

208-62-73910

CLAMP

SN: 50001-UP

4шт.

18

195-03-64162

TUBE

SN: 50039-UP

1шт.

18

0

TUBE

SN: 50001-50038

1шт.

|$$21

195-03-64162,07000-E2110(1),

-1шт.

|$$22

01010-81240(4),01643-31232(4))

-1шт.

19

07000-E2110

O-RING

SN: 50039-UP

1шт.

19

6162-15-4750

GASKET

SN: 50001-50038

1шт.

20

01010-81230

BOLT

SN: 50001-UP

4шт.

21

01643-31232

WASHER

SN: 50001-UP

4шт.

22

07283-31185

CLIP

SN: 50001-UP

1шт.

23

01597-01211

NUT

SN: 50001-UP

2шт.

24

01643-31232

WASHER

SN: 50001-UP

2шт.

25

195-03-64191

BRACKET

SN: 50001-UP

1шт.

26

01010-81225

BOLT

SN: 50001-UP

2шт.

27

01643-31232

WASHER

SN: 50001-UP

2шт.

28

195-03-64111

HOSE

SN: 50001-UP

1шт.

29

208-62-73910

CLAMP

SN: 50001-UP

4шт.

30

195-03-64133

DUCT

SN: 50039-UP

1шт.

30

0

DUCT

SN: 50001-50038

1шт.

|$$37

195-03-64133,07000-E2110(1),

-1шт.

31

07000-E2110

O-RING

SN: 50039-UP

1шт.

31

6162-15-4750

GASKET

SN: 50001-50038

1шт.

32

01011-81265

BOLT

SN: 50001-UP

4шт.

33

01643-31232

WASHER

SN: 50001-UP

4шт.

34

195-03-64121

HOSE

SN: 50001-UP

1шт.

35

208-62-73910

CLAMP

SN: 50001-UP

4шт.

36

195-03-64143

DUCT

SN: 50039-UP

1шт.

36

0

DUCT

SN: 50001-50038

1шт.

|$$46

195-03-64143,07000-E2110(1),

-1шт.

37

07000-E2110

O-RING

SN: 50039-UP

1шт.

37

6162-15-4750

GASKET

SN: 50001-50038

1шт.

38

01011-81265

BOLT

SN: 50001-UP

4шт.

39

01643-31232

WASHER

SN: 50001-UP

4шт.

Выбрано товаров: 50