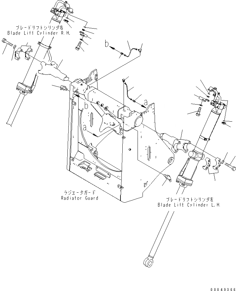
Запчасти Komatsu D375A-5E0 ЗАЩИТА РАДИАТОРА (ЦИЛИНДР ПОДЪЕМА ОТВАЛА ВИЛКА) ЧАСТИ КОРПУСА

Схема запчастей Komatsu D375A-5E0 - ЗАЩИТА РАДИАТОРА (ЦИЛИНДР ПОДЪЕМА ОТВАЛА ВИЛКА) ЧАСТИ КОРПУСА
1
2
3
3
3
3
4
4
4
4
5
5
6
6
7
7
8
8
9
9
10
10
11
11
12
12
13
13
14
14
FIT
1:1
100%

Артикул

Название

Примечание

Количество

1

07378-11200

HEAD

SN: 50001-UP

2шт.

2

07378-11200

HEAD

SN: 50001-UP

2шт.

3

07000-13038

O-RING

SN: 50001-UP

4шт.

4

07371-31255

FLANGE

SN: 50001-UP

8шт.

5

07372-21035

BOLT

SN: 50001-UP

16шт.

6

01643-51032

WASHER

SN: 50001-UP

16шт.

7

195-61-41113

YOKE

SN: 50001-UP

2шт.

8

195-61-41121

CAP

SN: 50001-UP

4шт.

9

01011-82000

BOLT

SN: 50001-UP

8шт.

10

01643-32060

WASHER

SN: 50001-UP

8шт.

11

202-62-21430

ELBOW

SN: 50001-UP

2шт.

12

198-03-16470

HOSE

SN: 50001-UP

2шт.

13

203-62-21740

NIPPLE

SN: 50001-UP

2шт.

14

07020-00675

FITTING

SN: 50001-UP

2шт.

Выбрано товаров: 14