Запчасти Komatsu D375A-5E0 ЗАЩИТА РАДИАТОРА (КРЕПЛЕНИЕ КАПОТА) ЧАСТИ КОРПУСА

Схема запчастей Komatsu D375A-5E0 - ЗАЩИТА РАДИАТОРА (КРЕПЛЕНИЕ КАПОТА) ЧАСТИ КОРПУСА
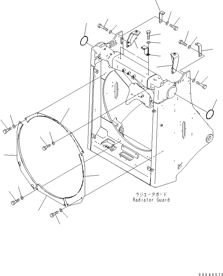
1
2
3
4
5
6
7
8
9
10
10
11
11
12
12
13
14
15
16
17
17
17
17
18
18
18
18
19
19
FIT
1:1
100%

Артикул

Название

Примечание

Количество

1

195-54-81561

BRACKET

SN: 50001-UP

1шт.

2

01010-81680

BOLT

SN: 50001-UP

2шт.

3

01643-31645

WASHER

SN: 50001-UP

2шт.

4

195-54-81571

BRACKET

SN: 50001-UP

1шт.

5

01010-81680

BOLT

SN: 50001-UP

2шт.

6

01643-31645

WASHER

SN: 50001-UP

2шт.

7

195-54-81480

BRACKET

SN: 50001-UP

2шт.

8

01010-81230

BOLT

SN: 50001-UP

4шт.

9

01643-31232

WASHER

SN: 50001-UP

4шт.

10

195-54-81432

BRACKET

SN: 50001-UP

2шт.

11

01010-81235

BOLT

SN: 50001-UP

4шт.

12

01643-31232

WASHER

SN: 50001-UP

4шт.

13

195-03-63410

SHROUD

SN: 50001-UP

1шт.

14

195-03-63420

SHROUD

SN: 50001-UP

1шт.

15

195-03-63431

SHROUD

SN: 50001-UP

1шт.

16

195-03-63440

SHROUD

SN: 50001-UP

1шт.

17

175-54-34170

WASHER

SN: 50001-UP

12шт.

18

01010-81230

BOLT

SN: 50001-UP

12шт.

19

195-61-41230

SEAL

SN: 50001-UP

2шт.

Выбрано товаров: 0