Запчасти Komatsu D375A-5E0 КРЫЛО (ДАТЧИК)(№-) ЧАСТИ КОРПУСА

Схема запчастей Komatsu D375A-5E0 - КРЫЛО (ДАТЧИК)(№-) ЧАСТИ КОРПУСА
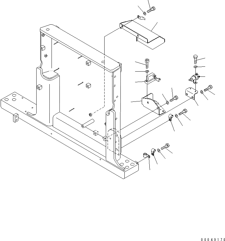
1
2
3
4
5
6
7
8
9
10
11
12
13
14
15
16
17
18
19
20
21
22
FIT
1:1
100%

Артикул

Название

Примечание

Количество

1

195-06-71190

BRACKET

SN: 50001-50044

1шт.

2

01010-81230

BOLT

SN: 50001-@

2шт.

3

01643-31232

WASHER

SN: 50001-@

2шт.

4

7861-93-5380

SENSOR

SN: 50001-50044

1шт.

5

01252-60635

BOLT

SN: 50001-@

2шт.

6

01643-30623

WASHER

SN: 50001-@

2шт.

7

195-06-54432

COVER

SN: 50001-@

1шт.

8

01010-81230

BOLT

SN: 50001-@

2шт.

9

01643-31232

WASHER

SN: 50001-@

2шт.

10

195-06-71291

BRACKET

SN: 50001-@

1шт.

11

01010-81225

BOLT

SN: 50001-@

2шт.

12

01643-31232

WASHER

SN: 50001-@

2шт.

13

600-815-2170

SWITCH

SN: 50001-@

1шт.

14

01010-80616

BOLT

SN: 50001-@

2шт.

15

01643-30623

WASHER

SN: 50001-@

2шт.

16

04434-51712

CLIP

SN: 50001-@

1шт.

17

01010-81225

BOLT

SN: 50001-@

1шт.

18

01643-31232

WASHER

SN: 50001-@

1шт.

19

04434-51712

CLIP

SN: 50001-@

1шт.

20

04434-51512

CLIP

SN: 50001-@

1шт.

21

01010-81225

BOLT

SN: 50001-@

1шт.

22

01643-31232

WASHER

SN: 50001-@

1шт.

Выбрано товаров: 22