Запчасти Komatsu D375A-5E0 ГУСЕНИЧНАЯ РАМА (РАМА ОСНОВН.) (ЛЕВ.) ХОДОВАЯ

Схема запчастей Komatsu D375A-5E0 - ГУСЕНИЧНАЯ РАМА (РАМА ОСНОВН.) (ЛЕВ.) ХОДОВАЯ
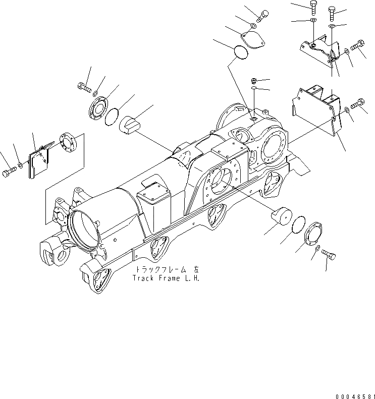
1
2
3
4
5
6
7
8
9
10
11
11
12
12
13
14
15
16
17
18
18
19
19
20
20
21
21
22
22
FIT
1:1
100%

Артикул

Название

Примечание

Количество

1

07040-13618

PLUG

SN: 50001-UP

1шт.

2

07002-03634

O-RING

SN: 50001-UP

1шт.

3

195-30-31260

COVER

SN: 50001-UP

1шт.

4

07000-15155

O-RING

SN: 50001-UP

1шт.

5

01010-61645

BOLT

SN: 50001-UP

2шт.

6

01643-31645

WASHER

SN: 50001-UP

2шт.

7

195-30-68950

COVER

SN: 50001-UP

1шт.

8

01010-61650

BOLT

SN: 50001-UP

3шт.

9

01643-31645

WASHER

SN: 50001-UP

3шт.

10

195-30-69311

COVER

SN: 50001-UP

1шт.

11

01010-62050

BOLT

SN: 50001-UP

4шт.

12

01643-32060

WASHER

SN: 50001-UP

4шт.

13

01010-62060

BOLT

SN: 50001-UP

1шт.

14

01643-32060

WASHER

SN: 50001-UP

1шт.

15

195-30-69331

COVER

SN: 50001-UP

1шт.

16

01010-62050

BOLT

SN: 50001-UP

4шт.

17

01643-32060

WASHER

SN: 50001-UP

4шт.

18

195-30-68781

GUIDE

SN: 50001-UP

2шт.

19

195-30-68770

COVER

SN: 50001-UP

2шт.

20

07000-15170

O-RING

SN: 50001-UP

2шт.

21

01010-61645

BOLT

SN: 50001-UP

12шт.

22

01643-31645

WASHER

SN: 50001-UP

12шт.

Выбрано товаров: 22