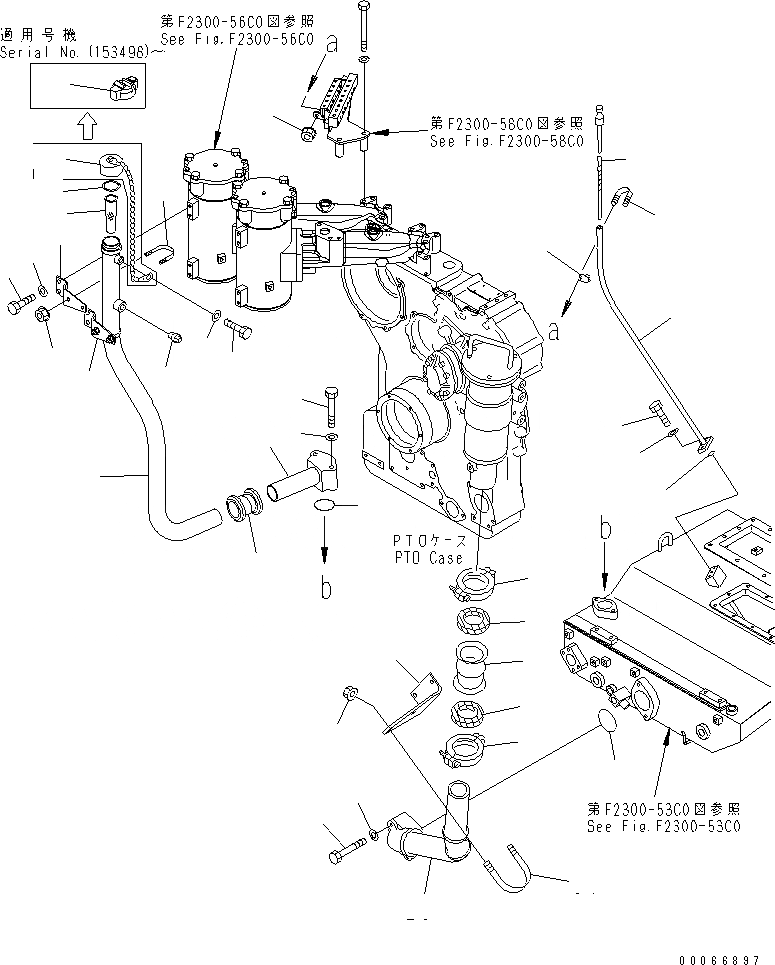
Запчасти Komatsu D375A-5E0 СИЛОВАЯ ПЕРЕДАЧА (GAUGE И ВСАСЫВ. ЛИНИЯ) СИЛОВАЯ ПЕРЕДАЧА И КОНЕЧНАЯ ПЕРЕДАЧА

Схема запчастей Komatsu D375A-5E0 - СИЛОВАЯ ПЕРЕДАЧА (GAUGE И ВСАСЫВ. ЛИНИЯ) СИЛОВАЯ ПЕРЕДАЧА И КОНЕЧНАЯ ПЕРЕДАЧА
1
2
3
4
5
6
7
8
8
9
10
11
12
13
13
14
15
16
17
18
19
20
21
22
23
24
25
26
27
28
29
30
31
32
33
34
34
35
35
FIT
1:1
100%

Артикул

Название

Примечание

Количество

|$$1

SERIAL NO. IN ( ) INDICATES POWER LINE SERIAL NO.

-1шт.

|$3

195-22-70100

POWER TRAIN ASS'Y

SN: 50001-UP

1шт.

|$4

195-22-70150

POWER TRAIN ASS'Y,(WITH VHMS)

SN: 50001-UP

1шт.

|$$4

THESE ASSEMBLIES CONSIST OF ALL PARTS SHOWN IN FIGS.F2300-51C0 TO F2300-61C0.

-1шт.

1

195-49-31460

TUBE

SN: 50001-UP

1шт.

2

07000-72060

O-RING

SN: 50001-UP

1шт.

3

01010-81295

BOLT

SN: 50001-UP

2шт.

4

01643-31232

WASHER

SN: 50001-UP

2шт.

5

07332-02000

COUPLING

SN: 50001-UP

1шт.

6

195-49-72210

TUBE

SN: 50001-UP

1шт.

7

07042-70415

PLUG

SN: 50001-UP

1шт.

8

195-49-31530

PLATE

SN: 50001-UP

2шт.

9

01010-81225

BOLT

SN: 50001-UP

4шт.

10

01643-31232

WASHER

SN: 50001-UP

4шт.

11

07283-26155

CLIP

SN: 50001-UP

2шт.

12

01595-01008

NUT

SN: 50001-UP

4шт.

13

175-21-35231

CAP

SN: (153498)-UP

1шт.

13

195-49-12110

CAP ASS'Y

SN: 50001-(153497)

1шт.

14

07051-00003

GASKET

SN: 50001-UP

1шт.

15

01010-81016

BOLT

SN: 50001-UP

1шт.

16

01643-31032

WASHER

SN: 50001-UP

1шт.

17

07056-10045

STRAINER

SN: 50001-UP

1шт.

18

195-49-72311

TUBE

SN: 50001-UP

1шт.

19

07000-72016

O-RING

SN: 50001-UP

1шт.

20

01010-81230

BOLT

SN: 50001-UP

2шт.

21

01643-31232

WASHER

SN: 50001-UP

2шт.

22

07283-31529

CLIP

SN: 50001-UP

1шт.

23

07283-51523

SEAT

SN: 50001-UP

1шт.

24

01594-00807

NUT

SN: 50001-UP

2шт.

25

195-49-31350

GAUGE

SN: 50001-UP

1шт.

26

195-49-31432

TUBE

SN: 50001-UP

1шт.

27

07000-72090

O-RING

SN: 50001-UP

1шт.

28

01010-81295

BOLT

SN: 50001-UP

2шт.

29

01643-31232

WASHER

SN: 50001-UP

2шт.

30

195-49-51450

BRACKET

SN: 50001-UP

1шт.

31

07283-38973

CLIP

SN: 50001-UP

1шт.

32

01595-01210

NUT

SN: 50001-UP

2шт.

33

07332-03000

COUPLING

SN: 50001-UP

1шт.

34

07332-53000

GASKET

SN: 50001-UP

2шт.

35

07332-63000

CLAMP

SN: 50001-UP

2шт.

Выбрано товаров: 40