Запчасти Komatsu D375A-5E0 СИЛОВАЯ ПЕРЕДАЧА (КОРПУС) СИЛОВАЯ ПЕРЕДАЧА И КОНЕЧНАЯ ПЕРЕДАЧА

Схема запчастей Komatsu D375A-5E0 - СИЛОВАЯ ПЕРЕДАЧА (КОРПУС) СИЛОВАЯ ПЕРЕДАЧА И КОНЕЧНАЯ ПЕРЕДАЧА
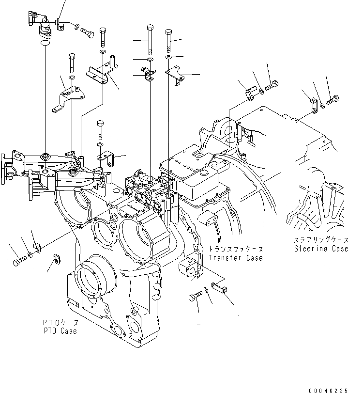
1
1
2
3
4
5
6
6
6
7
7
8
9
10
11
12
13
14
15
16
17
18
19
FIT
1:1
100%

Артикул

Название

Примечание

Количество

|$2

195-22-70100

POWER TRAIN ASS'Y

SN: 50001-UP

1шт.

|$3

195-22-70150

POWER TRAIN ASS'Y,(WITH VHMS)

SN: 50001-UP

1шт.

|$$3

THESE ASSEMBLIES CONSIST OF ALL PARTS SHOWN IN FIGS.F2300-51C0 TO F2300-61C0.

-1шт.

1

198-49-46260

BRACKET

SN: 50001-UP

2шт.

2

01010-61675

BOLT

SN: 50001-UP

1шт.

3

01010-61660

BOLT

SN: 50001-UP

1шт.

4

195-61-57211

BRACKET

SN: 50001-UP

1шт.

5

01010-61680

BOLT

SN: 50001-UP

1шт.

6

01643-31645

WASHER

SN: 50001-UP

3шт.

7

195-03-64621

BRACKET

SN: 50001-UP

2шт.

8

01010-81250

BOLT

SN: 50001-UP

2шт.

9

01643-31232

WASHER

SN: 50001-UP

2шт.

10

195-06-71741

BRACKET

SN: 50001-UP

1шт.

11

195-06-71661

BRACKET

SN: 50001-UP

1шт.

12

01011-81015

BOLT

SN: 50001-UP

2шт.

13

01643-31032

WASHER

SN: 50001-UP

2шт.

14

195-06-71671

BRACKET

SN: 50001-UP

1шт.

15

01011-81065

BOLT

SN: 50001-UP

1шт.

16

01643-31032

WASHER

SN: 50001-UP

1шт.

17

195-06-71681

BRACKET

SN: 50001-UP

1шт.

18

195-49-72221

BRACKET

SN: 50001-UP

1шт.

19

195-03-64621

BRACKET

SN: 50001-UP

1шт.

Выбрано товаров: 22