Запчасти Komatsu SAA6D170E-5D-01 УПРАВЛЕНИЕ ПОДАЧ. ТОПЛИВА И ТРУБЫ(№-) ДВИГАТЕЛЬ

Схема запчастей Komatsu SAA6D170E-5D-01 - УПРАВЛЕНИЕ ПОДАЧ. ТОПЛИВА И ТРУБЫ(№-) ДВИГАТЕЛЬ
1
2
3
4
5
5
6
6
7
8
9
10
10
11
12
13
14
15
16
17
18
19
20
21
22
23
24
25
26
27
28
29
30
31
32
33
34
35
36
36
37
38
39
40
1
2
3
4
5
5
6
6
7
8
9
10
10
11
12
13
14
15
16
17
18
19
20
21
22
23
24
25
26
27
28
29
30
31
32
33
34
35
36
36
37
38
39
40
FIT
1:1
100%

Артикул

Название

Примечание

Количество

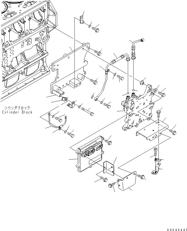
1

600-463-2100

CONTROLLER ASS'Y

SN: 510062-UP

1шт.

2

01435-00840

BOLT

SN: 510062-UP

4шт.

3

6261-81-7100

COOLER,FUEL

SN: 510062-UP

1шт.

4

01435-01045

BOLT

SN: 510062-UP

4шт.

5

6251-81-7210

CUSHION

SN: 510062-UP

8шт.

6

02896-11012

O-RING

SN: 510062-UP

2шт.

7

6245-71-5290

HOSE,INLET

SN: 510062-UP

1шт.

8

6245-71-5310

HOSE,RETURN

SN: 510062-UP

1шт.

9

07206-31014

BOLT,JOINT

SN: 510062-UP

1шт.

10

07005-01412

SEAL, WASHER

SN: 510062-UP

2шт.

11

6933-71-8220

CLIP

SN: 510062-UP

1шт.

12

01010-81020

BOLT

SN: 510062-UP

1шт.

13

01643-31032

WASHER

SN: 510062-UP

1шт.

14

6245-21-6120

BRACKET

SN: 510062-UP

1шт.

15

01435-01060

BOLT

SN: 510062-UP

3шт.

16

01435-01025

BOLT

SN: 510062-UP

1шт.

17

6245-81-5820

WIRE

SN: 510062-UP

1шт.

18

01010-81020

BOLT

SN: 510062-UP

1шт.

19

01643-31032

WASHER

SN: 510062-UP

1шт.

20

600-051-2080

CLIP

SN: 510062-UP

1шт.

21

01010-81020

BOLT

SN: 510062-UP

1шт.

22

01643-31032

WASHER

SN: 510062-UP

1шт.

23

426-06-11570

BRACKET

SN: 510062-UP

1шт.

24

01011-81015

BOLT

SN: 510062-UP

1шт.

25

01643-31032

WASHER

SN: 510062-UP

1шт.

26

6934-71-5860

BRACKET

SN: 510062-UP

1шт.

27

6130-12-4571

SPACER

SN: 510062-UP

1шт.

28

426-06-11570

BRACKET

SN: 510062-UP

1шт.

29

01435-01035

BOLT

SN: 510062-UP

1шт.

30

01643-31032

WASHER

SN: 510062-UP

1шт.

31

6245-81-9350

COVER

SN: 510062-UP

1шт.

32

01435-00820

BOLT

SN: 510062-UP

2шт.

33

6245-81-9360

BRACKET

SN: 510062-UP

1шт.

34

01435-00845

BOLT

SN: 510062-UP

1шт.

35

6245-81-9380

COVER

SN: 510062-UP

1шт.

36

01435-00820

BOLT

SN: 510062-UP

4шт.

37

6261-81-2600

SENSOR,AMBIENT TEMPERATURE

SN: 510062-UP

1шт.

38

01252-60520

BOLT

SN: 510062-UP

1шт.

39

6245-81-9210

BRACKET

SN: 510062-UP

1шт.

40

01435-00820

BOLT

SN: 510062-UP

2шт.

1

600-463-2100

CONTROLLER ASS'Y

SN: 510062-UP

1шт.

2

01435-00840

BOLT

SN: 510062-UP

4шт.

3

6261-81-7100

COOLER,FUEL

SN: 510062-UP

1шт.

4

01435-01045

BOLT

SN: 510062-UP

4шт.

5

6251-81-7210

CUSHION

SN: 510062-UP

8шт.

6

02896-11012

O-RING

SN: 510062-UP

2шт.

7

6245-71-5290

HOSE,INLET

SN: 510062-UP

1шт.

8

6245-71-5310

HOSE,RETURN

SN: 510062-UP

1шт.

9

07206-31014

BOLT,JOINT

SN: 510062-UP

1шт.

10

07005-01412

SEAL, WASHER

SN: 510062-UP

2шт.

11

6933-71-8220

CLIP

SN: 510062-UP

1шт.

12

01010-81020

BOLT

SN: 510062-UP

1шт.

13

01643-31032

WASHER

SN: 510062-UP

1шт.

14

6245-21-6120

BRACKET

SN: 510062-UP

1шт.

15

01435-01060

BOLT

SN: 510062-UP

3шт.

16

01435-01025

BOLT

SN: 510062-UP

1шт.

17

6245-81-5820

WIRE

SN: 510062-UP

1шт.

18

01010-81020

BOLT

SN: 510062-UP

1шт.

19

01643-31032

WASHER

SN: 510062-UP

1шт.

20

600-051-2080

CLIP

SN: 510062-UP

1шт.

21

01010-81020

BOLT

SN: 510062-UP

1шт.

22

01643-31032

WASHER

SN: 510062-UP

1шт.

23

426-06-11570

BRACKET

SN: 510062-UP

1шт.

24

01011-81015

BOLT

SN: 510062-UP

1шт.

25

01643-31032

WASHER

SN: 510062-UP

1шт.

26

6934-71-5860

BRACKET

SN: 510062-UP

1шт.

27

6130-12-4571

SPACER

SN: 510062-UP

1шт.

28

426-06-11570

BRACKET

SN: 510062-UP

1шт.

29

01435-01035

BOLT

SN: 510062-UP

1шт.

30

01643-31032

WASHER

SN: 510062-UP

1шт.

31

6245-81-9350

COVER

SN: 510062-UP

1шт.

32

01435-00820

BOLT

SN: 510062-UP

2шт.

33

6245-81-9360

BRACKET

SN: 510062-UP

1шт.

34

01435-00845

BOLT

SN: 510062-UP

1шт.

35

6245-81-9380

COVER

SN: 510062-UP

1шт.

36

01435-00820

BOLT

SN: 510062-UP

4шт.

37

6261-81-2600

SENSOR,AMBIENT TEMPERATURE

SN: 510062-UP

1шт.

38

01252-60520

BOLT

SN: 510062-UP

1шт.

39

6245-81-9210

BRACKET

SN: 510062-UP

1шт.

40

01435-00820

BOLT

SN: 510062-UP

2шт.

Выбрано товаров: 80