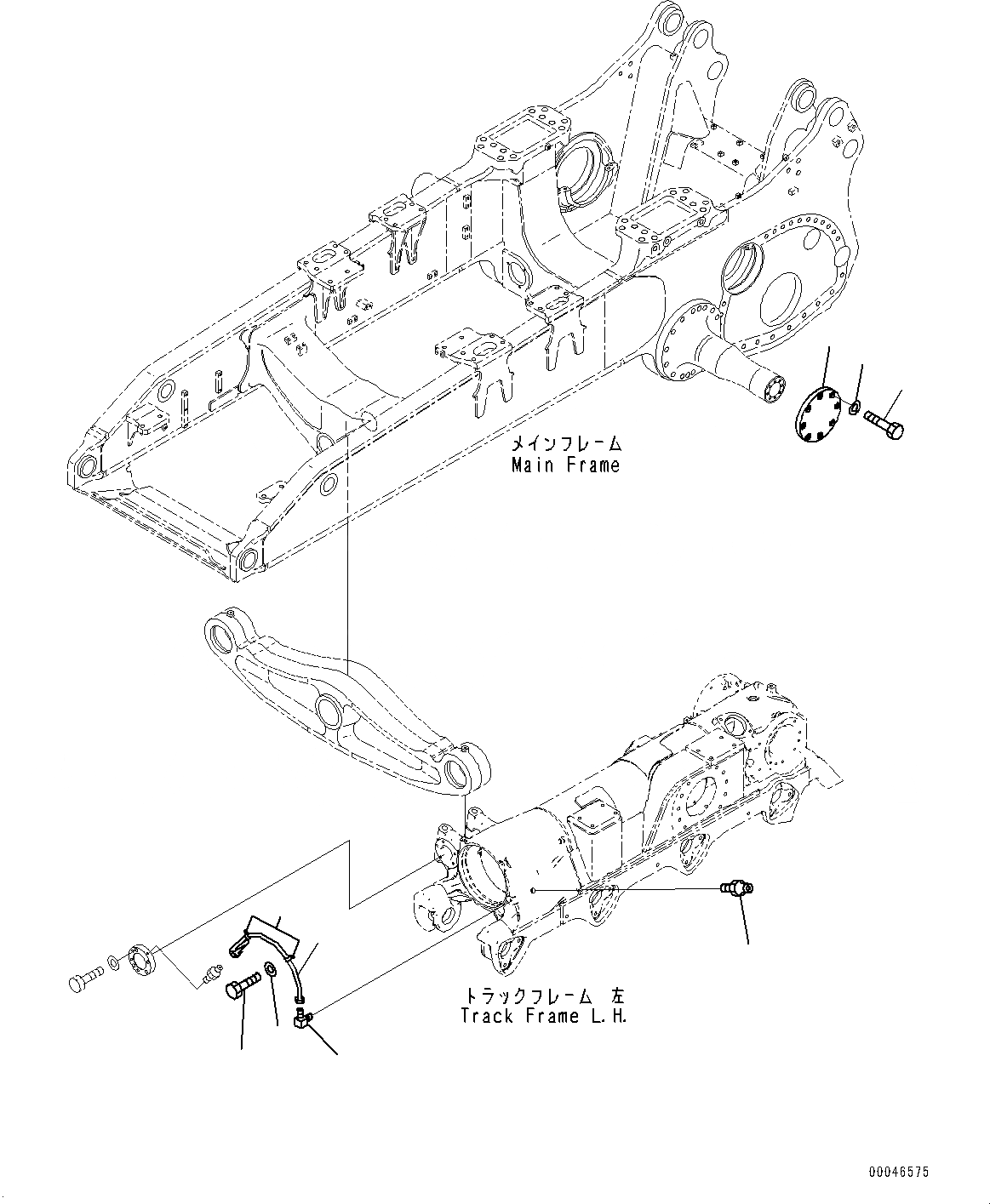
Запчасти Komatsu D375A-6 ГУСЕНИЧНАЯ РАМА, БАЛКА БАЛАНСИРА СМАЗКА, ЛЕВ. (№-) ГУСЕНИЧНАЯ РАМА, С ЗАЩИТА ОПОРНЫХ КАТКОВ

Схема запчастей Komatsu D375A-6 - ГУСЕНИЧНАЯ РАМА, БАЛКА БАЛАНСИРА СМАЗКА, ЛЕВ. (№-) ГУСЕНИЧНАЯ РАМА, С ЗАЩИТА ОПОРНЫХ КАТКОВ
5
2
1
4
3
6
7
9
8
FIT
1:1
100%

Артикул

Название

Примечание

Количество

1

195-50-52330

Tube

SN: 60001-60051

1шт.

2

566-16-11970

Clip

SN: 60001-60051

2шт.

3

01010-81020

Bolt

SN: 60001-60051

2шт.

4

01643-31032

Washer

SN: 60001-60051

2шт.

5

20D-68-11780

Elbow

SN: 60001-60051

1шт.

6

07020-00000

Fitting, Grease

SN: 60001-60051

1шт.

7

195-50-52140

Cover

SN: 60001-60051

1шт.

8

01010-81665

Bolt

SN: 60001-60051

8шт.

9

01643-31645

Washer

SN: 60001-60051

8шт.

Выбрано товаров: 9